Запчасти Case 590L (4-28) - TRACTOR LAMP ELECTRICAL CIRCUIT, WITH ROPS CANOPY (04) - ELECTRICAL SYSTEMS

Схема запчастей Case 590L - (4-28) - TRACTOR LAMP ELECTRICAL CIRCUIT, WITH ROPS CANOPY (04) - ELECTRICAL SYSTEMS
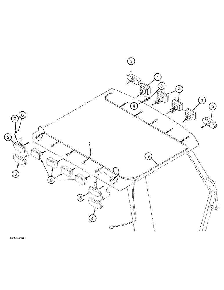
5
1
1
6
7
5
9
8
2
5
6
5
4
3
2
FIT
1:1
100%

Артикул

Название

Примечание

Количество

1

D132681

LAMP,Halogen, 12V, 50W, Clear

ASSEMBLY - front driving, outer, parts list Figure 4-32, no longer available, order ZAA7376350 lamp package

2шт.

2

D132682

HEADLIGHT,Halogen, 12V, 50W, Clear

LAMP ASSEMBLY - flood and work, rear flood (outer) and center front and rear work lamps, parts list Figure 4-32, no longer available, order ZAA7376150 lamp package and ZAA8066600 mounting kit

6шт.

3

493-11052

LOCK WASHER,Ext-Int Tooth, 1/2"

WASHER - internal-external tooth lock, 1/2 inch

8шт.

4

425-148

JAM NUT,Jam, 1/2"-13, G5

- hex, jam, 1/2 inch NC

8шт.

5

D135384

LAMP,12V

ASSEMBLY - turn signal and flasher, amber, front and rear, parts list Figure 4-36

4шт.

6

D121152

LAMP,12V

ASSEMBLY - stop and tail, red, rear, parts list Figure 4-36

2шт.

7

281-4556

SELF-TAP SCREW,Hex Wash Hd, #10 x 3/8"

SCREW - self-tapping, hex washer head, No. 10 NC x 3/8 inch

12шт.

8

495-31022

WASHER,#10

12шт.

9

123811A1

HARNESS

- ROPS canopy, lamps, attaches to side console instrument harness, see Figure 9-132 for harness cover and clamps that mount to the right-hand ROPS post

1шт.

Выбрано товаров: 9