Запчасти Case 680L (8-116) - BACKHOE SWING CYLINDER (08) - HYDRAULICS

Схема запчастей Case 680L - (8-116) - BACKHOE SWING CYLINDER (08) - HYDRAULICS
FIT
1:1
100%

Артикул

Название

Примечание

Количество

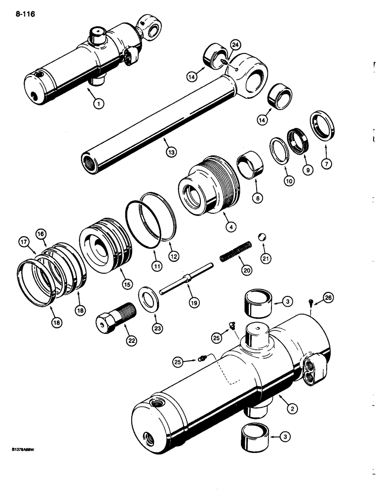
1

1978339C1

CYLINDER

ASSEMBLY - 4" (102 mm) ID x 14-3/4" (375 mm) stroke, swing, no longer available, order 1978339C2 cylinder, Includes: Ref. 2 - 26

2шт.

The cylinder assembly part number is stamped on some cylinder glands or tubes.

1шт.

1

1978339C2

CYLINDER

ASSEMBLY - 4" (102 mm) ID x 14-3/4" (375 mm) stroke, Includes: Ref. 2 - 26

2шт.

The cylinder assembly part number is stamped on some cylinder glands or tubes.

1шт.

2

1978340C1

TUBE

ASSEMBLY - 1978339C1 cylinder, Includes: Ref. 3

1шт.

2

1978340C2

HYD TUBE

TUBE ASSEMBLY - 1978339C2 cylinder, Includes: Ref. 3

1шт.

3

G34875

BUSHING,50.67mm ID x 60.25mm OD x 33.53mm L

- 1978340C1 or 1978340C2 tube

2шт.

G109900

GLAND

ASSEMBLY - cylinder, Includes: Ref. 4 - 12

1шт.

4

NSS

NOT SOLD SEPARAT

GLAND - cylinder

1шт.

7

D95144

WIPER SEAL,50.77mm ID x 63.52mm OD x 7.92mm Thk

Wiper - piston rod, outer

1шт.

Part of seal kit P/N G110054.

1шт.

8

G101533

WEAR RING,Split, 50.8mm ID x 53.87mm OD x 25.15mm Thk

BUSHING - center

1шт.

Part of seal kit P/N G110054.

1шт.

9

G107923

SEAL,50.77mm ID x 63.63mm OD x 10.69mm Thk

- U-cup, with O-ring, piston rod, wide

1шт.

Part of seal kit P/N G110054.

1шт.

10

G107997

SEAL,50.37mm ID x 63.68mm OD x 3.05mm Thk

- buffer, grooved, piston rod, narrow

1шт.

Part of seal kit P/N G110054.

1шт.

11

238-5239

O-RING,0.139" Thk x 3.609" ID, -239, Cl 5, 75 Duro

- 3-5/8 x 1/8, gland

1шт.

Part of seal kit P/N G110054.

1шт.

12

G109299

BACK-UP RING,94.87mm ID x 97.67mm OD x 1.4mm Thk

Gland O-Ring

1шт.

Part of seal kit P/N G110054.

1шт.

13

G102990

ROD

ASSEMBLY - piston, 2" (51 mm) OD, Includes: Ref. 14

1шт.

14

G34854

BUSHING,44.58mm ID x 53.98mm OD x 22.35mm L

- piston rod

2шт.

15

G108123

PISTON,100.94mm Bore, 50.9mm Rod, 50.65mm W

- cylinder

1шт.

16

G102285

SEAL,Locking, 98.55mm ID x 102.97mm OD x 6.96mm Thk

- piston

1шт.

Part of seal kit P/N G110054.

1шт.

17

G100440

RING,Square, 5.28mm Thk x 88.01mm ID

- backup, piston seal

1шт.

Part of seal kit P/N G110054.

1шт.

18

G100448

RING,101.6mm OD, Ext

- wear, piston

2шт.

Part of seal kit P/N G110054.

1шт.

19

G102245

AXLE PIN

PIN - cushion relief

1шт.

20

D38683

SPRING

- cushion relief

1шт.

21

211-17

BALL,3/4" Dia

- cushion relief spring

1шт.

22

D41359

BOLT,Hex, 1 1/4" - 12 x 63.5mm, Gr 8

- piston and cushion relief

1шт.

23

G32351

WASHER

- hardened

1шт.

24

219-1

LUBE NIPPLE,1/8" - 27 NPTF

FITTING - grease, straight, 1/8" NPT

1шт.

25

219-55

LUBE NIPPLE,90 Degree Elbow, 1/8" - 27 NPTF

NIPPLE, LUBE, 90º, 1/8" NPT x .84" lg

2шт.

26

187-1524

SELF-TAP SCREW,Hex Hd, #8 x 3/8"

SCREW - hex, slotted, self-tapping, No. 8 NC x 3/8 inch

1шт.

G110054

KIT

- seal, Includes: Ref. 7 - 12 and 16 - 18

1шт.

Выбрано товаров: 39