Запчасти Case 680L (2-02) - RADIATOR, FAN, AND MOUNTING PARTS (02) - ENGINE

Схема запчастей Case 680L - (2-02) - RADIATOR, FAN, AND MOUNTING PARTS (02) - ENGINE
FIT
1:1
100%

Артикул

Название

Примечание

Количество

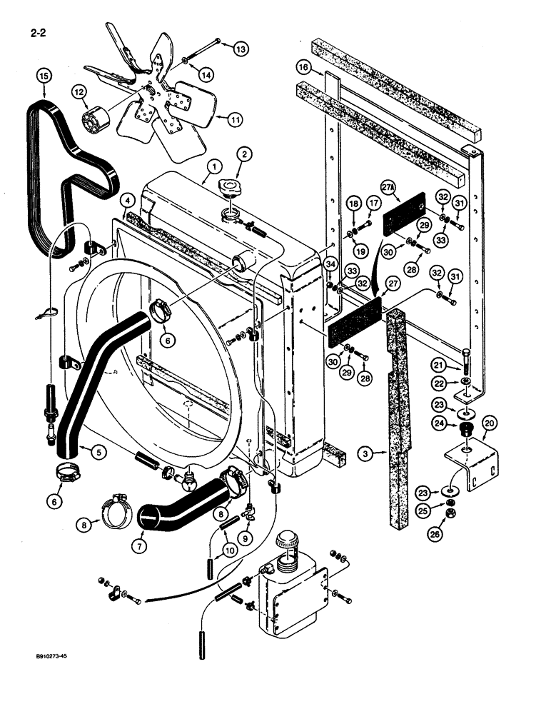
1

A172141

RADIATOR

- engine cooling

1шт.

2

A170241

RADIATOR CAP

CAP, RADIATOR, Filler, 15 psi

1шт.

3

D141798

BAFFLE - 29-3/8" (745 mm) long, radiator, side, cut to fit from D92228 bulk, see below

2шт.

4

A189391

SHROUD

- radiator, with four mounting holes, replaces A189287 with eight mounting holes

1шт.

5

L110807

HOSE,44.40 mm ID x 309.90 mm, SAE 20R4 Class C or D-1

RADIATOR HOSE, , Upper 44.40 mm ID x 309.90 mm, SAE 20R4 Class C or D-1

1шт.

6

214-259

HOSE CLAMP,#32, 1.56" - 2.5", Type F Worm

CLAMP - upper radiator hose

2шт.

7

D144203

HOSE,2.25" ID x 9.93", SAE J20, SAE 20R4 CLASS C or SAE 20R4 CLASS D1 or D2

RADIATOR HOSE, , Lower 2.25" ID x 9.93", SAE J20, SAE 20R4 CLASS C or SAE 20R4 CLASS D1 or D2

1шт.

8

214-262

HOSE CLAMP,#44, 2.31" - 3.25", Type F Worm

CLAMP - lower radiator hose

2шт.

9

A27862

COCK, DRAIN

VALVE - radiator drain

1шт.

10

L60451

HOSE

- 1/4" (6 mm) ID x 27" (686 mm) long, drain, cut to required length from H400184 hose, see below

1шт.

11

A173559

FAN

- 6-blade

1шт.

12

D142327

SPACER

- fan

1шт.

13

814-10080

BOLT,Hex, M10 x 1.5 x 80mm, Cl 8.8

- hex, 10-1.5 x 80 mm

4шт.

14

196-1

WASHER,13/32" x 13/16" x .089", HDN

- flat, 3/8", plated, hardened

4шт.

15

J911559

V-BELT,27.92mm W x 1574.8mm L, 8 Ribs

Fan and Alternator 3.56 mm W x 1574.80 mm L, 8 Ribs

1шт.

16

L113305

SUPPORT ASSY.

SUPPORT - radiator

1шт.

17

814-8025

BOLT,Hex, M8 x 1.25 x 25mm, Cl 8.8, Full Thd

- hex head, 8 mm-1.25 x 25 mm, plated

12шт.

18

892-1108

LOCK WASHER,M8

plated M8

12шт.

19

895-11008

WASHER,9mm ID x 16mm OD x 1.6mm Thk

12шт.

20

L113306

BRACKET

- radiator support, Serial Range: welded-chassis

2шт.

21

80087972

BOLT,Hex, 1/2" - 13 x 2 1/2", Gr 5

- hex head, 1/2"-13 NC x 2-1/2", plated

2шт.

22

195-106

WASHER,1/2"

- flat, , plated 1/2"

2шт.

23

195-2055

WASHER,17/32" x 2 1/4" x .180"

- flat, 1/2", special

4шт.

24

L46821

SHOCK ABSORBER

INSULATOR - radiator mounting

2шт.

25

192-23

LOCK WASHER,1/2"

WASHER, LOCK, 1/2"

2шт.

26

129-105

NUT,Hex, 1/2" - 13, Gr 5

2шт.

27

D140876

STRAP

- without threaded fastener, radiator mounting, if used

2шт.

27a

D146287

STRAP

- with threaded fastener, radiator mounting, if used

2шт.

28

614-8020

BOLT,Hex, M8 x 1.25 x 20mm

- hex head, 8 mm-1.25 x 20 mm, plated

4шт.

29

892-1108

LOCK WASHER,M8

plated M8

4шт.

30

895-11008

WASHER,9mm ID x 16mm OD x 1.6mm Thk

4шт.

31

413-620

BOLT,Hex, 3/8" - 16 x 1-1/4", Gr 5

- hex head, 3/8"-16 NC x 1-1/4", plated

2шт.

32

495-21044

WASHER,3/8"

2-4шт.

33

492-11038

LOCK WASHER,3/8"

2шт.

34

425-106

NUT,3/8"-16, Cl 5

2шт.

345-44

ADHESIVE

- spray can, for attaching foam pads to metal surface, not shown

1шт.

D92228

BAFFLE

- bulk pad, 35-1/2" (900 mm) x 55-1/8" (1400 mm) x 1-1/2" (38 mm), use to cut item 3, not shown

1шт.

H400184

FUEL HOSE,6.35 mm ID x 1905.00 mm, SAE 30R1, SAE 30R3

6.35 mm ID x 1905.00 mm Bulk, SAE 30R1, SAE 30R3, Cut from Bulk Hose

1шт.

Выбрано товаров: 38