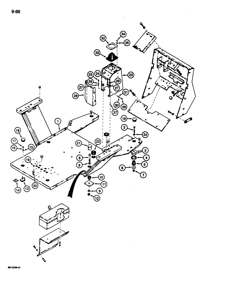
Запчасти Case 680L (9-086) - OPERATORS COMPARTMENT FRAME AND MOUNTING (09) - CHASSIS/ATTACHMENTS

Схема запчастей Case 680L - (9-086) - OPERATORS COMPARTMENT FRAME AND MOUNTING (09) - CHASSIS/ATTACHMENTS
FIT
1:1
100%

Артикул

Название

Примечание

Количество

1

NLS

NO LONGER SERVICED

- operators compartment, uses 353-407, Ref. 65, plug, replaces D138998 frame without hole for plug

1шт.

2

113-628

BOLT,Hex, 5/8" - 11 x 3-1/2", Gr 5

Hex, 5/8"-11 x 3 1/2", G5

2шт.

3

196-27

WASHER,21/32" x 3" x .179", HDN

- flat, 5/8", 3" OD x 3/16" thick, hardened, plated

4шт.

3a

T53567

BEARING WASHER,16.66mm ID x 33.33mm OD x 3.43mm Thk

WASHER - flat, 5/8", 1-5/16" OD x 5/32" thick, hardened, plated

2шт.

4

L105792

SPACER

- insulator

2шт.

5

A59516

RUBBER MOUNTING,63.5mm OD x 50.8mm L

INSULATOR - frame mounting, rubber, front

2шт.

6

CASD35009

WASHER,16.67mm ID x 63.5mm OD

- flat, 5/8", hardened

2шт.

7

131-1105

LOCK NUT,5/8"-11, GB

NUT, LOCK, 5/8"-11, GB

2шт.

8

28-1276

BOLT,Hex, 3/4" - 16 x 4-3/4", Gr 8

- hex head, 3/4"-16 NC x 4-3/4", grade 8

2шт.

9

25712R1

WASHER

- 3/4", hardened, plated

4шт.

10

A19066

MOUNTING PARTS

INSULATOR - frame mounting, rubber, rear

2шт.

11

L107405

SPACER

- insulator

2шт.

12

131-1251

LOCK NUT,3/4"-16, GC

NUT, LOCK, 3/4"-16, GC

2шт.

13

L103861

PAD

- rear insulator

2шт.

14

L103868

SHIM,.050" Thk

Rear insulator pad .050" Thk

1шт.

15

195-104

WASHER,3/8"

- flat, , plated 3/8"

2шт.

16

192-21

LOCK WASHER,3/8"

WASHER, LOCK, 3/8"

2шт.

17

129-103

NUT,Hex, 3/8" - 16, Gr 5

NUT, 3/8"-16, G5

2шт.

18

205-67

HOLE PLUG BUTTON,2"

PLUG - button, , floor 2"

4шт.

19

353-402

PLUG,Dome, .375" hole, Nylon

4шт.

20

353-412

PLUG,Dome, 1.093" hole, Nylon

- nylon, 1-3/32"

1шт.

21

L103917

PLUG

- floor, rear

2шт.

22

L107028

GROMMET

- floor

1шт.

23

D143671

CONSOLE

- loader control lever

1шт.

24

113-257

BOLT,Hex, 3/8" - 16 x 2-1/2", Gr 5

1шт.

25

113-207

BOLT,Hex, 3/8" - 16 x 1", Gr 5

3шт.

26

192-21

LOCK WASHER,3/8"

WASHER, LOCK, 3/8"

4шт.

27

195-104

WASHER,3/8"

- flat, , plated 3/8"

5шт.

28

D138528

COVER

- loader console

1шт.

29

113-3

BOLT,Hex, 1/4" - 20 x 3/4", Gr 5

4шт.

30

192-19

LOCK WASHER,Helical Spring, 0.256" ID, CST, ZND

WASHER, LOCK, 1/4"

4шт.

31

195-102

WASHER,1/4"

- flat, , plated 1/4"

4шт.

32

L105377

PLATE ASSY.

PLATE - boot mounting

1шт.

33

L105188

INSULATOR BLOCK

BOOT - loader console

1шт.

34

187-1421

SELF-TAP SCREW,Slotted Oval Hd, #10 x 3/4"

SCREW - oval Phillips, self-tapping, No. 10 NC x 3/4 inch

4шт.

35

F43576

WASHER

- special

4шт.

Выбрано товаров: 36