Запчасти Case 680L (9-134) - CAB CONTROL PANEL AND WIRING (09) - CHASSIS/ATTACHMENTS

Схема запчастей Case 680L - (9-134) - CAB CONTROL PANEL AND WIRING (09) - CHASSIS/ATTACHMENTS
FIT
1:1
100%

Артикул

Название

Примечание

Количество

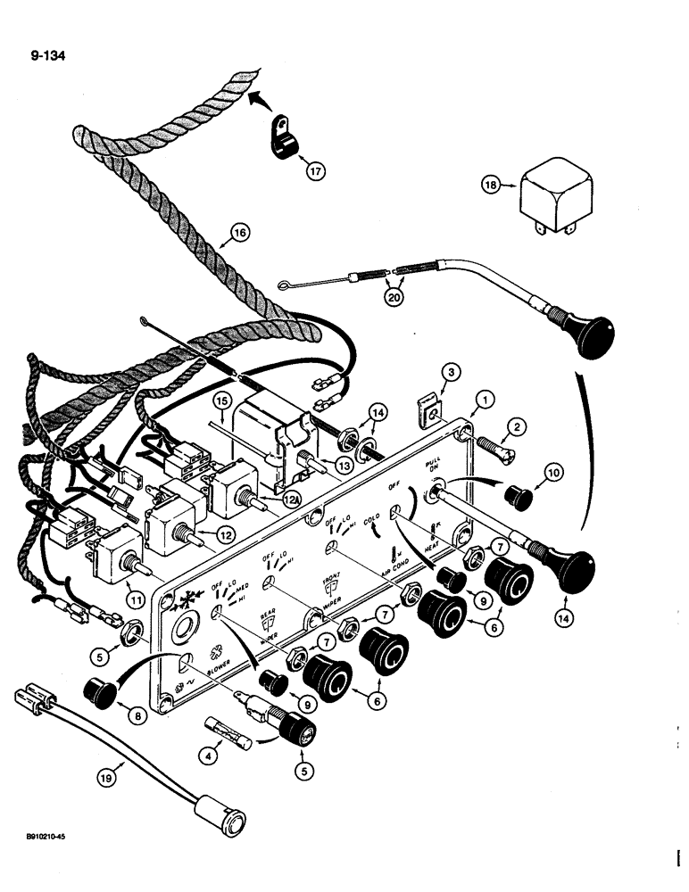
1

F44727

PANEL ASSY.

PANEL - control

1шт.

2

265-14512

SELF-TAP SCREW,Cross Oval Hd, #10 x 3/4"

SCREW - self-tapping, oval Phillips, No. 10-16 x 3/4 inch

6шт.

3

131-861

SPRING NUT,Tinn, U, #10-24

6шт.

4

223-27

FUSE,20 Amp, Type 3AG

- 20 amperes, 3AG20

1шт.

5

A22874

HOLDER

- fuse, includes nut

1шт.

6

111282C1

KNOB

- switch, use as required

3-4шт.

7

A42561

JAM NUT,Hex, 7/16" - 28, RH Thd

- retaining, switch, use as required

3-4шт.

8

353-404

PLUG,Dome, .500" hole, Nylon

If used Dome, .500" hole, Nylon

1шт.

9

353-403

PLUG,Dome, .437" hole, Nylon

If used Dome, .437" hole, Nylon

1-3шт.

10

353-402

PLUG,Dome, .375" hole, Nylon

If used Dome, .375" hole, Nylon

1шт.

11

A42622

SWITCH

- blower

1шт.

12

A42660

SWITCH

- rear windshield wiper

1шт.

12a

R52415

ROTARY SWITCH

- front windshield wiper

1шт.

13

92101C1

SWITCH

- air conditioner

1шт.

14

1343934C1

CABLE

- heater control, no longer available, order (2) item 15, R54967 hose, (1) each item 32, 1331087C1 valve, item 33, 1344076C1 cable, item 34, 1343979C1 tube, and item 35, 1954626C1 clip shown on Figure 9-146

1шт.

15

F44879

TUBE,0.12" ID x 0.17" OD x 20" L

- from air conditioner switch

1шт.

16

D137814

HARNESS

- cab models with heat only, not shown

1шт.

16

D145592

HARNESS

- cab models with heat and air conditioning

1шт.

17

515-23159

CLAMP,5/8", Insul, 3/8" Bolt

- cab harness at operators compartment frame, front, for mounting hardware see Figure 9-116, items 2 through 5

1шт.

18

146461C1

RELAY

- 30 amperes, mounts in relay socket behind control panel

1шт.

19

1964672C1

LIGHT

LAMP - indicator, amber, air conditioning, low freon

1шт.

20

1344076C1

CABLE

- heater control

1шт.

Выбрано товаров: 22