Запчасти Case 680L (9-138) - CAB REAR WINDSHIELD WIPER (09) - CHASSIS/ATTACHMENTS

Схема запчастей Case 680L - (9-138) - CAB REAR WINDSHIELD WIPER (09) - CHASSIS/ATTACHMENTS
FIT
1:1
100%

Артикул

Название

Примечание

Количество

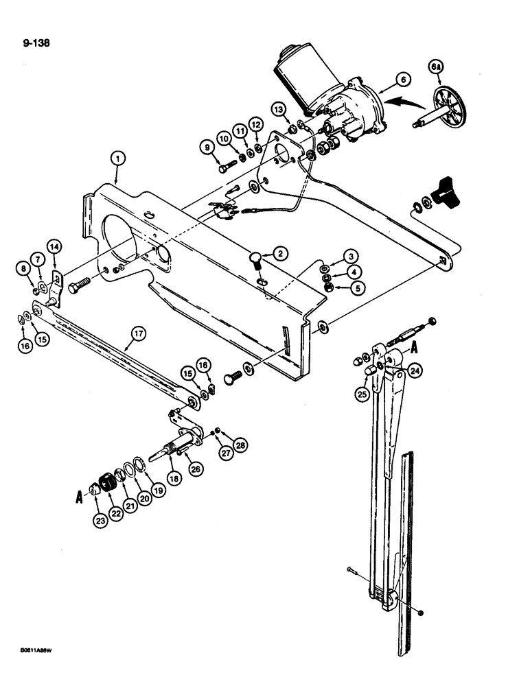
1

F45269

BRACKET

- wiper assembly mounting

1шт.

2

111-255

CARRIAGE BOLT,Short NK, 5/16"-18 x 3/4", G5

BOLT, CARRIAGE, Short NK, 5/16"-18 x 3/4", G5

2шт.

3

195-521

WASHER,5/16", SAE

- flat, 5/16", plated

2шт.

4

192-20

LOCK WASHER,Helical Spring, 0.318" ID, CST, ZND

WASHER, LOCK, 5/16"

2шт.

5

9635082

NUT,5/16" - 18, Gr 5

2шт.

6

F96911

ADAPTER

MOTOR ASSEMBLY - rear windshield wiper, 12 volt, United Technologies No. 48456-24, Includes: Ref. 6A - 8

1шт.

6a

N13124

PINION

SHAFT ASSEMBLY - with gear

1шт.

7

D71411

WASHER

- wave

1шт.

8

F44452

LOCK NUT

- special, self-locking

1шт.

9

114-7

BOLT,Hex, 1/4" - 28 x 7/8", Gr 5, Full Thd

3шт.

10

192-19

LOCK WASHER,Helical Spring, 0.256" ID, CST, ZND

WASHER, LOCK, 1/4"

3шт.

11

195-518

WASHER,1/4", SAE

- flat, 1/4", plated

3шт.

12

F64384

WASHER

- nylon

3шт.

13

F44834

BUSHING

- nylon

3шт.

14

F64210

LEVER

ARM - drive

1шт.

15

A22431

WASHER

- drive link

2шт.

16

D71414

CLIP

- spring

2шт.

17

F44754

LINK

- drive arm to pivot shaft

1шт.

D71415

SHAFT

ASSEMBLY - pivot, Includes: Ref. 18 - 25

1шт.

18

NSS

NOT SOLD SEPARAT

SHAFT - pivot

1шт.

19

D71417

SPECIAL WASHER

WASHER - fiber

1шт.

20

195-2069

WASHER,21/32" x 15/16" x .134"

- flat, 5/8" ID x 15/16" OD, replaces washer with larger OD supplied with D71415 pivot shaft assembly

1шт.

21

D71419

NUT

- shaft

1шт.

22

D71420

CAP

- shaft

1шт.

23

D71421

TOOL

DRIVER - knurled

1шт.

24

193-9

LOCK WASHER,Ext Tooth, 5/16"

WASHER, LOCK, Ext Tooth, 5/16"

1шт.

25

D71422

NUT

- dome, shaft

1шт.

26

169-99

SCREW,Sl Fil Hd, #10 - 24 x 5/8"

- machine, Fillister head slotted, No. 10-24 NC x 5/8"

2шт.

27

192-18

LOCK WASHER,Helical Spring, #10, 0.196" ID, CST, ZND

WASHER, LOCK, #10

2шт.

28

129-17

NUT,Hex, #10 - 24

NUT - hex, No. 10-24 NC, plated

2шт.

Выбрано товаров: 30