Запчасти Case 680L (9-140) - CAB REAR WINDSHIELD WIPER (CONTD) (09) - CHASSIS/ATTACHMENTS

Схема запчастей Case 680L - (9-140) - CAB REAR WINDSHIELD WIPER (CONTD) (09) - CHASSIS/ATTACHMENTS
FIT
1:1
100%

Артикул

Название

Примечание

Количество

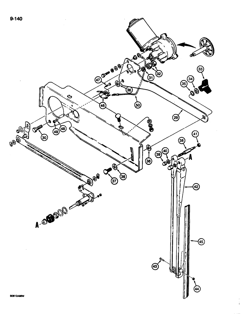
29

F45268

LEVER

- wiper positioning

1шт.

30

113-103

BOLT,Hex, 5/16" - 18 x 1", Gr 5

1шт.

31

192-20

LOCK WASHER,Helical Spring, 0.318" ID, CST, ZND

WASHER, LOCK, 5/16"

1шт.

32

131-176

LOCK NUT,Prev Torque, Hex, 5/16" - 18, Gr A

NUT - hex, self-locking, 5/16"-18 NC, plated

2шт.

33

F63415

KNOB

- wiper positioning lever

1шт.

34

195-521

WASHER,5/16", SAE

- flat, 5/16", plated

1шт.

35

193-9

LOCK WASHER,Ext Tooth, 5/16"

WASHER, LOCK, Ext Tooth, 5/16"

1шт.

36

F64046

WASHER,9.91mm ID x 19.05mm OD x 0.76mm Thk

- plastic

3шт.

37

111-255

CARRIAGE BOLT,Short NK, 5/16"-18 x 3/4", G5

BOLT, CARRIAGE, Short NK, 5/16"-18 x 3/4", G5

1шт.

38

F43960

STUD

- wiper arm mounting

1шт.

39

129-642

CROWN NUT,Crown, #10-24

- dome, hex, No. 10-24 NC, plated

1шт.

40

195-513

WASHER,#10

- flat, No. 10, plated

1шт.

41

425-154

JAM NUT,Jam, 1/4"-28, G5

1шт.

42

F45284

ARM

- windshield wiper, 17" (432 mm) long, Includes: Ref. 43 and 44

1шт.

43

182-567

SCREW,Sltd Pan Hd, #5-40 x 1/2"

- machine, pan slotted, No. 5 NC x 1/2 inch

1шт.

44

129-14

NUT,#5-40

Blade attaching #5-40

1шт.

45

F43574

WIPER BLADE

BLADE - windshield wiper, 14" (356 mm) long

1шт.

46

F43348

SWITCH

- windshield wiper arm return

1шт.

47

182-575

SCREW,Cross Pan Hd, #4-40 x 3/4"

- machine, pan Phillips head, No. 4-40 NC x 3/4", plated

2шт.

48

195-505

WASHER,#4

2шт.

49

131-1409

LOCK NUT,#4-40, GB

NUT, LOCK, #4-40, GB

2шт.

50

F45272

ELECTRICAL WIRE

WIRE - switch to windshield wiper motor

1шт.

51

F45339

DECAL

- windshield wiper position, not shown, see Figure 9-162

1шт.

Выбрано товаров: 23