Запчасти Case 680L (2-14) - ENGINE MOUNTING (02) - ENGINE

Схема запчастей Case 680L - (2-14) - ENGINE MOUNTING (02) - ENGINE
FIT
1:1
100%

Артикул

Название

Примечание

Количество

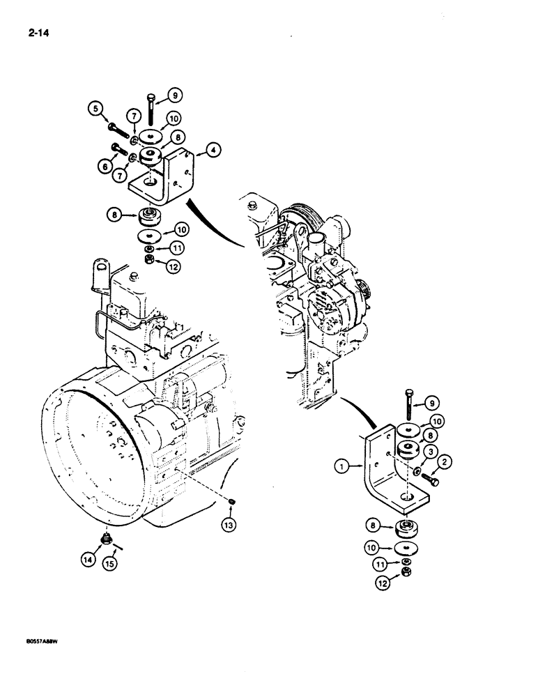
1

D138603

MOUNTING PARTS

BRACKET - engine mount, right-hand side

1шт.

2

814-12040

BOLT,Hex, M12 x 1.75 x 40mm, Cl 8.8, Full Thd

- hex head, 12 mm-1.75 x 40 mm, plated

3шт.

3

196-15

WASHER,17/32" x 1 1/6" x .134"

- flat, 1/2", plated, hardened

3шт.

4

D138604

MOUNTING PARTS

BRACKET - engine mount, left-hand side

1шт.

5

814-12050

BOLT,Hex, M12 x 1.75 x 50mm, Cl 8.8

2шт.

6

814-12040

BOLT,Hex, M12 x 1.75 x 40mm, Cl 8.8, Full Thd

- hex head, 12 mm-1.75 x 40 mm, plated

1шт.

7

196-15

WASHER,17/32" x 1 1/6" x .134"

- flat, 1/2", plated, hardened

3шт.

8

R49482

RUBBER MOUNTING

INSULATOR - engine mount

4шт.

9

113-628

BOLT,Hex, 5/8" - 11 x 3-1/2", Gr 5

Hex, 5/8"-11 x 3 1/2", G5

2шт.

10

196-27

WASHER,21/32" x 3" x .179", HDN

- flat, 5/8", plated, hardened

4шт.

11

T53567

BEARING WASHER,16.66mm ID x 33.33mm OD x 3.43mm Thk

WASHER - hardened

2шт.

12

131-1105

LOCK NUT,5/8"-11, GB

NUT, LOCK, 5/8"-11, GB

2шт.

13

L113743

SET SCREW,M12 x 1.75 x 12mm

- set, used as a plug

4шт.

14

L113178

PLUG

- bushing

1шт.

Выбрано товаров: 0