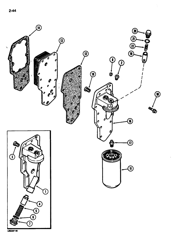
Запчасти Case 680L (2-44) - OIL FILTER AND COOLER, 6-590 ENGINE, 6T-590 ENGINE (02) - ENGINE

Схема запчастей Case 680L - (2-44) - OIL FILTER AND COOLER, 6-590 ENGINE, 6T-590 ENGINE (02) - ENGINE
FIT
1:1
100%

Артикул

Название

Примечание

Количество

1

J902295

HEAD ASSY.

HEAD - filter, lube oil

1шт.

Used Prior to Engine Serial Number 44257900. For repairs order J915766 kit.

1шт.

2

J906619

PLUG,1/8" - 27

- hex socket pipe, 1/8-27 PT

1шт.

3

J902338

VALVE, PRESSURE RELI

VALVE - relief, pressure

1шт.

4

J909376

PLUNGER

- regulator, pressure

1шт.

5

J903261

SPRING

- compression

1шт.

6

J902425

SEALING WASHER,22.2mm ID x 26.9mm OD x 1.75mm Thk

- seal, plug

1шт.

7

J904386

PLUG

- pipe

1шт.

8

A77428

PLUG

- hex socket pipe, 1/4-18 inch PT (Used on Natural Aspirated engine)

1шт.

10

845-8035

BOLT,Hvy Hex, M8 x 35mm, Cl 8.8

- heavy hex flange, 8 mm-1.25 x 35 mm

14шт.

11

J908615

FILTER

- lube oil (Cartridge)

1шт.

12

J918257

GASKET

- filter head (Replaces J912532)

1шт.

13

J918293

COOLER

- oil (Replaces J911940)

1шт.

14

J918256

GASKET

- cooler core, oil (Replaces J914387)

1шт.

J918954

HEAD

ASSEMBLY - lube oil filter, Includes: Ref. 16 and 17

1шт.

16

J918328

HEAD

- lube oil filter (Order J918954)

1шт.

17

J909355

ADAPTER

- filter head

1шт.

18

J902338

VALVE, PRESSURE RELI

VALVE - relief, pressure

1шт.

19

J918428

PLUNGER

- regulator, pressure

1шт.

20

J915787

PLUG

- pipe

1шт.

21

J909397

O-RING,0.103" Thk x 0.674" ID, -115, Cl 5, 75 Duro

- sealing

1шт.

22

J918427

SPRING

- compression

1шт.

Выбрано товаров: 0