Запчасти Case 680L (6-04) - FOUR WHEEL DRIVE FRONT AXLE MOUNTING AND DRIVE SHAFT (06) - POWER TRAIN

Схема запчастей Case 680L - (6-04) - FOUR WHEEL DRIVE FRONT AXLE MOUNTING AND DRIVE SHAFT (06) - POWER TRAIN
FIT
1:1
100%

Артикул

Название

Примечание

Количество

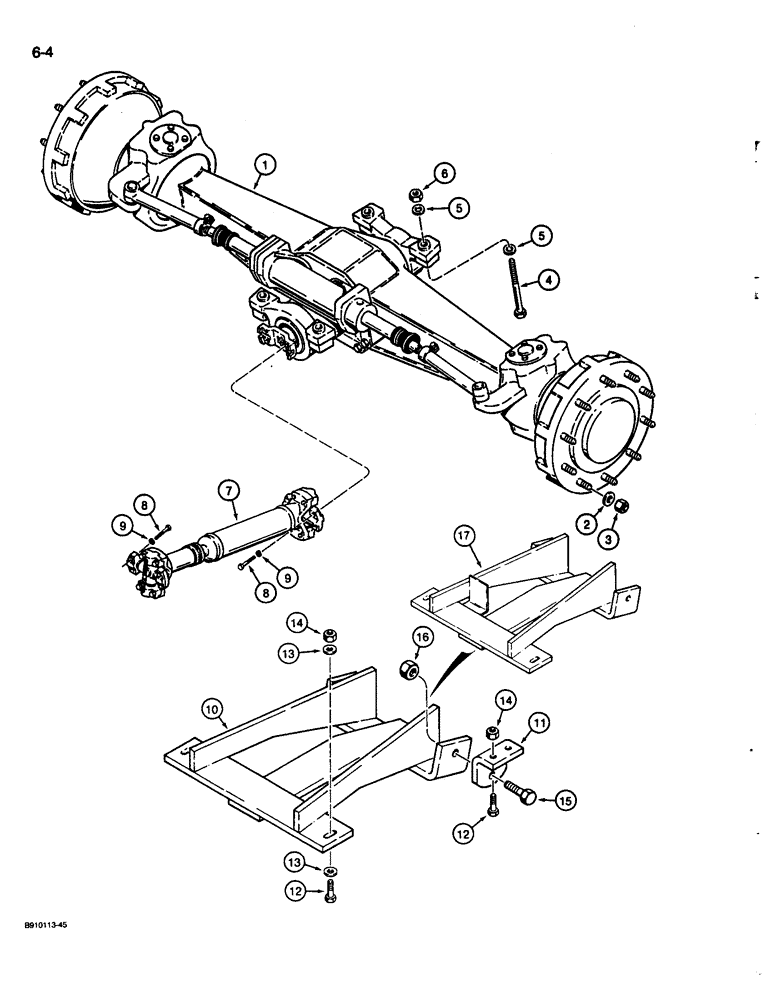
1

A186454

CENTER AXLE

AXLE ASSEMBLY - front drive, parts list Figures 6-08 through 6-18

1шт.

2

D138380

WASHER,22.8mm ID x 44.5mm OD x 5.56mm Thk

- hardened, special

20шт.

3

D138492

NUT,M22 X 1.5 - 6 HVY HEX

- heavy hex, special

20шт.

4

26-12128

BOLT,Hex, 3/4" - 10 x 8", Gr 8

- hex, 3/4 NC x 8 inch, grade 8

4шт.

Do not substitute with plated hardware.

1шт.

5

D34666

WASHER,33.34mm ID x 63.5mm OD x 2.38mm Thk

- flat, 3/4 inch hardened, special

8шт.

Do not substitute with plated hardware.

1шт.

6

29-1012

NUT,3/4"-10, G8

- hex, 3/4 inch NC, grade 8

4шт.

Do not substitute with plated hardware.

1шт.

7

D140084

DRIVE SHAFT

SHAFT ASSEMBLY - drive, front drive axle, parts list Figure 6-06, Includes: Ref. 8

1шт.

8

25705R1

BOLT,Hex, 3/8" - 24 x 1 3/4", Gr 8

- hex, 3/8 NF x 1-3/4 inch, grade 8, phosphate plated, included with D140084 drive shaft

16шт.

9

492-11038

LOCK WASHER,3/8"

8шт.

10

D143618

GUARD ASSY.

GUARD - drive shaft, mounts to chassis, Serial Range: -JJG0070953

1шт.

11

D143619

BRACKET

- guard mounting

2шт.

12

113-712

BOLT,Hex, 3/4" - 10 x 2-1/4", Gr 5

6шт.

13

195-545

WASHER,3/4", SAE

- flat, 3/4 inch

4шт.

14

129-108

NUT,3/4"-10, G5

6шт.

15

113-925

BOLT,Hex, 1" - 8 x 3", Gr 5

- hex, 1 NC x 3 inch

2шт.

16

129-110

NUT,1"-8, G5

2шт.

17

D147910

GUARD ASSY.

GUARD - drive shaft, mounts to chassis, Start Serial: JJG0070953

1шт.

Выбрано товаров: 20