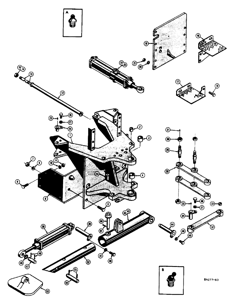
Запчасти Case 320 (32) - MOUNTING PARTS, SWING LINKAGE, AND STABILIZERS (WHEEL TRACTOR) (00) - COMPLETE MACHINE

Схема запчастей Case 320 - (32) - MOUNTING PARTS, SWING LINKAGE, AND STABILIZERS (WHEEL TRACTOR) (00) - COMPLETE MACHINE
FIT
1:1
100%

Артикул

Название

Примечание

Количество

1

38440

BRACKET - mounting, backhoe

1шт.

2

30634

BUSHING,32.05mm ID x 38.18mm OD x 17.6mm L

- mounting bracket, for swing links

4шт.

3

36121

BUSHING

- mounting bracket, upper tower pivot

1шт.

4

70466

BUSHING

- mounting bracket, lower tower pivot (Use D23203)

2шт.

D23203

BUSHING

- mounting bracket, lower tower pivot

2шт.

4a

35395

PIN - retaining, transport (Includes chain)

1шт.

5

14-1640

BOLT,Hex, 1" - 14 x 2-1/2", Gr 5, Full Thd

HHCS - 1-14 NF x 2-1/2

2шт.

6

92-16

LOCK WASHER,1"

WASHER, LOCK, 1"

2шт.

7

25-1116

NUT,1"-14, G5

- hex. (1-14 NF)

2шт.

8

36169

PLATE - mounting, backhoe

1шт.

9

14-1256

BOLT,Hex, 3/4" - 16 x 3-1/2", Gr 5

HHCS - 3/16-16 NF x 3-1/2

6шт.

10

92-12

LOCK WASHER,3/4"

WASHER, LOCK, 3/4"

6шт.

11

25-1112

NUT,3/4"-16, G5

- hex. (3/4-16 NF)

6шт.

12

D20101

TUBE - spacer, tie rod

2шт.

13

39053

ROD - tie, mounting bracket

2шт.

14

36248

DISTRIBUTOR

WASHER - centering (If used)

4шт.

15

231-46112

LOCK NUT,3/4"-16, GB

NUT - lock, hex. (3/4-16 NF)

4шт.

16

36646

CASING, BEARING ROLL

PLATE - mounting, control valve

1шт.

17

36084

SCREW

REST - foot, L.H.

1шт.

18

36085

O-RING

REST - foot, R.H.

1шт.

19

14-828

BOLT,Hex, 1/2" - 20 x 1-3/4", Gr 5

HHCS - 1/2-20 NF x 1-3/4

6шт.

20

92-8

LOCK WASHER,1/2"

6шт.

21

25-118

NUT,1/2"-20, G5

- hex. (1/2-20 NF)

6шт.

22

38374

WASHER

CYLINDER - swing, hydraulic (L.H.) (Use D23252) Has 3" O.D. tube - see Figure 68 for breakdown, and links

1шт.

D23252

CYLINDER - swing, hydraulic (L.H.) Has 2-7/8" O.D. tube - see Figure 68 for breakdown, and links

1шт.

23

38375

CYLINDER - swing, hydraulic (R.H.) (Use D23253) Has 3" O.D. tube - see Figure 68 for breakdown, and links

1шт.

D23253

CYLINDER - swing, hydraulic (R.H.) Has 2-7/8" O.D. tube - see Figure 68 for breakdown, and links

1шт.

24

35031

PIN

- pivot, swing cylinder, and links

4шт.

25

219-40

LUBE NIPPLE,65 Degree Elbow, 1/8" - 27 NPTF

FITTING - grease, 1/8" NPT - 67-1/2 degrees (Lincoln #5300), swing cyl. and links

4шт.

26

14-816

BOLT,Hex, 1/2" - 20 x 1", Gr 5

HHCS - 1/2-20 NF x 1, swing cyl. and links

4шт.

27

193-32

LOCK WASHER,Int Tooth, 1/2"

WASHER, LOCK, , Swing cyl. and links Int Tooth, 1/2"

4шт.

D23740

BUSHING

- lockhead pin bolt (If used), swing cyl. and links

4шт.

28

D20158

LINK - swing, front, cyl. and links

4шт.

29

D21332

BOLT - swing links, cylinder

6шт.

30

131-370

LOCK NUT

NUT - lock, hex. (1-14 NF), swing cyl. and links

12шт.

31

219-1

LUBE NIPPLE,1/8" - 27 NPTF

FITTING - grease, 1/8" NPT straight (Lincoln #5000), swing cyl. and links

6шт.

32

36088

LINK - swing, rear, cyl.

2шт.

33

30634

BUSHING,32.05mm ID x 38.18mm OD x 17.6mm L

- 36088 swing link, cyl.

4шт.

34

D21331

PIN - pivot, swing link to tower, cyl.

2шт.

35

219-1

LUBE NIPPLE,1/8" - 27 NPTF

FITTING - grease, 1/8" NPT straight (Lincoln #5000), swing cyl. and links

2шт.

36

14-816

BOLT,Hex, 1/2" - 20 x 1", Gr 5

HHCS - 1/2-20 NF x 1, swing cyl. and links

2шт.

37

193-32

LOCK WASHER,Int Tooth, 1/2"

WASHER, LOCK, , Swing cyl. and links Int Tooth, 1/2"

2шт.

D23740

BUSHING

- lockhead pin bolt (If used), swing cyl. and links

2шт.

38

37684

CYLINDER - stabilizer, hydraulic (Has grease pressure fitting - use 38464) See Figure 66 for breakdown

2шт.

38464

SEPARATOR

CYLINDER - stabilizer, hydraulic (No grease pressure fitting) See Figure 66 for breakdown

2шт.

39

34961

PIN - pivot, stabilizer cylinder (Upper)

2шт.

40

14-816

BOLT,Hex, 1/2" - 20 x 1", Gr 5

HHCS - 1/2-20 NF x 1, stabilizer

2шт.

41

193-32

LOCK WASHER,Int Tooth, 1/2"

WASHER, LOCK, , Stabilizer Int Tooth, 1/2"

2шт.

D23740

BUSHING

- lockhead pin bolt (If used), stabilizer

2шт.

42

36269

ARM - stabilizer, R.H.

1шт.

43

36270

ARM - stabilizer, L.H.

1шт.

44

34629

PIN - pivot, stabilizer arm mounting

2шт.

45

14-816

BOLT,Hex, 1/2" - 20 x 1", Gr 5

HHCS - 1/2-20 NF x 1, stabilizer

2шт.

46

193-32

LOCK WASHER,Int Tooth, 1/2"

WASHER, LOCK, , Stabilizers Int Tooth, 1/2"

2шт.

D23740

BUSHING

- lockhead pin bolt (If used), stabilizers

2шт.

47

35037

PIN - pivot, stabilizer cylinder (Lower)

2шт.

48

132-152

PIN

- cotter (1/4 x 1-3/4), stabilizers

4шт.

49

32625

WASHER - stabilizer cylinder pin (1-9/32" I.D. x 2-1/2" O.D. x 11/64" thick)

4шт.

50

38679

PIN - pivot, stabilizer, Serial Range: arm-leg

2шт.

51

132-152

PIN

- cotter (1/4 x 1-3/4) (If used), stabilizers

2шт.

52

36266

LEG - stabilizer

2шт.

53

35731

BUSHING

FOOT - stabilizer

2шт.

54

36268

SPRING

PIN - pivot, foot to leg, stabilizers

2шт.

55

132-152

PIN

- cotter (1/4 x 1-3/4), stabilizers

2шт.

138-142

LOCK PIN,1/4" x 2", Slotted

PIN, , Stabilizers 1/4" x 2", Slotted

2шт.

Выбрано товаров: 65