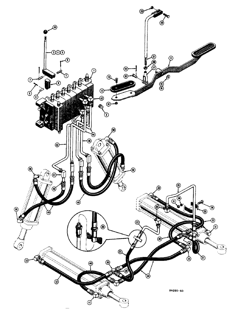
Запчасти Case 320 (54) - SWING CYLINDER AND STABILIZER CYLINDER HYDRAULICS (CRAWLER) (00) - COMPLETE MACHINE

Схема запчастей Case 320 - (54) - SWING CYLINDER AND STABILIZER CYLINDER HYDRAULICS (CRAWLER) (00) - COMPLETE MACHINE
FIT
1:1
100%

Артикул

Название

Примечание

Количество

1

34642

X

VALVE - hydraulic control, backhoe (Use D23812)

1шт.

D23812

VALVE

- hydraulic control, backhoe (Note: D23812 and 34642 valves are identical insofar as field service is concerned) See Figure 76 for breakdown)

1шт.

2

221-5

DRAIN PLUG,Sq Hd, 1/4"-14 NPTF

PLUG - pipe, 3/4" NPT

1шт.

3

35382

LEVER - valve, boom control (11-1/4" long)

1шт.

4

35159

LEVER - valve, dipper arm and bucket control (9-3/4" long)

2шт.

5

35160

WASHER

LEVER - valve, stabilizer control (8-1/2" long)

2шт.

6

35161

LINK - valve lever

5шт.

7

35173

PIN

- valve, Serial Range: lever-link

10шт.

8

35172

PIN - valve to lever link

5шт.

9

132-25

COTTER PIN,3/32" x 5/8"

Pin, Split (Cotter), 3/32" x 5/8"

30шт.

10

70213

KNOB

- control lever

5шт.

11

35266

BAR - control, swing cylinders

1шт.

12

35253

NUT

PEDAL - rubber, swing control bar

2шт.

13

74-412

FHMS - 1/4 - 28 NF x 3/4

4шт.

14

25-114

NUT,1/4"-28, G5

- hex. (1/4 - 28 NF)

4шт.

15

195-45

WASHER,3/4"

SAE wrot (1/2) 3/4"

1шт.

16

132-93

COTTER PIN,3/16" x 1 1/4"

Pin, Split (Cotter), 3/16" x 1 1/4"

1шт.

17

213-4

ADJUSTABLE CLEVIS,3/8"-24 x 2 1/2"

YOKE - rod, swing cylinders control (3/8 - 24 NF)

1шт.

18

141-4

CLEVIS PIN,3/8" x 1.060"

PIN, CLEVIS, , 213-4 yoke 3/8" x 1.060"

1шт.

19

132-26

COTTER PIN

Pin, Split (Cotter), 3/32" x 3/4"

1шт.

20

25-116

NUT,Hex, 3/8"-24, G5

- hex. (3/8 - 24 NF)

1шт.

21

34932

ROD - control, swing cylinders

1шт.

22

14-628

BOLT,Hex, 3/8" - 24 x 1-3/4", Gr 5

HHCS - 3/8 - 24 NF x 1-3/4

1шт.

23

230-4616

LOCK NUT,3/8"-24, GA

NUT - lock, hex. (3/8 - 24 NF)

1шт.

24

218-493

ELBOW,90 Degree Elbow, 3/4" - 16 Male JIC x 1/2" - 14 Male NPTF

- 90 degrees male, control valve ports (1/2" JIC x 1/2" NPT) , SWING CYLINDER HYDRAULICS

2шт.

25

35044

SLIDE

TUBE - control valve upper port (Used up to serial number 4009030) , SWING CYLINDER HYDRAULICS

1шт.

26

D20263

TUBE - control valve upper port (Used from serial number 4009030) , SWING CYLINDER HYDRAULICS

1шт.

26

35146

DISCONNECT - quick , SWING CYLINDER HYDRAULICS

2шт.

36262

DISCONNECT - quick, male half , SWING CYLINDER HYDRAULICS

1шт.

36263

DISCONNECT - quick, female half , SWING CYLINDER HYDRAULICS

1шт.

221-328

X

COUPLING - pipe, 3/8" NPT (Required when quick disconnects are not used) , SWING CYLINDER HYDRAULICS

2шт.

27

35214

BELT, TRANSMISSION

HOSE - control valve to bulkhead tee (L.H.); also R.H. if quick disconnects are used (1/2" I.D. x 7/8" O.D. x 18" long) , SWING CYLINDER HYDRAULICS

1-2шт.

36250

SPRING

HOSE - control valve to buckhead tee (R.H.) (Not used with quick disconnects) (1/2" I.D. x 7/8" O.D. x 21" long) , SWING CYLINDER HYDRAULICS

1шт.

28

32978

PLATE ASSY.

CLAMP - 35044 or D20263 tubes , SWING CYLINDER HYDRAULICS

2шт.

29

14-524

BOLT,Hex, 5/16" - 24 x 1-1/2", Gr 5

HHCS - 5/16 - 24 NF x 1-1/2 , SWING CYLINDER HYDRAULICS

1шт.

30

92-5

LOCK WASHER,5/16"

swing cylinder hydraulics 5/16"

1шт.

31

25-115

NUT,5/16"-24, G5

- hex (5/16"-24 NF), SWING CYLINDER HYDRAULICS

1шт.

32

36445

HOSE - bulkhead tee to front port swing cylinder (1/2" I.D. x 7/8" O.D. x 27" long) , HYDRAULICS

2шт.

33

218-493

ELBOW,90 Degree Elbow, 3/4" - 16 Male JIC x 1/2" - 14 Male NPTF

- 90 degrees male, 1/2" JIC x 1/2" NPT , SWING CYLINDER HYDRAULICS

2шт.

34

35221

SPINDLE

HOSE - bulkhead fitting to bulkhead tee (1/2" I.D. x 7/8" O.D. x 26" long) , SWING CYLINDER HYDRAULICS

2шт.

35

218-694

ELBOW,90 Degree Blkhd, 3/4"-16, 37 Degree x 3/4"-16, 37 Degree

1/2" JIC, Swing cylinder hydraulics 90º Blkhd, 3/4"-16, 37º x 3/4"-16, 37º

2шт.

36

25-1512

JAM NUT,Jam, 3/4"-10, G5

- jam, hex. (3/4 - 16 NF) , SWING CYLINDER HYDRAULICS

2шт.

37

35051

SPRING CUP

TUBE - control valve lower port , SWING CYLINDER HYDRAULICS

1шт.

38

218-805

TEE,3/4"-16, 37 Degree, Blkhd

- bulkhead, 1/2" JIC , SWING CYLINDER HYDRAULICS

2шт.

39

25-1512

JAM NUT,Jam, 3/4"-10, G5

- jam, hex. (3/4 - 16 NF) , SWING CYLINDER HYDRAULICS

2шт.

40

35223

PLATE

HOSE - to rear port swing cylinder (1/2" I.D. x 1/8" O.D. x 16-1/2" long) , HYDRAULICS

2шт.

41

218-493

ELBOW,90 Degree Elbow, 3/4" - 16 Male JIC x 1/2" - 14 Male NPTF

- 90 degrees male, 1/2" JIC x 1/2" NPT , SWING CYLINDER HYDRAULICS

2шт.

42

218-497

ELBOW,90 Degree Elbow, 3/4" - 16 Male JIC x 1/2" - 14 Male NPTF

- 90 degrees male, extra long (1/2" JIC x 1/2" NPT) , STABILIZER CYLINDER HYDRAULICS

2шт.

43

218-493

ELBOW,90 Degree Elbow, 3/4" - 16 Male JIC x 1/2" - 14 Male NPTF

- 90 degrees male, 1/2" JIC x 1/2" NPT , STABILIZER CYLINDER HYDRAULICS

2шт.

44

35166

KEY

TUBE - control valve to stabilizer cylinder top port , HYDRAULICS

2шт.

45

35180

PIPE FITTING

TUBE - lower valve port to lower stabilizer port (L.H.) , HYDRAULICS

1шт.

46

35182

TUBE - lower valve port to lower stabilizer port (R.H.) , HYDRAULICS

1шт.

47

50881

ELBOW - bulkhead special (90 degrees) , STABILIZER CYLINDER HYDRAULICS

4шт.

48

25-1512

JAM NUT,Jam, 3/4"-10, G5

- jam, hex. (3/4 - 16 NF) , STABILIZER CYLINDER HYDRAULICS

4шт.

49

36210

HOSE

- to stabilizer cylinders (1/2" I.D. x 7/8" O.D. x 21-1/2" long) , HYDRAULICS

4шт.

50

218-493

ELBOW,90 Degree Elbow, 3/4" - 16 Male JIC x 1/2" - 14 Male NPTF

- 90 degrees male, 1/2" JIC x 1/2" NPT , STABILIZER CYLINDER HYDRAULICS

4шт.

Выбрано товаров: 56