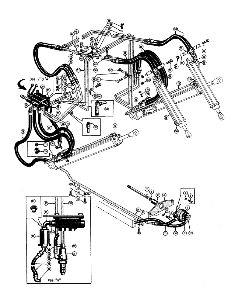
Запчасти Case 420B (10) - TERRALOADR PUMP, VALVE, HOSES, TUBES, AND MOUNTING PARTS

Схема запчастей Case 420B - (10) - TERRALOADR PUMP, VALVE, HOSES, TUBES, AND MOUNTING PARTS
FIT
1:1
100%

Артикул

Название

Примечание

Количество

1

39582

PUMP, HYDRAULIC

PUMP - hydraulic, complete (See Figure 18)

1шт.

2

13-624

BOLT,Hex, 3/8" - 16 x 1-1/2", Gr 5

HHCS - 3/8 -16 NC x 1-1/2 (45058)

6шт.

3

92-6

LOCK WASHER,3/8"

WASHER, LOCK, (48446) 3/8"

6шт.

4

D20895

BRACKET - pump mounting

1шт.

5

13-1232

BOLT,Hex, 3/4" - 10 x 2", Gr 5

(45185) Hex, 3/4"-10 x 2", G5

2шт.

6

92-12

LOCK WASHER,3/4"

WASHER, LOCK, (48452) 3/4"

2шт.

7

DR10512

X

SHAFT - hydraulic pump drive

1шт.

8

NLS

NO LONGER SERVICED

- hydraulic pump to drive shaft

1шт.

9

36281

X

SNAP RING -pump drive shaft coupling

1шт.

10

D21237

LARGE HOSE

HOSE - connector, inlet line tube

1шт.

11

214-1420

HOSE CLAMP,#20, 0.81" - 1.75", Type F Worm

CLAMP - hose, D21237 hose

2шт.

12

D21233

TUBE - pump, inlet

1шт.

13

D20994

HOSE - pump, outlet

1шт.

14

D21243

TUBE - front of tractor to below control valve

1шт.

15

49789

CLAMP

- tube

3шт.

16

14-48

BOLT,Hex, 1/4" - 28 x 1/2", Gr 5

(45602) Hex, 1/4"-28 x 1/2", G5, Full Thd

3шт.

17

92-4

LOCK WASHER,1/4"

WASHER, LOCK, (48444) 1/4"

3шт.

18

DR10488

HOSE ASSY.

HOSE - in let to control valve

1шт.

19

218-486

ELBOW,90 Degree Elbow, 1-1/16" - 12 Male JIC x 3/4" - 14 Male NPTF

- 90 degree male (3/4" JIC x 3/4" NPT) (50016)

1шт.

20

NLS

NO LONGER SERVICED

VALVE - hydraulic control (See Figure 16)

1шт.

21

14-640

BOLT,Hex, 3/8" - 24 x 2-1/2", Gr 5

HHCS - 3/8 - 24 NF x 2-1/2 (45662)

3шт.

22

92-6

LOCK WASHER,3/8"

WASHER, LOCK, (48446) 3/8"

3шт.

23

25-116

NUT,Hex, 3/8"-24, G5

- hex (3/8 - 24 NF) (48102)

3шт.

24

221-211

PIPE,Nipple, 3/4" NPT x 1 3/8"

NIPPLE - pipe (3/4" NPT x 1-3/8" long) (41404)

1шт.

25

221-415

ELBOW,90 Degree, 3/4"-14, NPT

Street (41674) 90º, 3/4"-14, NPT

1шт.

26

D21003

FILTER

- hydraulic oil, complete (See Figure 23)

1шт.

27

221-65

REDUCER,Hex, 1" x 3/4" NPT

BUSHING - reducing (1" NPT and 3/4" NPT) (If used) (41644)

2шт.

28

218-536

ELBOW,45 Degree, 1 1/1"6-12, 37 Degree x 3/4"-14, NPTF

- 45 degree male (3/4" NPT and 3/4" JIC) (50146)

1шт.

29

D21034

HOSE - bottom of, Serial Range: filter-reservoir

1шт.

30

218-486

ELBOW,90 Degree Elbow, 1-1/16" - 12 Male JIC x 3/4" - 14 Male NPTF

- 90 degrees (3/4" JIC x 3/4" NPT) (50116)

1шт.

31

33959

PIPE FITTING

VALVE - relief, bucket cylinders (See Figure 19)

1шт.

32

D20963

TEE - special (Control valve to relief valve)

1шт.

33

218-493

ELBOW,90 Degree Elbow, 3/4" - 16 Male JIC x 1/2" - 14 Male NPTF

- 90 degree male ( 1/2" JIC to 1/2" NPT) (50112)

1шт.

34

D21036

HOSE - bucket cylinder relief, Serial Range: valve-reservoir

1шт.

35

D20962

TUBE - valve to bucket cylinder rear hose (Inner)

1шт.

36

DR10480

TUBE - valve to bucket cylinder rear hose (Outer)

1шт.

37

218-456

HYD CONNECTOR,3/4" - 16 Male JIC x 1/2" - 14 Male NPTF

ADAPTER - male (1/2" JIC and 1/2" NPT) (50022)

2шт.

38

32978

PLATE ASSY.

CLAMP - tube

1шт.

39

14-520

BOLT,Hex, 5/16" - 24 x 1-1/4", Gr 5

(45632) Hex, 5/16"-24 x 1 1/4", G5

1шт.

40

92-5

LOCK WASHER,5/16"

WASHER, LOCK, (48445) 5/16"

1шт.

41

DR10503

HOSE - RH bucket cylinder to valve (Rear)

2шт.

42

DR10501

TUBE - to RH bucker cylinder, inner

1шт.

43

DR10526

TUBE - to RH bucket cylinder, outer

1шт.

44

DR10497

TUBE - manifold, to rear of LH bucket cylinder

1шт.

45

DR10495

TUBE - manifold, to front of LH bucket cylinder

1шт.

46

32978

PLATE ASSY.

CLAMP - bucket cylinder tubes

6шт.

47

14-520

BOLT,Hex, 5/16" - 24 x 1-1/4", Gr 5

(45632) Hex, 5/16"-24 x 1 1/4", G5

6шт.

48

92-5

LOCK WASHER,5/16"

WASHER, LOCK, (48445) 5/16"

6шт.

49

95-5

WASHER,3/8" x 7/8" x .083"

- standard wrought (5/16) (48405)

6шт.

50

D20736

HOSE - lift arm tube to bucker cylinder tube

4шт.

51

D20045

PLATE ASSY.

CLAMP - hose

4шт.

52

14-532

BOLT,Hex, 5/16" - 24 x 2", Gr 5

HHCS - 5/16 - 24 NF x 2 (45635)

2шт.

53

92-5

LOCK WASHER,5/16"

WASHER, LOCK, (48445) 5/16"

2шт.

54

25-115

NUT,5/16"-24, G5

- hex (5/16"-24 NF) (48101)

2шт.

55

DR10505

TUBE - hose to bucket cylinder

2шт.

56

218-493

ELBOW,90 Degree Elbow, 3/4" - 16 Male JIC x 1/2" - 14 Male NPTF

- 90 degree male (1/2" JIC to 1/2" NPT) (50112)

4шт.

57

DR10478

TUBE - manifold, to LH lift cylinder, front

1шт.

58

DR10476

TUBE - manifold, to LH lift cylinder, rear

1шт.

59

50877

TEE - special, male (Control valve to DR10476 and DR10478 tubes)

2шт.

60

32978

PLATE ASSY.

CLAMP - manifold tubes for lift cylinder, sides

3шт.

61

14-520

BOLT,Hex, 5/16" - 24 x 1-1/4", Gr 5

(45632) Hex, 5/16"-24 x 1 1/4", G5

2шт.

62

14-524

BOLT,Hex, 5/16" - 24 x 1-1/2", Gr 5

HHCS - 5/16 - 24 NF x 1-1/2 (45633)

1шт.

63

92-5

LOCK WASHER,5/16"

WASHER, LOCK, (48445) 5/16"

3шт.

64

95-5

WASHER,3/8" x 7/8" x .083"

- standard wrought (5/16) (48405)

2шт.

65

38331

PLATE

CLAMP - manifold tubes for lift cylinder, top

2шт.

66

14-520

BOLT,Hex, 5/16" - 24 x 1-1/4", Gr 5

(45632) Hex, 5/16"-24 x 1 1/4", G5

2шт.

67

92-5

LOCK WASHER,5/16"

WASHER, LOCK, (48445) 5/16"

2шт.

68

25-115

NUT,5/16"-24, G5

- hex (5/16"-24 NF) (48101)

1шт.

69

38349

HOSE - manifold tube to LH lift cylinder tube

2шт.

70

D20045

PLATE ASSY.

CLAMP - hose

4шт.

71

14-528

BOLT,Hex, 5/16" - 24 x 1-3/4", Gr 5

(45634) Hex, 5/16"-24 x 1 3/4", G5

2шт.

72

92-5

LOCK WASHER,5/16"

WASHER, LOCK, (48445) 5/16"

2шт.

73

25-115

NUT,5/16"-24, G5

- hex (5/16"-24 NF) (48101)

2шт.

74

D21025

TUBE - to front of lift cylinder

2шт.

75

218-493

ELBOW,90 Degree Elbow, 3/4" - 16 Male JIC x 1/2" - 14 Male NPTF

- 90 degrees (1/2" JIC to 1/2" NPT ) (50112)

3шт.

76

D20359

TEE - special, RH lift cylinder rear hose

1шт.

77

221-2

DRAIN PLUG,Sq Hd, 1/4"-18 NPTF

PLUG - pipe (1/4" NPT)

1шт.

78

DR10486

HOSE ASSY.

HOSE - RH lift cylinder to control valve

2шт.

Выбрано товаров: 78