Запчасти Case 420B (18) - 39582 SPECIAL RELIEF VALVE, TERRALOADR AND BACKHOE

Схема запчастей Case 420B - (18) - 39582 SPECIAL RELIEF VALVE, TERRALOADR AND BACKHOE
FIT
1:1
100%

Артикул

Название

Примечание

Количество

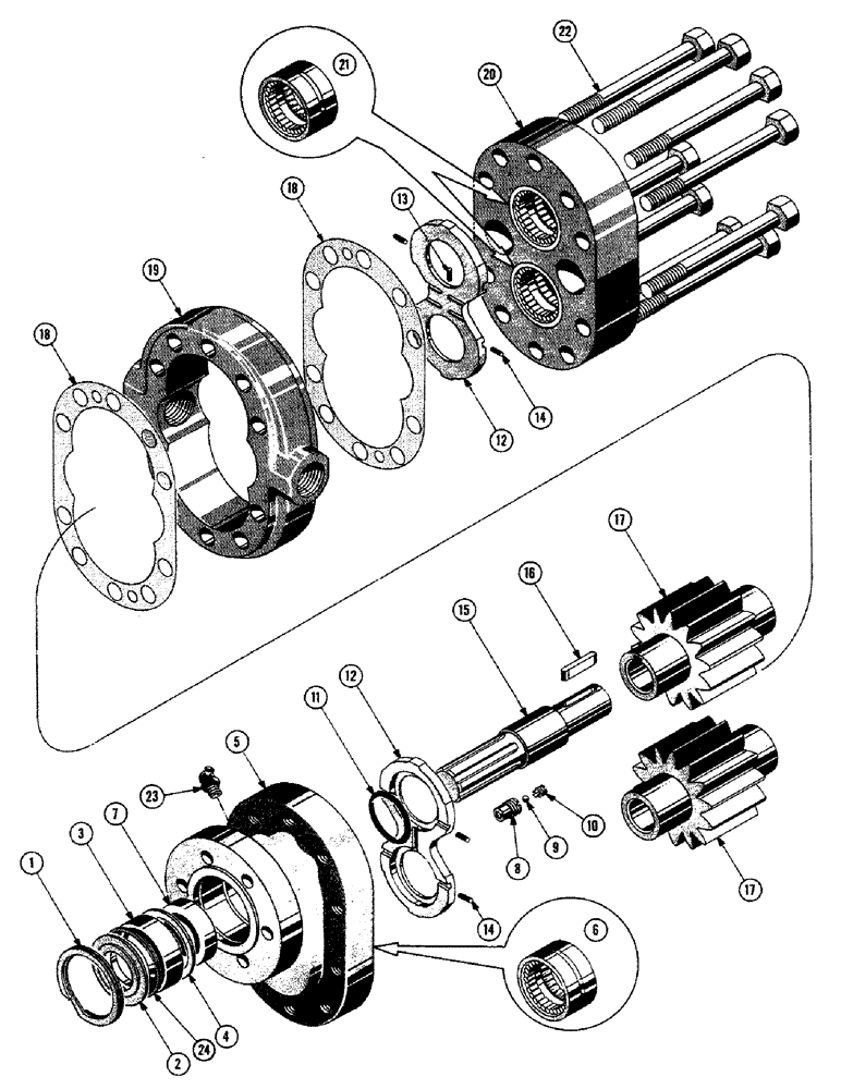
39582

PUMP, HYDRAULIC

PUMP - hydraulic

1шт.

1

71466

SNAP RING,#206, 2.190", Int, Spiral

- ball bearing

1шт.

2

71429

BEARING COVER

SHIELD - ball bearing

1шт.

3

18-970

BALL BEARING

BEARING - ball, drive shaft, rear (SKF #7205 BYG)

1шт.

4

NLS

NO LONGER SERVICED

SPACER - ball bearing

1шт.

5

73199

COVER - front

1шт.

6

NLS

NO LONGER SERVICED

BEARING - roller (McGill #GR-22-N-1)

2шт.

7

72731

SEAL

- oil, drive shaft

1шт.

8

71430

TOOL

SEAT - check

1шт.

9

71431

X

BALL - check (5/32" dia. - steel)

1шт.

10

71432

TOOL

RETAINER - check ball

1шт.

11

A27355

O-RING,0.139" Thk x 1.17" ID, -217, Cl 5, 75 Duro

"O" RING - seal, drive shaft

1шт.

12

71442

LARGE PLATE

PLATE - thrust

2шт.

13

71440

X

SEAL - pocket (29/64" long)

2шт.

14

71441

SEAL - pocket (25/64" long)

8шт.

15

39760

SPROCKET

SHAFT - drive

1шт.

16

R12975

KEY - gear

1шт.

17

R2487

GEARS - kit of 2 matched gears

1шт.

18

71443

TUBE

- housing

2шт.

19

R12976

HOUSING - pump

1шт.

20

71433

SPARE PART

COVER - rear

1шт.

21

NLS

NO LONGER SERVICED

BEARING - roller (Mc Gill #GR-22-N-1)

2шт.

22

13-860

BOLT,Hex, 1/2" - 13 x 3-3/4", Gr 5

(45117) Hex, 1/2"-13 x 3 3/4", G5

10шт.

23

219-40

LUBE NIPPLE,65 Degree Elbow, 1/8" - 27 NPTF

FITTING - grease, 1/8 NP - 67-1/2 degrees (Lincoln #5300)

1шт.

24

D23270

X

SEAL - ball bearing

1шт.

Выбрано товаров: 25