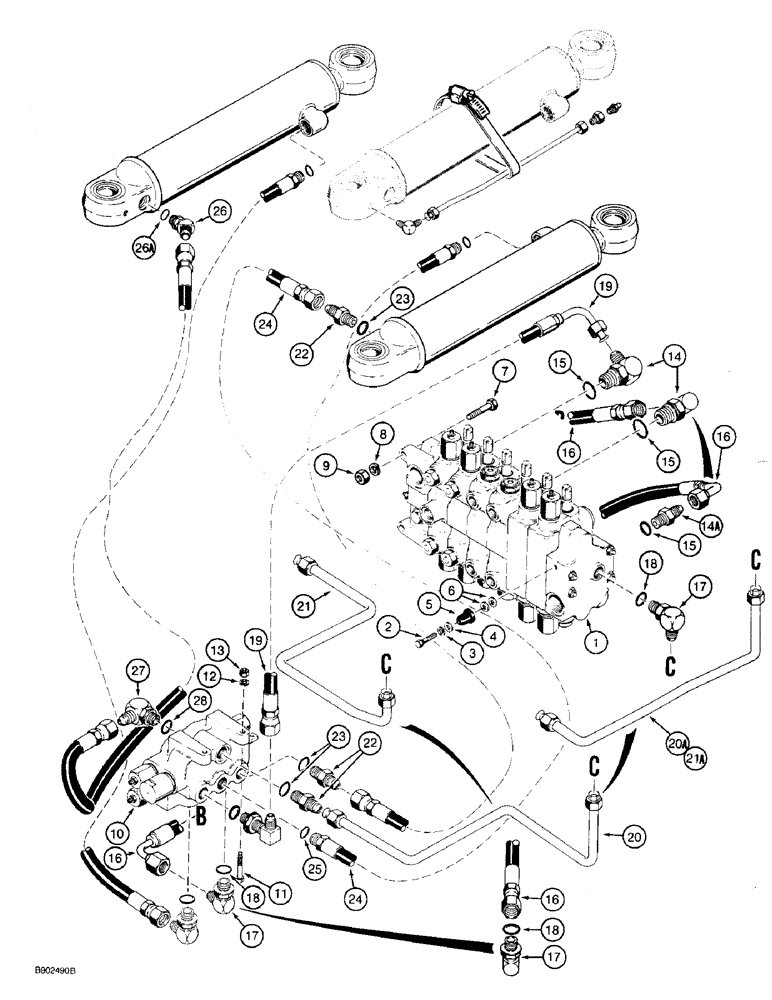
Запчасти Case 590 (8-024) - BACKHOE SWING CYLINDER AND, SWING SEQUENCE VALVE HYDRAULIC CIRCUIT (08) - HYDRAULICS

Схема запчастей Case 590 - (8-024) - BACKHOE SWING CYLINDER AND, SWING SEQUENCE VALVE HYDRAULIC CIRCUIT (08) - HYDRAULICS
17
10
17
8
14a
22
16
5
15
11
23
26a
17
21
18
6
9
24
4
3
28
20a
16
19
18
15
22
18
27
21a
14
26
12
24
2
16
25
19
7
1
15
13
20
23
16
FIT
1:1
100%

Артикул

Название

Примечание

Количество

1

REF

INSTRUCTION

VALVE ASSEMBLY - backhoe control, for correct assembly and components, see figure 8-74 or 8-76

1шт.

2

413-624

BOLT,Hex, 3/8" - 16 x 1-1/2", Gr 5

- hex, 3/8 NC x 1-1/2 inch

1шт.

3

492-11038

LOCK WASHER,3/8"

1шт.

4

D52275

WASHER,9.92mm ID x 31.75mm OD x 2.78mm Thk

- flat, 25/64 x 1-1/4 x 7/64 inch, hardened

1шт.

5

D52276

ISOLATOR,10.16mm ID x 28.07mm OD x mm L

INSULATOR - rubber

1шт.

6

495-81266

WASHER,0.41" ID x 0.88" OD x 0.07" Thk

- flat, 13/32 x 7/8 x 1/16 inch, no longer used, not required

2шт.

7

413-828

BOLT,Hex, 1/2" - 13 x 1-3/4", Gr 5

2шт.

8

80679

LOCK WASHER,1/20.507 CST ZND

WASHER, LOCK, 1/2"

2шт.

9

425-108

NUT,1/2" - 13, Gr 5

NUT, , Hex 1/2"-13, G5

2шт.

10

REF

INSTRUCTION

VALVE ASSEMBLY - backhoe swing sequence, for correct assembly and components, see figure 8-94 or 8-95A

1шт.

11

413-632

BOLT,Hex, 3/8" - 16 x 2", Gr 5

- hex, 3/8 NC x 2 inch

2шт.

12

492-11038

LOCK WASHER,3/8"

2шт.

13

425-106

NUT,3/8"-16, Cl 5

2шт.

14

218-5119

ELBOW,90 Degree Elbow, 7/8" - 14 Male JIC x 1-1/16" - 12 Male ORB

- 90 degree, 7/8-14 flare x 1-1/16-12 inch adj. O-ring

1-2шт.

If straight female end of Ref. 16 hose is at backhoe valve lower port, use Ref. 14 elbow; however, if elbow end of Ref. 16 hose is at backhoe valve lower port, use Ref. 14A adapter.

1шт.

14a

218-5063

HYD CONNECTOR,7/8" - 14 Male JIC x 1-1/16" - 12 Male ORB

ADAPTER - straight, 7/8-14 flare x 1-1/16-12 inch O-ring, swing section lower port, if used, Includes: Ref. 15

1шт.

If straight female end of Ref. 16 hose is at backhoe valve lower port, use Ref. 14 elbow; however, if elbow end of Ref. 16 hose is at backhoe valve lower port, use Ref. 14A adapter.

1шт.

15

237-6012

O-RING,0.116" Thk x 0.924" ID, -912, Cl 6, 90 Duro

12-1, 90 Duro, .924 ID x .116" Thk, Ref. 14 or 14A fitting

1шт.

16

D149547

HOSE

- 550 mm long, swing section lower port to swing sequence valve lower port

1шт.

If straight female end of Ref. 16 hose is at backhoe valve lower port, use Ref. 14 elbow; however, if elbow end of Ref. 16 hose is at backhoe valve lower port, use Ref. 14A adapter.

1шт.

17

218-5107

90 ELBOW,90 Degree Elbow, 7/8" - 14 Male JIC x 7/8" - 14 Male ORB

- 90 degree, 7/8-14 inch flare x adj. O-ring boss, Incl. Ref. 18

2шт.

18

237-6010

O-RING,0.097" Thk x 0.755" ID, -910, Cl 6, 90 Duro

10-1, 90 Duro, .755" ID x .097" Thk

1шт.

19

D149547

HOSE

- 550 mm long, swing section upper port to swing sequence valve

1шт.

20

D145473

HOSE

TUBE - 1980440C1 swing sequence valve, drain, used on models with six spool backhoe control valve, if used

1шт.

20a

D150889

PIPE

TUBE - 1346067C1 swing sequence valve, drain, used on models with six spool backhoe control valve, if used

1шт.

21

D145475

TUBE

- 1980440C1 swing sequence valve, drain, used on models with seven spool backhoe control valve, also used on models with optional rear hydraulic attachments, if used

1шт.

21a

D150896

PIPE

TUBE - 1346067C1 swing sequence valve, drain, used on models with seven spool backhoe control valve, also used on models with optional rear hydraulic attachments, if used

1шт.

22

218-5062

HYD CONNECTOR,7/8"-14, 37 Degree x 7/8"-14, O-Ring

ADAPTER - straight, 7/8-14 inch flare x O-ring boss, Includes: Ref. 23

3шт.

23

237-6010

O-RING,0.097" Thk x 0.755" ID, -910, Cl 6, 90 Duro

10-1, 90 Duro, .755" ID x .097" Thk

1шт.

24

D143685

HOSE

- 633 mm long, swing sequence valve to right-hand swing cylinder closed end, Includes: Ref. 25

1шт.

25

237-6010

O-RING,0.097" Thk x 0.755" ID, -910, Cl 6, 90 Duro

10-1, 90 Duro, .755" ID x .097" Thk

1шт.

26

218-5137

ELBOW,45 Degree Elbow, 7/8" - 14 Male JIC x 7/8" - 14 Male ORB

- 45 degree, 7/8-14 inch flare x adj O-ring boss, Incl. Ref 26A

1шт.

26a

237-6010

O-RING,0.097" Thk x 0.755" ID, -910, Cl 6, 90 Duro

10-1, 90 Duro, .755" ID x .097" Thk

1шт.

27

218-5107

90 ELBOW,90 Degree Elbow, 7/8" - 14 Male JIC x 7/8" - 14 Male ORB

- 90 degree, 7/8-14 inch flare x adj O-ring boss, Incl. Ref. 28

1шт.

28

237-6010

O-RING,0.097" Thk x 0.755" ID, -910, Cl 6, 90 Duro

10-1, 90 Duro, .755" ID x .097" Thk

1шт.

Выбрано товаров: 35