Запчасти Case 590 (9-002) - LOADER LIFT CONTROL (09) - CHASSIS/ATTACHMENTS

Схема запчастей Case 590 - (9-002) - LOADER LIFT CONTROL (09) - CHASSIS/ATTACHMENTS
3
9
24
13
15
22
22
5
14
18
20
7
25
7
10
14
1
21
16
4
24
8
2
23
17
8
19
6
12
9
10
11
FIT
1:1
100%

Артикул

Название

Примечание

Количество

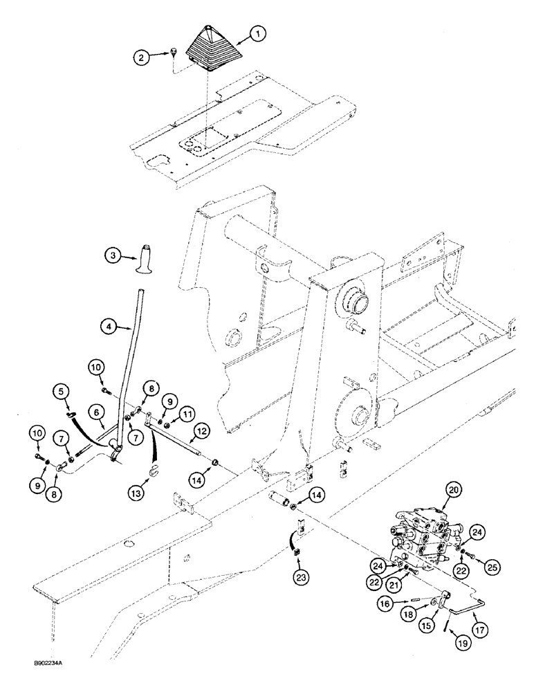
1

D137466

BOOT

- control lever, models without clam control lever, see figure 9-6 for boot used on models with clam control lever

1шт.

2

281-1478

SELF-TAP SCREW,1/4" - 20 x 1/2"

SCREW - self-tapping, hex washer head, 1/4 NC x 1/2 inch

4шт.

3

D147443

HANDLE

KNOB - lever, loader control, see figure 4-24 for fast cycle switch and cover

1шт.

4

D149132

LEVER

- loader lift and bucket control, see figure 9-4 for bucket control linkage

1шт.

5

219-36

LUBE NIPPLE,45 Degree Elbow, 1/8" - 27 NPTF

FITTING - grease, 45 degree, 1/8 PT x 7/8 inch

1шт.

6

D148005

ROD

- lift, loader control

1шт.

7

425-116

NUT,3/8" - 24, Gr 5

- hex, 3/8 inch NF

2шт.

8

D136773

BALL JOINT

JOINT - ball, 3/8 inch NF

2шт.

9

492-11038

LOCK WASHER,3/8"

2шт.

10

413-624

BOLT,Hex, 3/8" - 16 x 1-1/2", Gr 5

- hex, 3/8 NC x 1-1/2 inch

2шт.

11

425-106

NUT,3/8"-16, Cl 5

1шт.

12

D149802

SHAFT

- lift and bucket control, see figure 9-4 for bucket control pivot and related parts

1шт.

13

D95096

SNAP RING,M15.88 x 1.27mm Thk

- 5/8 inch, shaft retaining, special, replaces D143591

1шт.

14

D149799

BUSHING

- pivot, chassis right-hand side

2шт.

15

49066

SHIM,.036" Thk

BELLCRANK - lift control

1шт.

16

438-11620

LOCK PIN,1/4" x 1 1/4", Slotted

Pin, , replaces 138-136 1/4" x 1 1/4", Slotted

1шт.

17

D148826

PITMAN

ROD - lift, bellcrank to lift section

1шт.

18

495-21038

WASHER,5/16"

(flat, 3/8 x 7/8 x 5/64") 5/16"

1шт.

19

432-610

COTTER PIN,3/32" x 5/8"

PIN, SPLIT (COTTER), 3/32" x 5/8"

2шт.

20

1340864C1

VALVE, CONTROL

VALVE ASSEMBLY - loader control, two spool, see parts list figure 8-58

1шт.

21

413-620

BOLT,Hex, 3/8" - 16 x 1-1/4", Gr 5

- hex, 3/8 NC x 1-1/4 inch

1-3шт.

22

492-11038

LOCK WASHER,3/8"

3шт.

23

84899

SQUARE NUT,Sq, 3/8"-16, G2

- square, 3/8 inch NC

3шт.

The cage where ref #23 fits into - is part number D88417.

1шт.

24

495-11041

WASHER,0.406" ID x 0.812" OD x 0.065" W

(Flat, 13/32 x 13/16 x 1/16") 3/8", SAE

1шт.

25

413-622

BOLT,Hex, 3/8" - 16 x 1-3/8", Gr 5

- hex, 3/8 NC x 1-3/8 inch

2шт.

Выбрано товаров: 26