Запчасти Case 590 (9-074) - HOOD, ENGINE SIDE PANELS AND GRILLE UNIT (CONT) (09) - CHASSIS/ATTACHMENTS

Схема запчастей Case 590 - (9-074) - HOOD, ENGINE SIDE PANELS AND GRILLE UNIT (CONT) (09) - CHASSIS/ATTACHMENTS
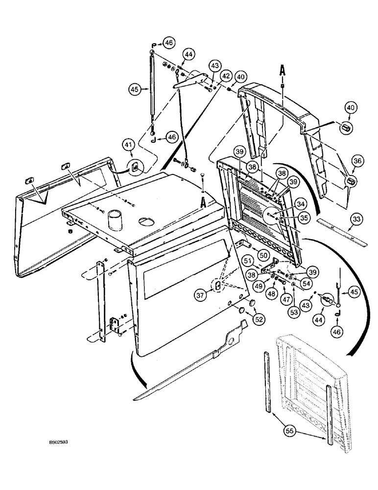
43
42
38
35
40
39
54
38
36
47
48
41
55
38
37
44
40
50
34
46
52
46
46
51
39
45
44
45
49
33
39
43
53
FIT
1:1
100%

Артикул

Название

Примечание

Количество

33

D146866

PLATE

- spacer, used with Ref. 30 spacer

1шт.

35

492-11025

LOCK WASHER,1/4"

WASHER, LOCK, 1/4"

4шт.

36

D136619

SPACER

- 7 mm x 10 mm x 13 mm

8шт.

37

129-468

NUT

- weld, 1/4 inch NC

6шт.

38

413-424

BOLT,Hex, 1/4" - 20 x 1-1/2", Gr 5

6шт.

39

492-11025

LOCK WASHER,1/4"

WASHER, LOCK, 1/4"

6шт.

40

D136620

SPACER

- special, one each side of grille to grille guard uppermost mounting holes only

2шт.

41

129-468

NUT

- weld, 1/4 inch NC

4шт.

42

425-105

NUT,5/16"-18, G5

- hex, 5/16 inch NC

2шт.

43

492-11031

LOCK WASHER,5/16"

WASHER, LOCK, 5/16"

4шт.

44

1340345C1

BALL STUD

STUD - ball, replaces 1304648C1

4шт.

45

114980A1

GAS STRUT

Cylinder - spring, Counterbalance, Hood, Replaces D132726

2шт.

46

F44883

CLIP,DIN 71805 - S10

- ball stud retainer

4шт.

47

413-624

BOLT,Hex, 3/8" - 16 x 1-1/2", Gr 5

- hex, 3/8 NC x 1-1/2 inch

4шт.

48

492-11038

LOCK WASHER,3/8"

4шт.

49

495-11041

WASHER,0.406" ID x 0.812" OD x 0.065" W

(Flat, 13/32 x 13/16 x 1/16") 3/8", SAE

4шт.

50

D134669

BRACKET

- hinge, left-hand, attaches, Serial Range: grille-chassis

1шт.

51

D134668

BRACKET

- hinge, right-hand, attaches, Serial Range: grille-chassis

1шт.

52

D140267

PLUG,30.16mm OD

- side panels, if used

4шт.

53

495-21038

WASHER,5/16"

(flat, 3/8 x 7/8 x 5/64") 5/16"

2шт.

54

495-11028

WASHER,1/4", SAE

(flat, 9/32 x 5/8 x 1/16") 1/4", SAE

2шт.

55

D147887

SEAL

- 25 x 490 x 12 mm thick, cut from D92228, Serial Range: grille-shroud

2шт.

D92228

BAFFLE

SEAL - 900 x 1400 x 38 mm thick, foam, adhesive back, bulk

1шт.

34

413-420

BOLT,Hex, 1/4" - 20 x 1-1/4", Gr 5

4шт.

Выбрано товаров: 24