Запчасти Case 590 (2-14) - ENGINE MOUNTING (02) - ENGINE

Схема запчастей Case 590 - (2-14) - ENGINE MOUNTING (02) - ENGINE
2a
9
16
3
1a
2a
1
5
8
6
3
10
14
15
13
13
11
2
2
7
4
12
FIT
1:1
100%

Артикул

Название

Примечание

Количество

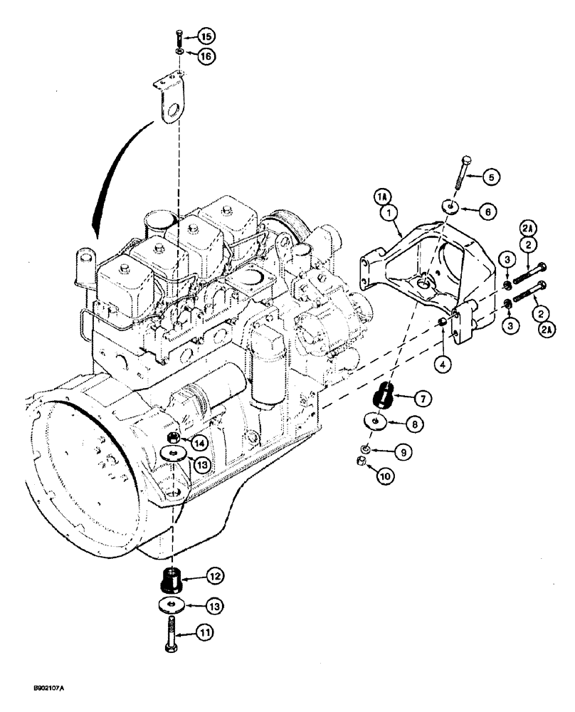
1

D123725

SUPPORT

- 60 mm long mounting bolt flange, engine, front, no longer available, order D150604 support, Ref. 1A

1шт.

1a

D150604

SUPPORT

- 72 mm long mounting bolt flange, engine, front

1шт.

2

814-12090

BOLT,Hex, M12 x 1.75 x 90mm, Cl 8.8

- hex, 12 - 1.75 x 90 mm, D123725 support, if used

4шт.

2a

814-12100

BOLT,Hex, M12 x 1.75 x 100mm, Cl 8.8

D150604 support, if used Hex, M12 x 100, 8.8

4шт.

3

892-11012

LOCK WASHER,M12

WASHER, LOCK, M12

4шт.

4

A170309

BUSHING,13.41mm ID x 18mm OD x 13.25mm L

SLEEVE - engine support, upper bolt holes

2шт.

5

413-844

BOLT,Hex, 1/2" - 13 x 2-3/4", Gr 5

- hex, 1/2 NC x 2-3/4 inch

2шт.

6

D126338

WASHER,13.1mm ID x 45mm OD x 4.5mm Thk

- flat, 13 mm x 45 mm x 5 mm, special

2шт.

7

D60627

ISOLATOR,50.8mm OD x 41.1mm L

INSULATOR - engine mount

2шт.

8

495-81270

WASHER,0.53" ID x 2.25" OD x 0.13" Thk

- flat, 17/32 x 2-1/4 x 7/64 inch

2шт.

9

495-11053

WASHER,1/2", SAE

(17/32" x 1-1/16" x 5/64") 1/2", SAE

2шт.

10

231-1448

NUT,1/2"-13, GB

- light hex, self-locking, 1/2 inch NC

2шт.

11

413-1056

BOLT,Hex, 5/8" - 11 x 3-1/2", Gr 5

2шт.

12

D133316

RUBBER MOUNTING,63.5mm OD x 50.8mm L

INSULATOR - engine mount, rubber, rear

2шт.

13

CASD35009

WASHER,16.67mm ID x 63.5mm OD

- flat, special, 5/8 inch, hardened

4шт.

14

425-1010

NUT,5/8"-11, G5

2шт.

15

814-10020

BOLT,Hex, M10 x 1.5 x 20mm, Cl 8.8, Full Thd

Used to Attach Lift Bracket to Exhaust Manifold Hex, M10 x 20, 8.8, Full Thd

1шт.

16

895-11010

WASHER,11mm ID x 20mm OD x 2mm Thk

- flat, 11 x 21 x 2 mm

1шт.

Выбрано товаров: 18