Запчасти Case 590 (9-103J) - SUSPENSION SEAT PEDESTAL, WEIGHT ADJUSTER, AND SUSPENSION (09) - CHASSIS/ATTACHMENTS

Схема запчастей Case 590 - (9-103J) - SUSPENSION SEAT PEDESTAL, WEIGHT ADJUSTER, AND SUSPENSION (09) - CHASSIS/ATTACHMENTS
1
7
9
2
10
3
11
1
3
1
11
1
11
1
12
4
2
1
1
1
14
2
8
14
5
6
4
14
12
1
13
3
5
7
7
2
5
11
2
5
1
5
1
1
12
14
1
1
3
1
7
1
7
2
2
1
2
1
11
12
4
5
1
13
3
7
8
8
8
1
14
4
1
14
11
1
2
4
1
1
1
12
1
15
FIT
1:1
100%

Артикул

Название

Примечание

Количество

102795A2

SEAT

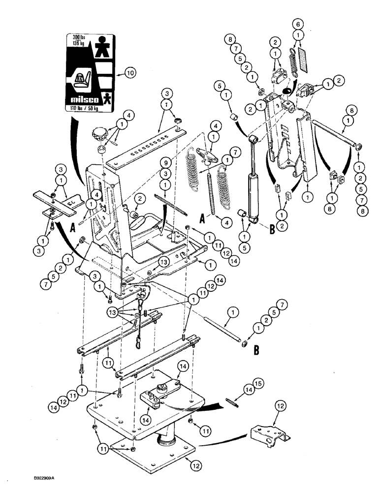
ASSEMBLY - suspension, cloth, includes seat, armrests, suspension, pedestal, and weight adjuster on figures 9-103E and 9-103L, individual component parts NSS, for service order respective component kits (replaces 102795A1), Includes: Ref. 1 - 15

1шт.

108114A2

SEAT

ASSEMBLY - suspension, vinyl, includes seat, armrests, suspension, pedestal, and weight adjuster on figures 9-103E and 9-103L, individual component parts NSS, for service order respective component kits (replaces 108114A1), Includes: Ref. 1 - 15

1шт.

1

116549A1

KIT

- suspension, includes parts from seat frame to adjuster slides, see additional parts on figure 9-103E, Ref. 8

1шт.

2

116539A1

KIT

- plastic components, also see additional kit parts on figure 9-103E, Ref. 9

1шт.

3

116521A1

KIT

- fore/aft, adjuster latch, also includes tie straps shown on figure 9-103E

1шт.

4

116535A1

KIT

weight adjusting, includes rubber height control handle grip

1шт.

Also includes (10) shroud plastic retainers, (2) washers, and (2) tie straps shown on figure 9-103E

1шт.

5

116533A1

KIT

suspension damper, includes rubber height control handle grip

1шт.

Also includes (10) shroud plastic retainers, (2) washers, and (2) tie straps shown on figure 9-103E

1шт.

6

116547A1

KIT

- height adjusting spring, see additional kit parts on figure 9-103E, Ref. 10

1шт.

7

116537A1

KIT

main extension springs, suspension, includes rubber height control handle grip

1шт.

Also includes (10) shroud plastic retainers, (2) washers, and (2) tie straps shown on figure 9-103E

1шт.

8

116551A1

WHEEL BEARING KIT

KIT - upper suspension tower shaft, also includes (10) shroud plastic retainers and (2) washers shown on figure 9-103E

1шт.

9

116545A1

KIT

- fore/aft latch spring, also includes (2) tie straps shown on figure 9-103E

1шт.

10

116534A1

KIT

- decal, weight

1шт.

11

116522A1

KIT

- fore/aft adjuster slides, also includes (2) tie straps shown on figure 9-103E

1шт.

12

116538A2

KIT

- pedestal, seat support, includes 119211A1 switch mounting bracket, Ref. 11 on figure 9-103A (replaces 116538A1)

1шт.

13

116552A1

KIT

- cable, includes hardware for both ends of cable

1шт.

14

116550A1

KIT

- swivel latch bar, pedestal

1шт.

15

116548A1

KIT

- swivel latch spring only

1шт.

Выбрано товаров: 20