Запчасти Case 590 (9-128) - CAB BLOWER (09) - CHASSIS/ATTACHMENTS

Схема запчастей Case 590 - (9-128) - CAB BLOWER (09) - CHASSIS/ATTACHMENTS
16
7
11
8
14
11
10
11
13
4
12
15
6
3
1
8
9
8
8
12
5
2
FIT
1:1
100%

Артикул

Название

Примечание

Количество

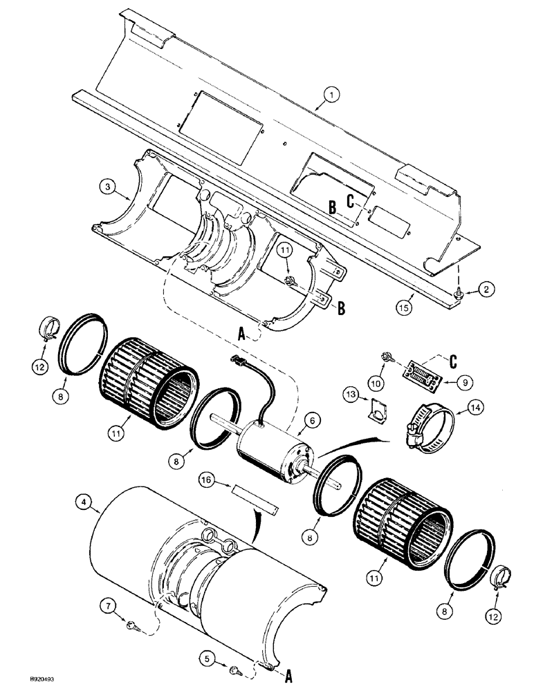
1

D126301

BRACKET

- blower mounting

1шт.

2

281-54712

SCREW,Hex Wshr Hd, 1/4" - 20 x 3/4"

- Self tapping, hex washer, 1/4 NC x 3/4 inch

5шт.

3

F64740

HOUSING

- fans, lower

1шт.

4

F64741

HOUSING

- fans, upper

1шт.

5

1327506C1

SELF-TAP SCREW,Cross Pan Hd, M4.8 x 19mm, Coated

SCREW, SELF TAP, Cross Pan Hd, M4.8 x 19, Coated

8шт.

6

R54415

MOTOR, ELECTRIC

MOTOR - blower, 12 volt

1шт.

7

187-1928

SELF-TAP SCREW,Cross Pan Hd, #10 x 1"

SCREW - self-tapping, pan Phillips, No. 10-16 x 1 inch

4шт.

8

F64739

RING

- plastic, fan retaining

4шт.

9

F44900

RESISTOR

- blower

1шт.

10

280-1458

SELF-TAP SCREW,Hex Wash Hd, #10 x 1/2"

SCREW - self-tapping, hex washer head, No. 10-16 x 1/2 inch

2шт.

11

F64935

BLOWER,Fan

FAN - blower

2шт.

12

F64936

CLAMP

- steel spring

2шт.

13

R51563

CLIP,ELECTRICAL

CLIP - motor retaining clamp

1шт.

14

214-1440

HOSE CLAMP,#40, 2.06" - 3", Type F Worm

CLAMP - adj, 2-1/16 - 3 inch dia, motor retaining

1шт.

15

1987098C1

FOAM

SEAL - 1-1/16 (25) x 15/64 (6) x 37-51/64 inch (960 mm), cut from 1340329C1 bulk seal, see below, foam, blower mounting, Serial Range: bracket-cab

1шт.

16

1999608C1

GASKET

- 38 x 102 x 2 mm thick

2шт.

1340329C1

SEAL

- bulk, foam, 600 inch (15240 mm) long

1шт.

Выбрано товаров: 17