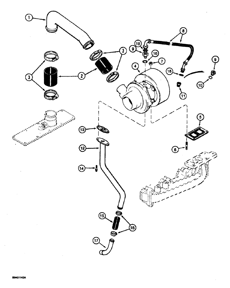
Запчасти Case 590 (2-22) - TURBOCHARGER SYSTEM, 4T-390 ENGINE (02) - ENGINE

Схема запчастей Case 590 - (2-22) - TURBOCHARGER SYSTEM, 4T-390 ENGINE (02) - ENGINE
8
11
1
18
3
14
3
4
9
5
16
9
12
2
10
6
7
10
15
17
18
13
FIT
1:1
100%

Артикул

Название

Примечание

Количество

1

J906623

TUBE,2 mm OD x 299.8 mm L

- air intake

1шт.

2

J916166

INTAKE AIR HOSE

HOSE - crossover

2шт.

3

214-1428

HOSE CLAMP,#28, 1.31" - 2.25", Type F Worm

CLAMP, HOSE, , Adjustable #28, 1.31/2.25 Type F Worm

4шт.

4

REF

INSTRUCTION

TURBOCHARGER ASSEMBLY - engine, parts list figure 2-24

1шт.

5

J901356

GASKET,0.5mm Thk

-, Serial Range: turbocharger-manifold

1шт.

6

J818823

STUD

- turbocharger mounting, M10 x 40

4шт.

7

J818824

FLANGE NUT

- hex, stud, 10 mm - 1.5

4шт.

8

J913759

HOSE

Turbocharger Oil Supply

1шт.

9

J919687

HYD CONNECTOR

ADAPTER - female hex, replaces J916857 adapter, one used to connect turbocharger oil supply hose to J919135 turbocharger, one used on J918954 oil filter head, Engine Serial Number 44475085 and after, Includes: Ref. 10

1-2шт.

10

238-5013

O-RING,0.07" Thk x 0.426" ID, -13, Cl 5, 75 Duro

-013, 70 Duro, .426" ID x .070" Thk

1шт.

11

A77457

FITTING

ADAPTER - female hex, used on J915243 oil filter head, prior to Engine Serial Number 44475085

1шт.

12

J903740

TUBE

- turbocharger oil drain

1шт.

13

J914388

GASKET

- drain tube

1шт.

14

845-8020

BOLT,Hvy Hex, M8 x 20mm, Cl 8.8

- heavy hex flange, 8 - 1.25 x 20 mm

2шт.

15

J903745

LARGE HOSE

HOSE - turbocharger oil drain

1шт.

16

214-1416

HOSE CLAMP,#16, 0.81" - 1.5", Type F Worm

CLAMP, HOSE, , Adj. #16, 0.81/1.50 Type F Worm

2шт.

17

J903744

PIPE FITTING,22.42 mm ID x 28 mm OD x 90.2, 64 mm L

TUBE - oil drain, turbocharger, pressed into block

1шт.

18

222-993

GASKET,3/8 Tube, Fl, Copper

2шт.

Выбрано товаров: 18