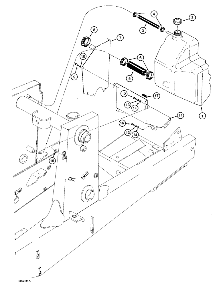
Запчасти Case 590 (3-04) - FUEL RESERVOIR (03) - FUEL SYSTEM

Схема запчастей Case 590 - (3-04) - FUEL RESERVOIR (03) - FUEL SYSTEM
6
9
1
11
10
4
13
15
17
2
7
8
5
3
16
14
14
13
12
FIT
1:1
100%

Артикул

Название

Примечание

Количество

1

D150281

FUEL TANK

RESERVOIR - fuel

1шт.

2

A51390

CAP

Fuel, 1/4 turn

1шт.

2

D150282

CAP

Fuel, Thread on

1шт.

3

D145006

FUEL HOSE

HOSE - 16 mm ID x 225 mm long, vent, auxiliary tank to main tank

1шт.

4

214-1410

HOSE CLAMP,#10, 0.56" - 1.06", Type F Worm

CLAMP, HOSE, , Adjustable (Replaces 214-255) #10, 0.56/1.06 Type F Worm

2шт.

5

D144922

FUEL HOSE

HOSE - 38 mm ID x 195 mm long, fuel fill, auxiliary tank to main fuel tank

1шт.

6

214-1428

HOSE CLAMP,#28, 1.31" - 2.25", Type F Worm

CLAMP, HOSE, , Adjustable #28, 1.31/2.25 Type F Worm

2шт.

7

D145020

PLATE

- auxiliary tank mounting, side

1шт.

8

214-1464

HOSE CLAMP,#64, 3.56" - 4.5", Type F Worm

CLAMP, HOSE, , Adj., Plate to cross tube #64, 3.56/4.50 Type F Worm

1шт.

9

281-14812

SELF-TAP SCREW,Hex Washer, 5/16" - 18 x 3/4"

BOLT - hex washer head, self-tapping, 5/16 NC x 3/4 inch, replaces D141589

4шт.

10

492-11031

LOCK WASHER,5/16"

WASHER, LOCK, 5/16"

4шт.

11

D145018

BRACKET

- auxiliary tank mounting, lower

1шт.

12

413-614

BOLT,Hex, 3/8" - 16 x 7/8", Gr 5

1шт.

13

492-11038

LOCK WASHER,3/8"

3шт.

14

495-11041

WASHER,0.406" ID x 0.812" OD x 0.065" W

(Flat, 13/32 x 13/16 x 1/16") 3/8", SAE

3шт.

15

84899

SQUARE NUT,Sq, 3/8"-16, G2

- square, 3/8 inch NC

3шт.

16

413-612

BOLT,Hex, 3/8" - 16 x 3/4", Gr 5

2шт.

17

D36180

LINING

TRIM - edge, 2-1/4 inch (57 mm) long, cut to required length from F42827 trim, see below

1шт.

F42827

TRIM,2946.4mm L

TRIM - edge, 116 inch (2946 mm) long, bulk

1шт.

Выбрано товаров: 19