Запчасти Case 590 (4-14) - AIR CONDITIONING COMPRESSOR MOUNTING (04) - ELECTRICAL SYSTEMS

Схема запчастей Case 590 - (4-14) - AIR CONDITIONING COMPRESSOR MOUNTING (04) - ELECTRICAL SYSTEMS
19
17
16
12
17
2
22
1
23
15
3
14
25
11
16
21
18
7
6
4
9
23
26
21
6
20
18
5
15
13
18
19
8
24
20
18
10
FIT
1:1
100%

Артикул

Название

Примечание

Количество

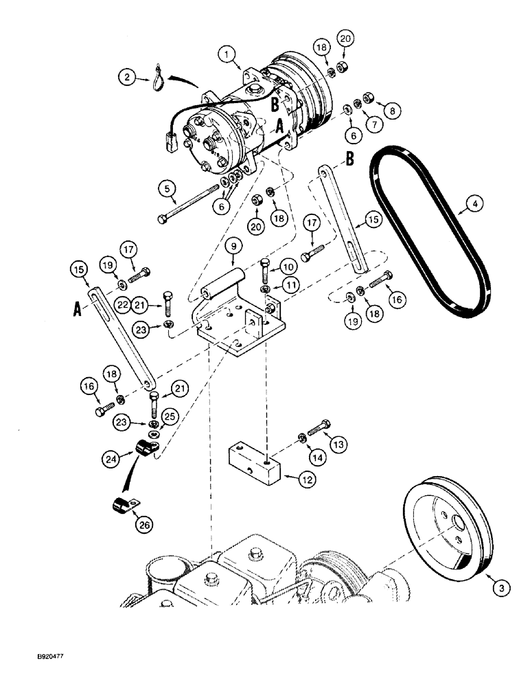
1

97204C1

COMPRESSOR

ASSEMBLY - air conditioning, parts list figure 4-10

1шт.

97204C1R

COMPRESSOR

Reman compressor

1шт.

97204C1C

COMPRESSOR

Return Number

1шт.

1

1977959C1R

REMAN-A/C COMPRESSOR

Reman For New PN 97204C1

1шт.

1

1977959C1C

CORE-A/C COMPRESSOR

Return Number

1шт.

2

L18337

CABLE TIE,9.95"-12.1" lg

STRAP - tie, 15 inch, nylon

2шт.

3

A189284

PULLEY,151mm OD

- air conditioner compressor drive

1шт.

4

A189285

V-BELT,12.70 mm W x 1060.00 mm L

Drive, Compressorr 12.70 mm W x 1060.00 mm L

1шт.

5

827-10130

BOLT,Hex, M10 x 1.5 x 130mm, Cl 10.9

- hex, 10 - 1.5 x 130 mm, class 10.9

1шт.

6

895-11010

WASHER,11mm ID x 20mm OD x 2mm Thk

- flat, 11 x 21 x 2 mm (Replaces 895-15010 washer)

4шт.

7

892-11010

LOCK WASHER,M10

1шт.

8

825-1410

NUT,M10, Cl 8

1шт.

9

A189274

SUPPORT

BRACKET - compressor mounting

1шт.

10

614-10030

BOLT,Hex, M10 x 1.5 x 30mm, Cl 8.8, Full Thd

2шт.

11

892-11010

LOCK WASHER,M10

2шт.

12

A184614

SUPPORT

BLOCK - bracket support

1шт.

13

814-10040

BOLT,Hex, M10 x 1.5 x 40mm, Cl 8.8

- hex, 10 - 1.5 x 40 mm

1шт.

14

892-11010

LOCK WASHER,M10

1шт.

15

A184932

TENSIONER

STRAP - compressor adjusting

2шт.

16

614-10030

BOLT,Hex, M10 x 1.5 x 30mm, Cl 8.8, Full Thd

2шт.

17

614-10035

BOLT,Hex, M10 x 1.5 x 35mm, Cl 8.8, Full Thd

- hex, 10 - 1.5 x 35 mm

2шт.

18

892-11010

LOCK WASHER,M10

4шт.

19

895-11010

WASHER,11mm ID x 20mm OD x 2mm Thk

- flat, 11 x 21 x 2 mm (Replaces 895-15010 washer)

2шт.

20

825-1410

NUT,M10, Cl 8

2шт.

21

614-10030

BOLT,Hex, M10 x 1.5 x 30mm, Cl 8.8, Full Thd

Use 3 with naturally aspirated engines Hex, M10 x 30, 8.8

1-3шт.

22

614-10035

BOLT,Hex, M10 x 1.5 x 35mm, Cl 8.8, Full Thd

- hex, 10 - 1.5 x 35 mm, use with turbocharged engines

2шт.

23

892-11010

LOCK WASHER,M10

3шт.

24

515-2363

CLAMP,M6.3, Insul, 3/8" Bolt

- P-type, closed, 6.35 mm ID, main engine harness to compressor bracket, if used

1шт.

25

895-11010

WASHER,11mm ID x 20mm OD x 2mm Thk

- flat, 11 x 21 x 2 mm (Replaces 895-15010 washer)

1шт.

26

D147383

CLIP,5/8" J

CLAMP - J-type, if used

1шт.

Выбрано товаров: 30