Запчасти Case 590 (4-22) - BATTERIES AND CABLES, COLD START SYSTEM (04) - ELECTRICAL SYSTEMS

Схема запчастей Case 590 - (4-22) - BATTERIES AND CABLES, COLD START SYSTEM (04) - ELECTRICAL SYSTEMS
4
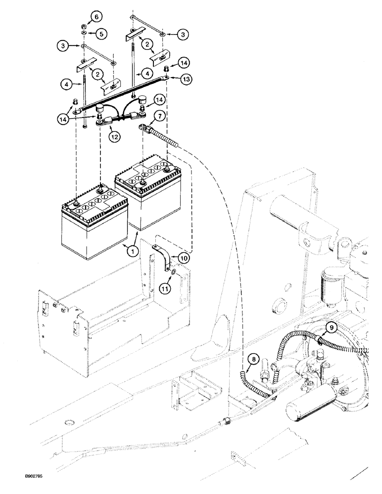
1
14
11
10
14
3
7
9
8
12
2
2
4
3
14
5
13
6
FIT
1:1
100%

Артикул

Название

Примечание

Количество

1

BMF28S

BATTERY, DRY

BATTERY - 12 volt, dry, service replacement

2шт.

For battery used on models without cold start system, see figure 4-18.

1шт.

2

D125079

BRACKET

- battery hold down

4шт.

3

D55561

RETAINER

- battery

2шт.

4

424-6160

BOLT,Hex, 3/8" - 16 x 10", Gr 2

- hex, 3/8 NC x 10 inch, grade 2

4шт.

5

495-11041

WASHER,0.406" ID x 0.812" OD x 0.065" W

(Flat, 13/32 x 13/16 x 1/16") 3/8", SAE

4шт.

6

231-1446

NUT,3/8" - 16, Gr 5

NUT - hex, self-locking, 3/8 inch NC, grade 8

4шт.

7

D150245

CABLE

- 1650 mm long, positive to starter (replaces D146863 1600 mm long cable)

1шт.

8

D150223

GUARD

SLEEVE - 1525 mm long, positive cable, guard

1шт.

9

D150224

CLAMP

- cable to torque converter housing

1шт.

10

D140369

GROUND STRAP,260mm L

STRAP - 260 mm long, negative ground to battery box

1шт.

11

493-11039

LOCK WASHER,3/8", Int-Ext Tooth

WASHER - internal-external tooth lock, 3/8 inch, at ground strap mounting to battery box

1шт.

12

D145898

CABLE

- 170 mm long, positive jumper

1шт.

13

D150516

CABLE

- 500 mm long, negative jumper (replaces D145899 425 mm long cable)

1шт.

14

D126409

NUT,Hex, M14, 20mm OD, 3/8" - 16

- hex, 3/8 NC, special, battery terminal

4шт.

Выбрано товаров: 15