Запчасти Case 590 (4-26) - SIDE CONSOLE WIRING HARNESS AND CONNECTIONS (04) - ELECTRICAL SYSTEMS

Схема запчастей Case 590 - (4-26) - SIDE CONSOLE WIRING HARNESS AND CONNECTIONS (04) - ELECTRICAL SYSTEMS
21
18a
25
23
7
11
8
19
1a
10
1
9
3
13
22
5
14
18
24
22
16
12
20
10
17
15
9
4
2
6
7
10
13
FIT
1:1
100%

Артикул

Название

Примечание

Количество

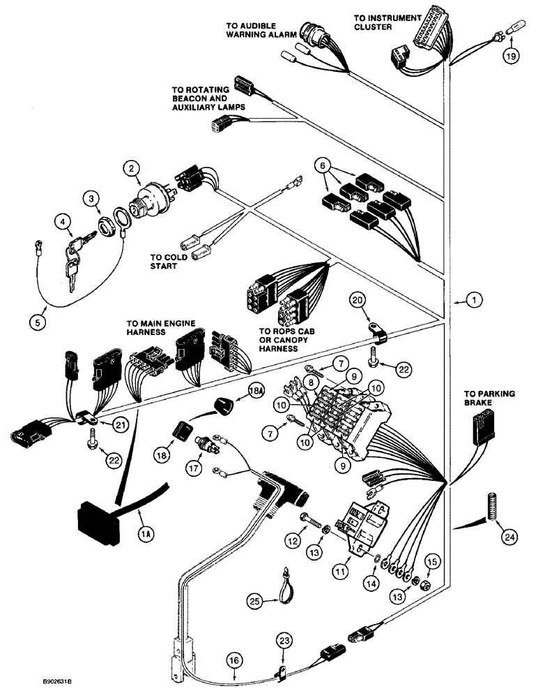
1

D147040

HARNESS

- side console, used with D146664 alarm wire, Ref. 12 on figure 4-50 on models with audible warning alarm, Serial Range: -JJG0206513

1шт.

1a

110884A1

HARNESS

- side console, includes wiring for audible warning alarm, D146664 alarm wire, Ref. 12 on figure 4-50 not required with this harness, (replaces 101597A1), Start Serial: JJG0206513

1шт.

D134737

IGNITION SWITCH

SWITCH ASSEMBLY - key, includes keys, Includes: Ref. 2 - 4

1шт.

245435C1

FUSE HOLDER

BLOCK

3шт.

2

NSS

NOT SOLD SEPARAT

SWITCH - key, without keys

1шт.

3

A77314

NUT

- key switch mounting

1шт.

4

A77313

SET OF 2 KEYS

KEY - set of two; metal without padding

1шт.

5

D144977

ELECTRICAL WIRE

WIRE - ground, key switch, uses existing hardware

1шт.

6

L71879

DIODE ELEMENT,400V, 3A

DIODE - alternator protecting

3шт.

7

281-45510

SELF-TAP SCREW,Hex Wash Hd, #10 x 5/8"

SCREW - self-tapping, hex washer head, No. 10 NC x 5/8 inch

6шт.

8

A149803

FUSE,25 Amp

- 25 amperes

1шт.

9

A149800

FUSE,10 Amp

- 10 ampere (red)

2шт.

10

A149801

FUSE,Lt Blue, 15 Amp

- 15 ampere (light blue)

5шт.

11

1546541C1

RELAY

- switch, 75 ampere (replaces D144471 relay)

1шт.

12

413-416

BOLT,Hex, 1/4" - 20 x 1", Gr 5

- hex, 1/4 NC x 1 inch

2шт.

13

492-11025

LOCK WASHER,1/4"

WASHER, LOCK, , 2 of the 3 washers are at the lower mounting hole 1/4"

3шт.

14

493-11026

LOCK WASHER,Ext-Int Tooth, 1/4"

lower mounting hole only Ext-Int Tooth, 1/4"

1шт.

15

193-1006

NUT,Keps, w/LW, 1/4"-20

ASSEMBLY - includes washer, 1/4 inch, NC

2шт.

16

D150166

HARNESS

- transaxle shift lever switch to side console harness

1шт.

17

D141486

SWITCH

- clutch cutout, transaxle shift lever handle

1шт.

18

D140149

PROTECTOR

COVER - switch, square, if used

1шт.

18a

D138252

BOOT

COVER - switch, round, if used

1шт.

19

D71346

TAIL LAMP,12V

BULB - warning, No. 168, transmission filter

1шт.

20

515-23254

CLAMP,1", Insul, 3/8" Bolt

P-type, Harness, closed, 25.4 mm ID 1", Insul, 3/8" Bolt

1шт.

21

515-23190

CLAMP,3/4", Insul, 3/8" Bolt

- P-type, harness, closed, 3/4 inch ID

1шт.

22

281-14812

SELF-TAP SCREW,Hex Washer, 5/16" - 18 x 3/4"

SCREW - self-tapping, hex washer head, 5/16 NC x 3/4 inch, retains side console harness clamps to underside of chassis, (replaces D141589 bolt)

1-2шт.

23

515-23190

CLAMP,3/4", Insul, 3/8" Bolt

- harness, closed, 3/4 inch ID, uses side console hardware for mounting, if used (replaces 49771)

1шт.

24

D150427

SLEEVE

GUARD - 150 mm long, sleeve, harness, cut to required length from D99461, see below

1шт.

25

L18337

CABLE TIE,9.95"-12.1" lg

STRAP - tie, relay (replaces A169433)

1шт.

D99461

LOOM

GUARD - 2032 mm long, sleeve, bulk

1шт.

Выбрано товаров: 0