Запчасти Case 590 (4-38) - CANOPY TRACTOR LAMPS, FRONT DRIVING, REAR FLOOD, AND OPTIONAL FRONT & REAR WORK LAMPS (04) - ELECTRICAL SYSTEMS

Схема запчастей Case 590 - (4-38) - CANOPY TRACTOR LAMPS, FRONT DRIVING, REAR FLOOD, AND OPTIONAL FRONT & REAR WORK LAMPS (04) - ELECTRICAL SYSTEMS
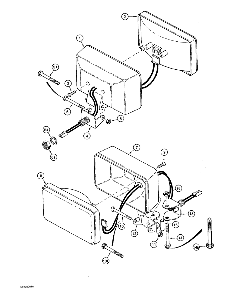
6b
10a
14a
16
5
8
6a
6
7
11
3
12
13
14
10
5a
1
4
2
15
9
FIT
1:1
100%

Артикул

Название

Примечание

Количество

D132681

LAMP,Halogen, 12V, 50W, Clear

ASSEMBLY - front driving, Includes: Ref. 1 - 6B

2шт.

1

NSS

NOT SOLD SEPARAT

HOUSING - lamp, front driving assembly

1шт.

2

91946C1

LAMP

BULB - sealed beam, front driving lamp assembly

1шт.

3

273-10510

SELF-TAP SCREW,Slotted Flat Hd, #10 x 5/8"

SCREW - self-tapping, flat slotted, No. 10-16 x 5/8 inch, front driving lamp assembly

2шт.

4

N14284

BRACKET

- lamp, front driving assembly

1шт.

5

182-211

SCREW,Sl Pan Hd, 1/4" - 20 x 2"

- machine, pan head slotted, 1/4 NC x 2 inch, housing to bracket, production, front driving lamp assembly

1шт.

5a

413-432

BOLT,Hex, 1/4" - 20 x 2", Gr 5

Service, front driving lamp assembly Hex, 1/4"-20 x 2", G5

1шт.

6

231-1444

NUT,1/4"-20, GB

NUT, LOCK, (Replaces 131-71), Front Driving Lamp Assembly 1/4"-20, GB

1шт.

6a

80679

LOCK WASHER,1/20.507 CST ZND

WASHER, LOCK, , Front driving lamp assembly 1/2"

1шт.

6b

425-108

NUT,1/2" - 13, Gr 5

NUT, , Hex, Front driving lamp assembly 1/2"-13, G5

1шт.

D132682

HEADLIGHT,Halogen, 12V, 50W, Clear

LAMP ASSEMBLY - rear flood (outer) and optional front and rear work lamps, Includes: Ref. 7 - 16

2-6шт.

7

NSS

NOT SOLD SEPARAT

HOUSING - lamp, rear flood lamp assembly and optional front and rear work lamps

1шт.

8

91947C1

LAMP

BULB - sealed beam, rear flood lamp assembly and optional front and rear work lamps

1шт.

9

273-10510

SELF-TAP SCREW,Slotted Flat Hd, #10 x 5/8"

SCREW - self-tapping, flat slotted, No. 10-16 x 5/8 inch, rear flood lamp assembly and optional front and rear work lamps

2шт.

10

182-211

SCREW,Sl Pan Hd, 1/4" - 20 x 2"

- machine, pan head slotted, 1/4 NC x 2 inch, housing to bracket, production, rear flood lamp assembly and optional front and rear work lamps

1шт.

10a

413-432

BOLT,Hex, 1/4" - 20 x 2", Gr 5

Service, rear flood lamp assembly and optional front and rear work lamps Hex, 1/4"-20 x 2", G5

1шт.

11

231-1444

NUT,1/4"-20, GB

NUT, LOCK, (Replaces 131-71), Rear Flood Lamp Assembly and Optional Front and Rear Work Lamps 1/4"-20, GB

1шт.

12

N14285

SUPPORT

BRACKET - mounting, lamp, rear flood lamp assembly and optional front and rear work lamps

1шт.

13

A52216

SUPPORT

BRACKET - mounting, lamp, includes stud, rear flood lamp assembly and optional front and rear work lamps

1шт.

14

413-536

BOLT,Hex, 5/16" - 18 x 2-1/4", Gr 5

- hex flange, self-locking, 5/16 NC x 2-1/4 inch, black, special, production, rear flood lamp assembly and optional front and rear work lamps

1шт.

14a

413-536

BOLT,Hex, 5/16" - 18 x 2-1/4", Gr 5

- hex, 5/16 NC x 2-1/4 inch, service, rear flood lamp assembly and optional front and rear work lamps

1шт.

15

A52219

SPACER

- bracket, rear flood lamp assembly and optional front and rear work lamps

1шт.

16

231-1445

NUT,5/16"-18, GB

NUT - hex, self-locking, 5/16 inch NC (replaces 131-69), rear flood lamp assembly and optional front and rear work lamps

1шт.

Выбрано товаров: 23