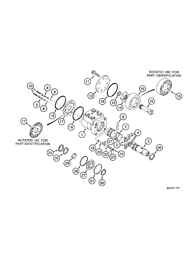
Запчасти Case 590 (5-13A) - STEERING CONTROL VALVE (05) - STEERING

Схема запчастей Case 590 - (5-13A) - STEERING CONTROL VALVE (05) - STEERING
1
16
26
28
21
15
15
25
18
27
5
26
24
9
18
29
18
13
12
3
20
14
17
23
30
2
4
9
8
6
10
31
11
19
22
8
17
FIT
1:1
100%

Артикул

Название

Примечание

Количество

135999A1

PUMP, HYDRAULIC

VALVE ASSEMBLY - steering control, Eaton No. 263-1146-002, Includes: Ref. 1 - 31

1шт.

1

NSS

NOT SOLD SEPARAT

HOUSING - control valve

1шт.

2

NSS

NOT SOLD SEPARAT

SLEEVE - control valve

1шт.

3

NSS

NOT SOLD SEPARAT

SPOOL - control valve

1шт.

N14250

KIT

- centering spring, Includes: Ref. 4 and 5

1шт.

4

NSS

NOT SOLD SEPARAT

SPRING - centering, six in kit

4шт.

5

NSS

NOT SOLD SEPARAT

SPACER - spring

2шт.

6

L30888

PIN

- centering

1шт.

8

211-204

BALL

- 3/16 inch, grade 25, chrome alloy steel, anticavitation

2шт.

9

136494A1

PLUG

RETAINER - spring, anticavitation

2шт.

10

N14763

SPRING

- anticavitation

2шт.

11

136586A1

SCREW,6 Pt, Torx Hd, 5/16" - 24 x 1 3/4"

BOLT - Torx head, 6 point, 5/16 NF x 1-3/4 inch

7шт.

12

135867A1

CAP

- end, without O-ring groove

1шт.

13

K964246

SPACER

- drive shaft

1шт.

N14154

ROTOR

SET - gerotor, control valve, Includes: Ref. 14 and 15

1шт.

14

NSS

NOT SOLD SEPARAT

ROTOR - control valve

1шт.

15

NSS

NOT SOLD SEPARAT

STATOR - control valve

1шт.

16

L30878

DRIVE SHAFT

SHAFT - drive, steering control valve

1шт.

17

135869A1

PLATE

- spacer, with O-ring groove

1шт.

18

238-5040

O-RING,0.07" Thk x 2.864" ID, -40, Cl 5, 75 Duro

-040, 70 Duro, 2.864" ID x .070" Thk, Cover and housing

3шт.

Part of low torque seal kit P/N 1343658C3.

1шт.

19

L35368

RETAINER

- check ball

1шт.

20

211-208

BALL,5/16" Dia

- 5/16 inch, grade 25, chrome alloy steel, check

1шт.

21

L30893

O-RING,1/16" Thk x 5/16" ID

7/16 x 5/16 x 1/16 in, seat, inner

1шт.

Part of low torque seal kit P/N 1343658C3.

1шт.

22

D82806

VALVE SEAT

SEAT - check ball

1шт.

23

238-5012

O-RING,0.07" Thk x 0.364" ID, -12, Cl 5, 75 Duro

-012, 70 Duro, .364" ID x .070" Thk, Seat, outer (Replaces N8539 seal)

1шт.

Part of low torque seal kit P/N 1343658C3.

1шт.

24

D82805

SET SCREW

- hex socket, special

1шт.

25

G13609

THRUST BEARING,25.4mm ID x 39.67mm OD x 1.98mm W

BEARING, THRUST - Needle, Spool

1шт.

26

D82804

RACE

WASHER - thrust, bearing

2шт.

27

N13312

CYLINDER END CAP

RETAINER - spool seal

1шт.

28

238-5225

O-RING,0.139" Thk x 1.859" ID, -225, Cl 5, 75 Duro

Seal retainer -225, 70 Duro, 1.859" ID x .139" Thk

1шт.

Part of low torque seal kit P/N 1343658C3.

1шт.

29

NSS

NOT SOLD SEPARAT

SEAL - spool, inner

1шт.

Part of low torque seal kit P/N 1343658C3.

1шт.

30

697494R91

OIL SEAL

SEAL - 1 inch ID, spool, outer, replaces A28211

1шт.

Part of low torque seal kit P/N 1343658C3.

1шт.

31

S110169

WASHER

RING - retaining, seal retainer

1шт.

1343658C3

SEAL KIT

KIT - seal, low torque, Includes: Ref. 18, 21, 23 and 28 - 30

1шт.

Выбрано товаров: 40