Запчасти Case 590 (6-18) - 1343543C2 TRANSAXLE ASSEMBLY, POWER SHUTTLE, VALVE ASSEMBLY (06) - POWER TRAIN

Схема запчастей Case 590 - (6-18) - 1343543C2 TRANSAXLE ASSEMBLY, POWER SHUTTLE, VALVE ASSEMBLY (06) - POWER TRAIN
14
37
18
11
23
31
22
33
8
9
29
4
1
15
25
32
35
30
10
7
21
27
20
31a
3
6
16
17
19
12
34
36
5
26
13
2
28
24
FIT
1:1
100%

Артикул

Название

Примечание

Количество

1343543C2

VALVE

ASSEMBLY power shuttle, if used, see Valve Assembly in Fig. 6-16, Includes: Ref. 1 - 35

1шт.

If valve with external tubing is replaced with P/N 1343543C2, do not use the external tube. Install a cap plug on tee fitting where tube was installed.

1шт.

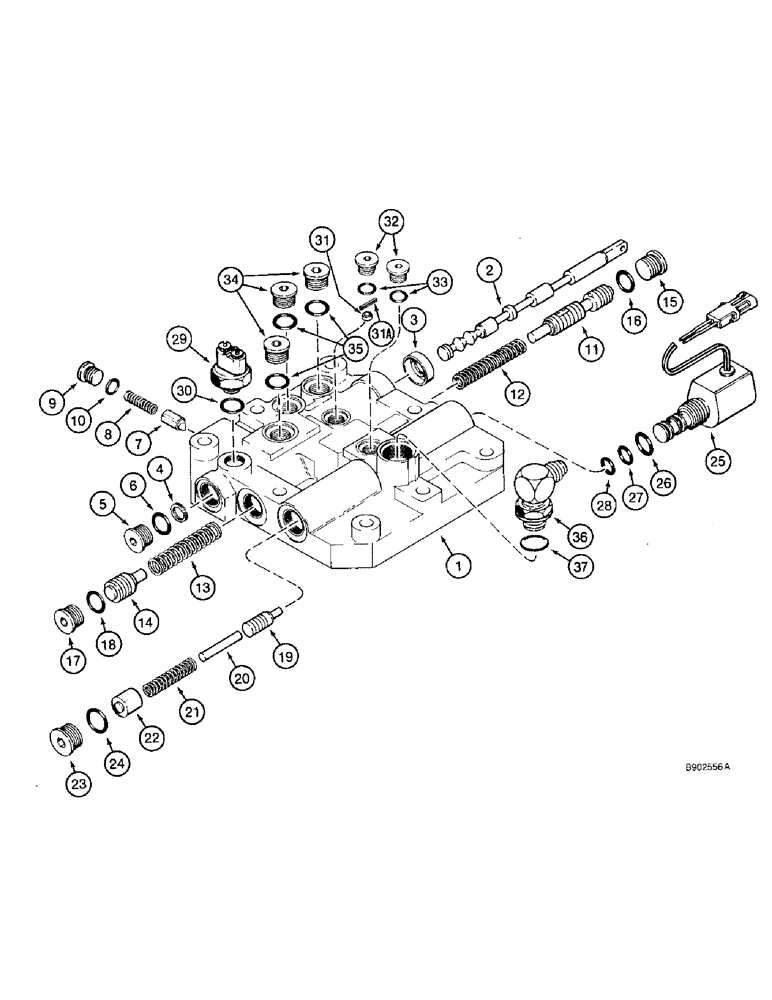
1

NSS

NOT SOLD SEPARAT

BODY - shuttle valve

1шт.

2

1343540C1

SPOOL

- selector

1шт.

3

A37558

SEAL,14.27mm ID x 28.7mm OD x 6.73mm Thk

- oil, shuttle valve

1шт.

4

A175093

SNAP RING,#56, Ext, Spiral

RING - retaining, spool

1шт.

5

71100209

PLUG,Hex Soc, 3/4"-16 ORB

Incl Ref 6 Hex Soc, 3/4"-16 ORB

1шт.

6

237-6008

O-RING,0.087" Thk x 0.644" ID, -908, Cl 6, 90 Duro

8-1, 90 Duro, .644" ID x .087" Thk

1шт.

7

1343539C1

SPOOL

PLUNGER - detent

1шт.

8

1343535C1

SPRING

- detent

1шт.

9

9625178

PLUG,9/16" - 18 ORB

Incl. Ref. 10 Hex Soc, 9/16"-18 ORB

1шт.

10

237-6006

O-RING,0.078" Thk x 0.468" ID, -906, Cl 6, 90 Duro

6-1, 90 Duro, .468" ID x .078" Thk

1шт.

11

1986755C1

SPOOL

- modulator

1шт.

12

1343533C1

VALVE SPRING

SPRING - modulator, inner

1шт.

13

1343532C1

SPRING

- modulator, outer

1шт.

14

1343541C1

PISTON

- modulator

1шт.

15

71100209

PLUG,Hex Soc, 3/4"-16 ORB

Incl Ref 16 Hex Soc, 3/4"-16 ORB

1шт.

16

237-6008

O-RING,0.087" Thk x 0.644" ID, -908, Cl 6, 90 Duro

8-1, 90 Duro, .644" ID x .087" Thk

1шт.

17

86625138

PLUG,7/18" - 14

Includes Ref. 18 Hex Soc, 7/8"-14 ORB

1шт.

18

237-6010

O-RING,0.097" Thk x 0.755" ID, -910, Cl 6, 90 Duro

10-1, 90 Duro, .755" ID x .097" Thk

1шт.

19

1343537C1

SPOOL

- pressure regulator

1шт.

20

20133R1

DOWEL,5/16" x 1 3/4"

PIN - pressure regulator

1шт.

21

1343534C1

SPRING

- pressure regulator

1шт.

22

A188228

PISTON

- regulator

1шт.

23

86625138

PLUG,7/18" - 14

Includes Ref. 24 Hex Soc, 7/8"-14 ORB

1шт.

24

237-6010

O-RING,0.097" Thk x 0.755" ID, -910, Cl 6, 90 Duro

10-1, 90 Duro, .755" ID x .097" Thk

1шт.

25

1971438C3

SOLENOID

VALVE ASSEMBLY - solenoid, Includes: Ref. 26 - 28

1шт.

26

237-6010

O-RING,0.097" Thk x 0.755" ID, -910, Cl 6, 90 Duro

10-1, 90 Duro, .755" ID x .097" Thk

1шт.

27

238-5015

O-RING,0.07" Thk x 0.551" ID, -15, Cl 5, 75 Duro

-015, 70 Duro, .551" ID x .070" Thk

1шт.

28

238-5014

O-RING,0.07" Thk x 0.489" ID, -14, Cl 5, 75 Duro

-014, 70 Duro, .489" ID x .070" Thk

1шт.

29

1983241C1

SWITCH

- neutral start, Includes: Ref. 30

1шт.

30

237-6006

O-RING,0.078" Thk x 0.468" ID, -906, Cl 6, 90 Duro

6-1, 90 Duro, .468" ID x .078" Thk

1шт.

31

1343538C1

PLUG

- cup, oil restrictor

1шт.

31a

38-12008

LOCK PIN,5/16" x 1/2", Slotted

Pin, 5/16" x 1/2", Slotted

1шт.

32

86529630

PLUG,Hex Soc, 3/8"-24 ORB

Includes Ref. 33 Hex Soc, 3/8"-24 ORB

2шт.

33

237-6003

O-RING,0.064" Thk x 0.301" ID, -903, Cl 6, 90 Duro

3-1, .301" ID x .064" Thk

1шт.

34

9625178

PLUG,9/16" - 18 ORB

Incl. Ref. 35 Hex Soc, 9/16"-18 ORB

3шт.

35

237-6006

O-RING,0.078" Thk x 0.468" ID, -906, Cl 6, 90 Duro

6-1, 90 Duro, .468" ID x .078" Thk

1шт.

36

218-5107

90 ELBOW,90 Degree Elbow, 7/8" - 14 Male JIC x 7/8" - 14 Male ORB

- 90 degree, 7/8-14 inch flare x adj. O-ring boss, Incl. Ref. 37

1шт.

37

237-6010

O-RING,0.097" Thk x 0.755" ID, -910, Cl 6, 90 Duro

10-1, 90 Duro, .755" ID x .097" Thk

1шт.

Выбрано товаров: 40