Запчасти Case 21 (22) - BACKHOE CONTROL LEVERS AND LINKAGE, HAND SWING CONTROL PARTS

Схема запчастей Case 21 - (22) - BACKHOE CONTROL LEVERS AND LINKAGE, HAND SWING CONTROL PARTS
FIT
1:1
100%

Артикул

Название

Примечание

Количество

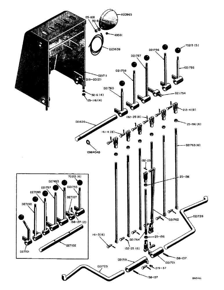
A20965

LAMP BASE

LIGHT - tail (12 volt)

1шт.

1/2" lockwasher (92-8)

1шт.

1/2" - 13 NC hex. nut (25-108)

1шт.

O8810AB

LAMP

LIGHT - tail (6 volt)

1шт.

1/2" lockwasher (92-8)

1шт.

1/2" - 13 NC hex. nut (25-108)

1шт.

O9640AB

X

RING - retaining (Type "E")

1шт.

49561

GROMMET,1/4" ID x 7/16" Groove Dia

- taillight wire

1шт.

70213

KNOB

- control lever

5шт.

D21626

SHAFT - control levers

1шт.

D21711

SHIELD - control rods

1шт.

3/8" lockwasher (92-6)

4шт.

3/8" - 24 NF hex. nut (25-116)

4шт.

1/4" - 28 NF straight grease fitting (219-20)

2шт.

D21719

RETAINER - foot pedal, R.H.

1шт.

1/4" x 1-3/8" roll pin (138-137)

1шт.

1/4" - 28 NF grease fitting, 45 degrees (219-37)

1шт.

D21721

RETAINER - foot pedal, L.H.

1шт.

1/4" x 1-3/8" roll pin (138-137)

1шт.

D21725

PEDAL - swing control, R.H. (Left swing)

1шт.

D21726

PEDAL - swing control, L.H. (Right swing)

1шт.

D21754

PIVOT - swing control

1шт.

D21755

LEVER - control, L.H. stabilizer

1шт.

D21756

LEVER - control, boom

1шт.

D21757

LEVER - control, dipper arm

1шт.

D21758

LEVER - control, bucket

1шт.

D21760

LEVER - control, R.H. stabilizer

1шт.

CONTROL LEVER YOKE (213-4)

9шт.

EYE PIN for 213-4 yoke (141-4)

8шт.

3/32" x 5/8" cotter pin (132-25)

8шт.

D21762

ROD

- control, swing (Front)

1шт.

3/32" x 5/8" cotter pin (132-25)

1шт.

D21763

ROD - control, Serial Range: levers-valve

6шт.

On machines with crossed control rods for bucket and dipper controls, replacement rods must be formed from straight rods in the field. See instruction sheet Burlington Form 9-70231.

1шт.

3/8" - 24 NF hex. jam nut (25-156)

6шт.

EYE PIN, control rod to valve (141-3)

6шт.

3/32" x 5/8" cotter pin (132-25)

6шт.

D21764

ROD - control, swing (Rear)

1шт.

3/8" - 24 NF hex. jam nut (25-156)

1шт.

D23639

WIRE - extension, taillight

1шт.

70213

KNOB

- control lever, hand swing parts

6шт.

D21755

LEVER - control, L.H. stabilizer, hand swing parts

1шт.

D21757

LEVER - control, bucket, hand swing parts

1шт.

D27099

LEVER - control, boom, hand swing parts

1шт.

D27100

LEVER - control, dipper, hand swing parts

1шт.

D27101

LEVER - control, R.H. stabilizer, hand swing parts

1шт.

D27102

SHAFT - control lever, hand swing parts

1шт.

D27107

ARM - lever, boom control, hand swing parts

1шт.

1/4" x 1-3/8" roll pin (138-137) hand swing control parts

2шт.

D27453

LEVER - control, swing, hand parts

1шт.

Выбрано товаров: 50