Запчасти Case 21 (24) - BASIC BACKHOE HYDRAULICS AND PUMP DRIVE

Схема запчастей Case 21 - (24) - BASIC BACKHOE HYDRAULICS AND PUMP DRIVE
FIT
1:1
100%

Артикул

Название

Примечание

Количество

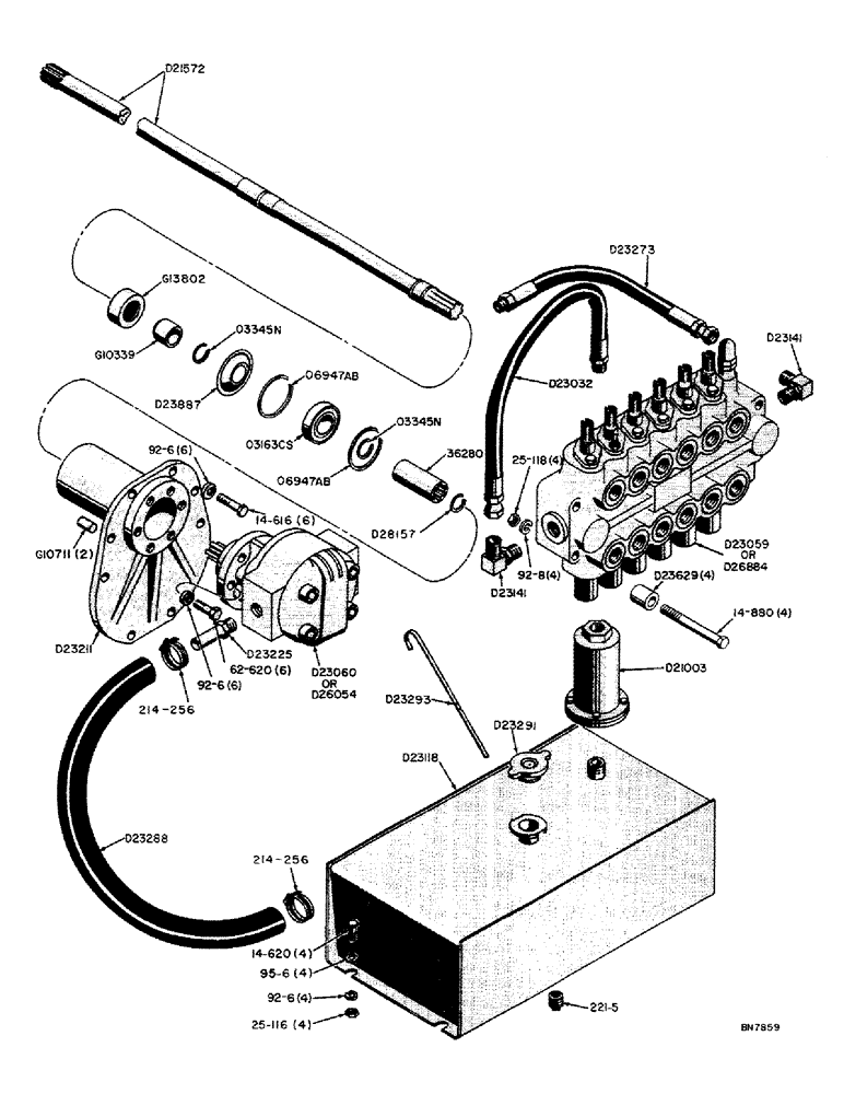
G10339

SEAT - shaft, G13802 oil seal

1шт.

G10711

PIN

- dowel, adapter, Serial Range: plate-transmission

2шт.

G13802

OIL SEAL

- oil, D21572 shaft

1шт.

O6947AB

X

SNAP RING - driveshaft bearing

2шт.

O3163CS

X

BEARING - driveshaft (N.D. #99506)

1шт.

O3345N

RING, SNAP

SNAP RING - driveshaft

2шт.

NLS

NO LONGER SERVICED

-, Serial Range: shaft-pump

1шт.

36281

X

SNAP RING - coupling (Use D28157)

1шт.

214-1420

HOSE CLAMP,#20, 0.81" - 1.75", Type F Worm

CLAMP - D23288 hose (Use 214-256)

2шт.

D21003

FILTER

- hydraulic oil (See Figure 64 for breakdown)

1шт.

D21572

SHAFT - drive, P. T. O. (Replaces G13009 in standard tractor) includes 1 - G10339 seat

1шт.

D23032

HOSE - return, control valve to filter (3/4" I.D. x 1-1/4" O.D. x 28" long)

1шт.

D23059

VALVE - control, hydraulic (See Figure 50 for breakdown) Use D26884

1шт.

1/2" - 20 NF x 5" hex. head cap screw (14-880)

4шт.

1/2" lockwasher (92-8)

4шт.

1/2" - 20 NF hex. nut (25-118)

4шт.

D23060

PUMP - hydraulic (17 G.P.M.) See Figure 60 for breakdown

1шт.

3/8" - 24 NF x 1" socket head cap screw (62-620)

6шт.

3/8" lockwasher (92-6)

6шт.

D23118

RESERVOIR - hydraulic oil

1шт.

3/4" NPT pipe plug (221-5)

1шт.

3/8" - 24 NF x 1-1/4" hex. head cap screw (14-620)

4шт.

3/8" lockwasher (92-6)

4шт.

7/16" I.D. x 1" O.D. plain washer (95-6)

4шт.

3/8" - 24 NF hex. nut (25-116)

4шт.

D23141

PLATE

ELBOW - swivel, special 90 degrees (Control valve)

2шт.

SEAL - "O" ring (218-5007)

2шт.

D23211

PLATE - adapter, P.T.O. housing (Replaces G14255 on standard tractor)

1шт.

3/8" - 24 NF x 1" hex. head cap screw (14-616)

6шт.

3/8" lockwasher (92-6)

6шт.

D23225

STEM - hose, hydraulic pump

1шт.

D23273

HOSE - pressure, pump to control valve (3/4" I.D. x 1-5/32" O.D. x 13-1/4" long)

1шт.

D23288

HOSE - pressure (1" I.D. x 1-9/16" O.D. x 22-5/16" long)

1шт.

CLAMP FOR D23288 HOSE (214-256)

2шт.

D23291

CAP - pressure, reservoir (15 P.S.I.)

1шт.

D23293

DIPSTICK - oil level

1шт.

D23629

SPACER - control valve (1/2" pipe x 1-13/16" long)

4шт.

D23887

DISC - slinger, rear bearing

1шт.

D26054

PUMP - hydraulic (17 G.P.M.) See Figure 62 for breakdown

1шт.

3/8" - 24 NF x 1-1/4" socket head cap screw (62-620)

6шт.

3/8" lockwasher (92-6)

6шт.

D26884

VALVE - control, hydraulic (See Figure 56 for breakdown)

1шт.

1/2" - 20 NF x 5" hex. head cap screw (14-880)

4шт.

1/2" lockwasher (92-8)

4шт.

1/2" - 20 NF hex. nut (25-118)

4шт.

D28157

SNAP RING,0.875", Int, #87

Ring, Snap, , 36280 coupling 0.875", Int, #87

1шт.

Выбрано товаров: 46