Запчасти Case 22 (04) - MOUNTING PARTS, STABILIZERS, AND SWING CYLINDERS

Схема запчастей Case 22 - (04) - MOUNTING PARTS, STABILIZERS, AND SWING CYLINDERS
FIT
1:1
100%

Артикул

Название

Примечание

Количество

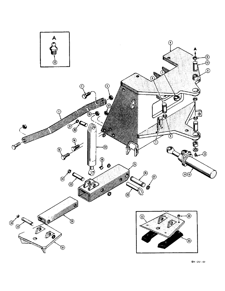
1

D21636

BRACE - mounting frame

2шт.

2

13-1640

BOLT,Hex, 1" - 8 x 2-1/2", Gr 5, Full Thd

4шт.

3

25-1016

NUT,1"-8, G5

4шт.

4

D21639

FRAME - mounting (Used before Backhoe serial no. 4065701) See D29348, Includes: Ref. 5 - 7

1шт.

D29348

FRAME - mounting (Used on Backhoe serial no. 4065701 and after) See D21639, Includes: Ref. 5 - 7

1шт.

5

30634

BUSHING,32.05mm ID x 38.18mm OD x 17.6mm L

- swing cylinder yoke pin

4шт.

6

D21927

BUSHING,51.03mm ID x 63.45mm OD x 50.8mm L

- swing tower pivot

2шт.

7

D23266

PIN - lock, transport (Includes chain)

1шт.

8

D26105

PIN ASSY.

PIN - pivot, piston rod (Swing cylinder), Includes: Ref. 9

2шт.

9

D26918

SNAP RING,#125, Ext

Ring, Snap, , D26105 pin #125, Ext

2шт.

10

D26114

PIN - pivot, tower, Includes: Ref. 11

2шт.

11

D26919

SNAP RING,#200, Ext

Ring, Snap, , D26114 pin #200, Ext

2шт.

12

219-1

LUBE NIPPLE,1/8" - 27 NPTF

FITTING - grease, straight (1/8" NPT)

1шт.

13

219-55

LUBE NIPPLE,90 Degree Elbow, 1/8" - 27 NPTF

NIPPLE, LUBE, 90º, 1/8" NPT x .84" lg

1шт.

14

D21569

CYLINDER - swing, hydraulic (R.H.) Early production (See Figure 44 for breakdown) When stock is exhausted use D28325

1шт.

D28325

CYLINDER - swing, hydraulic (R.H.) Late production (See Figure 44(1) for breakdown)

1шт.

15

D23654

CYLINDER - swing, hydraulic (L.H.) Early production (See Figure 44 for breakdown) When stock is exhausted use D28326

1шт.

D28326

CYLINDER - swing, hydraulic (L.H.) Late production (See Figure 44(1) for breakdown)

1шт.

16

13-1236

BOLT,Hex, 3/4" - 10 x 2-1/4", Gr 5

2шт.

17

25-1012

NUT,3/4"-10, G5

2шт.

18

D23616

BOLT (SPREADER)

BOLT - special, frame mounting (Lower)

4шт.

19

25-1614

NUT,7/8"-9, G5, Hvy

- hex. (7/8" - 9 NC)

4шт.

20

D26100

PIN - pivot, stabilizer cylinder to frame, Includes: Ref. 21

2шт.

21

D25277

SNAP RING,23.5mm ID x 2.62mm Thk

- D26100 pin

2шт.

22

D21879

CYLINDER - stabilizer, hydraulic (With tie rods) See Figure 42 for breakdown (When stock is exhausted use 1 - D28279 cylinder and 2 - D24070 elbows)

2шт.

D28279

CYLINDER - stabilizer, hydraulic (Without tie rods) See Figure 42 for breakdown

2шт.

23

D26103

PIN - pivot, stabilizer cylinder to leg, Includes: Ref. 24

2шт.

24

D26918

SNAP RING,#125, Ext

Ring, Snap, , D26103 pin #125, Ext

2шт.

25

D21988

ARM - stabilizer

2шт.

26

D26109

PIN ASSY.

PIN - pivot, stabilizer arm to frame, Includes: Ref. 27

2шт.

27

D25279

SNAP RING,M35, Int

- D26109 pin

2шт.

28

D23551

LEG - stabilizer

2шт.

29

D21991

PIN - stabilizer, Serial Range: leg-arm

2шт.

30

SV2433

X

PIN AND RING - D21991 pin mounting

2шт.

31

D23313

FOOT

- stabilizer (Cleated bottom - standard)

2шт.

32

D23326

FOOT

- stabilizer, cemetary or street (Optional)

2шт.

33

D26104

PIN

- pivot, leg to foot, Includes: Ref. 34

2шт.

34

D26918

SNAP RING,#125, Ext

Ring, Snap, , D26104 pin #125, Ext

2шт.

35

32838

SHOE (ASSY)

PAD - rubber, D23326 stabilizer foot

4шт.

36

D29712

SPECIAL NUT

- hex. (7/16" - 20 NF)

8шт.

Выбрано товаров: 40