Запчасти Case 22 (28) - SWING AND STABILIZER CYLINDER HYDRAULICS, FOR USE WITH CYLINDERS WITH TIE RODS ONLY

Схема запчастей Case 22 - (28) - SWING AND STABILIZER CYLINDER HYDRAULICS, FOR USE WITH CYLINDERS WITH TIE RODS ONLY
FIT
1:1
100%

Артикул

Название

Примечание

Количество

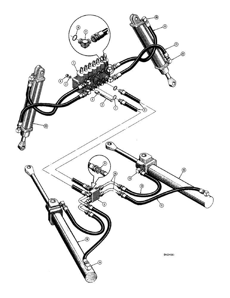
1

D27923

VALVE - control, hackhoe (See Figure 26 for breakdown)

1шт.

2

13-888

BOLT,Hex, 1/2" - 13 x 5-1/2", Gr 5

4шт.

3

92-8

LOCK WASHER,1/2"

4шт.

4

25-108

NUT,1/2"-13, G5

- hex. (1/2" - 13 NC)

4шт.

5

D23629

SPACER - backhoe control valve

4шт.

6

D23275

HOSE - backhoe control to criss-cross relief valve (1/2" I.D. x 7/8" O.D. x 18" long), Includes: Ref. 7

2шт.

7

237-6010

O-RING,0.097" Thk x 0.755" ID, -910, Cl 6, 90 Duro

10-1, 90 Duro, .755" ID x .097" Thk, D23275 hose

1шт.

8

D26761

VALVE - relief, criss-cross (See Figure 46 for breakdown)

1шт.

9

25-1512

JAM NUT,Jam, 3/4"-10, G5

- hex., jam (3/4" - 16 NF)

2шт.

10

D23290

TUBE - criss-cross relief valve to swing cylinder hose

4шт.

11

D23308

HOSE - tube to rear port of swing cylinder (1/2" I.D. x 7/8" O.D. x 27" long)

2шт.

12

D23306

HOSE - tube to front port of swing cylinder (1/2" I.D. x 7/8" O.D. x 24" long)

2шт.

13

D23309

ELBOW - 90 degrees street, front port of swing cylinder (1/2" NPT)

2шт.

14

D23540

ELBOW - 90 degrees street, special restrictor (Back port of swing cylinder) 1/2" NPT

2шт.

15

D21569

CYLINDER - hydraulic swing, R.H. (See Figure 44 for breakdown) When stock is exhausted use 1 - D28325 cylinder

1шт.

16

D23654

CYLINDER - hydraulic swing, L.H. (See Figure 44 for breakdown) When stock is exhausted use 1 - D28326 cylinder

1шт.

17

D23103

ELBOW - male, swivel (Stabilizer cylinder ports in backhoe control valve) 5/8" JIC, Includes: Ref. 18

4шт.

18

237-6010

O-RING,0.097" Thk x 0.755" ID, -910, Cl 6, 90 Duro

10-1, 90 Duro, .755" ID x .097" Thk, D23103 elbow

4шт.

19

D21317

HOSE - backhoe control valve to upper port stabilizer cylinder (1/2" I.D. x 7/8" O.D. x 22-1/2" long)

2шт.

20

D23309

ELBOW - 90 degrees street, upper port of stabilizer cylinder (1/2" NPT)

2шт.

21

36254

LEVER

HOSE - backhoe control valve to lower port of stabilizer cylinder (1/2" I.D. x 7/8" O.D. x 26" long)

2шт.

22

221-414

FITTING,90 Degree, 1/2"-14, NPT

ELBOW - 90 degrees street, lower port of stabilizer cylinders (1/2" NPT x 5/8" JIC)

2шт.

23

D21879

CYLINDER - hydraulic stabilizer (See Figure 42 for breakdown) When stock is exhausted use 1 - D28279 cylinder and 2 - D24070 elbows for each cylinder

2шт.

Выбрано товаров: 23