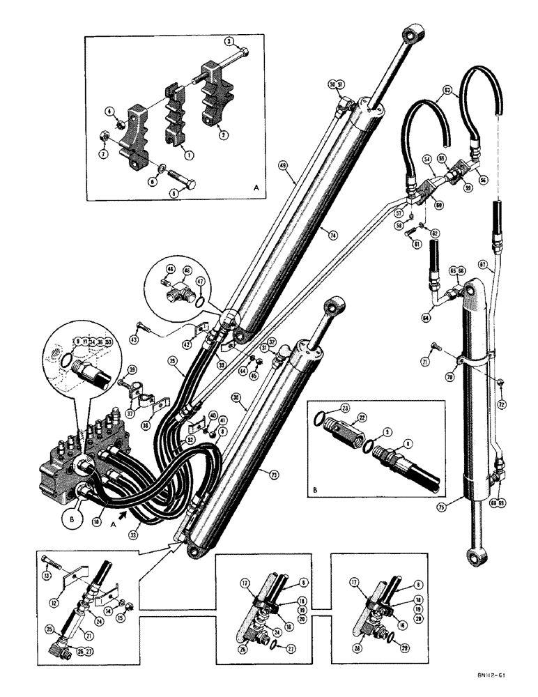
Запчасти Case 22 (36) - BOOM, CROWD AND BUCKET CYLINDER HYDRAULICS, FOR USE WITH CYLINDERS WITHOUT TIE RODS ONLY

Схема запчастей Case 22 - (36) - BOOM, CROWD AND BUCKET CYLINDER HYDRAULICS, FOR USE WITH CYLINDERS WITHOUT TIE RODS ONLY
FIT
1:1
100%

Артикул

Название

Примечание

Количество

1

D26124

HOSE

CLAMP - hose, center section (In swing tower)

1шт.

2

D26125

CLAMP

- hose, end section (In swing tower)

2шт.

3

13-552

BOLT,Hex, 5/16" - 18 x 3-1/4", Gr 5

HHCS - 5/16" - 18 NC x 3-1/4"

2шт.

4

131-351

LOCK NUT,5/16"-18, GA

NUT - hex., lock (5/16" - 18 NC)

2шт.

5

13-532

BOLT,Hex, 5/16" - 18 x 2", Gr 5

2шт.

6

95-5

WASHER,3/8" x 7/8" x .083"

- standard wrot (3/8" I.D. x 7/8" O.D. x 5/64" thick)

2шт.

7

131-351

LOCK NUT,5/16"-18, GA

NUT - hex., lock (5/16" - 18 NC)

2шт.

8

D23036

HOSE - backhoe control valve to lower port of boom cylinder (1/2" I.D. x 7/8" O.D. x 47-1/2" long), Includes: Ref. 9

1шт.

9

237-6010

O-RING,0.097" Thk x 0.755" ID, -910, Cl 6, 90 Duro

10-1, 90 Duro, .755" ID x .097" Thk, D23036 hose

1шт.

10

D23038

HOSE - backhoe control valve to tube on boom cylinder (1/2" I.D. x 47-1/2" long), Includes: Ref. 11

1шт.

11

237-6010

O-RING,0.097" Thk x 0.755" ID, -910, Cl 6, 90 Duro

10-1, 90 Duro, .755" ID x .097" Thk, D23038 hose

1шт.

12

31665

COLLAR CLAMP

CLAMP - plate, bottom valve is used (See R21385 and 49768)

2шт.

13

13-532

BOLT,Hex, 5/16" - 18 x 2", Gr 5

(31665 clamp only) Hex, 5/16"-18 x 2", G5

1шт.

14

92-5

LOCK WASHER,5/16"

1шт.

15

9635082

NUT,5/16" - 18, Gr 5

- hex. (5/16" - 18 NC)

1шт.

16

R21385

CLAMP

- hose, bottom of boom cylinder when D29295 flow control valve is used at backhoe valve (See 31665)

1шт.

17

515-23143

CLAMP,9/16", Insul, 3/8" Bolt

- tube, bottom of boom cylinder when D29295 flow control valve is used at backhoe valve (See 31665), P-style, tube, upper

1шт.

18

14-614

SCREW,Hex, 3/8" - 24 x 7/8", Gr 5

HHCS - 3/8" - 24 NF x 7/8"

1шт.

19

92-6

LOCK WASHER,3/8"

1шт.

20

25-116

NUT,Hex, 3/8"-24, G5

- hex. (3/8" - 24 NF)

1шт.

21

60374

VALVE

- flow control, located at cylinder (Early production) See Figure 40 for breakdown (For service 1 - D29295 flow control valve, 1 - R21385 clamp, 1 - 49768 clamp, 1 - 14-614 cap screw, 1 - 92-6 washer & 1 - 25-116 nut may be used), Includes: Ref. 23

1шт.

22

D29295

VALVE - flow control, located at valve (Late production) When replacing 60374, also order 1 - R21385 clamp, 1 - 49768 clamp, 1 - 14-614 cap screw, 1 - 92-6 washer and 1 - 25-116 nut, Includes: Ref. 23

1шт.

23

237-6010

O-RING,0.097" Thk x 0.755" ID, -910, Cl 6, 90 Duro

10-1, 90 Duro, .755" ID x .097" Thk, D29295 valve

1шт.

24

218-455

HYD CONNECTOR,3/4" - 16 Male JIC x 1/4" - 18 Male NPTF

CONNECTOR - D24070 elbow to hose, 1/2" NPT x 5/8" JIC

1шт.

25

221-186

NIPPLE - pipe, D24070 elbow to 60374 valve (1/2" NPT)

1шт.

26

D24070

ELBOW

- 90 degrees adjustable, 1/2" NPT x 5/8" JIC, Includes: Ref. 27

1шт.

27

237-6010

O-RING,0.097" Thk x 0.755" ID, -910, Cl 6, 90 Duro

10-1, 90 Duro, .755" ID x .097" Thk, D24070 elbow

1шт.

28

218-5107

90 ELBOW,90 Degree Elbow, 7/8" - 14 Male JIC x 7/8" - 14 Male ORB

- 90 degrees adjustable, 5/8" JIC x 5/8" JIC, Incl. Ref. 29

1шт.

29

237-6010

O-RING,0.097" Thk x 0.755" ID, -910, Cl 6, 90 Duro

10-1, 90 Duro, .755" ID x .097" Thk, D24070 elbow

1шт.

30

D23046

TUBE - hose from control valve to upper port of boom cylinder

1шт.

31

218-5062

HYD CONNECTOR,7/8"-14, 37 Degree x 7/8"-14, O-Ring

CONNECTOR - straight, 5/8" JIC x 5/8" JIC, Includes: Ref. 32

1шт.

32

237-6010

O-RING,0.097" Thk x 0.755" ID, -910, Cl 6, 90 Duro

10-1, 90 Duro, .755" ID x .097" Thk, 218-5107 elbow

1шт.

33

D23034

HOSE - lower port of control valve to service tee on crowd cylinder (1/2" I.D. x 7/8" O.D. x 58-3/4" long), Includes: Ref. 34

1шт.

34

237-6010

O-RING,0.097" Thk x 0.755" ID, -910, Cl 6, 90 Duro

10-1, 90 Duro, .755" ID x .097" Thk, D23034 hose

1шт.

35

D23042

HOSE - upper port of control valve to tube on crowd cylinder (1/2" I.D. x 7/8" O.D. x 58" long), Includes: Ref. 36

1шт.

36

237-6010

O-RING,0.097" Thk x 0.755" ID, -910, Cl 6, 90 Duro

10-1, 90 Duro, .755" ID x .097" Thk, D23042 hose

1шт.

37

D20302

CLAMP,7/8", Insul, 3/8" Bolt

- hose, crowd

2шт.

38

31665

COLLAR CLAMP

CLAMP - hose to tubes in boom

2шт.

39

13-544

BOLT,Hex, 5/16" - 18 x 2-3/4", Gr 5

1шт.

40

92-5

LOCK WASHER,5/16"

1шт.

41

9635082

NUT,5/16" - 18, Gr 5

- hex. (5/16" - 18 NC)

1шт.

42

31665

COLLAR CLAMP

CLAMP - hoses at bottom of crowd cylinder

2шт.

43

13-532

BOLT,Hex, 5/16" - 18 x 2", Gr 5

1шт.

44

92-5

LOCK WASHER,5/16"

1шт.

45

9635082

NUT,5/16" - 18, Gr 5

- hex. (5/16" - 18 NC)

1шт.

46

D27782

X

TEE - service, 5/8" JIC x 5/8" JIC x 1/4" NPT, Includes: Ref. 47

1шт.

47

237-6010

O-RING,0.097" Thk x 0.755" ID, -910, Cl 6, 90 Duro

10-1, 90 Duro, .755" ID x .097" Thk, D27782 tee

1шт.

48

221-12

PLUG,Sq Hd, 1/4"-18

- pipe, 1/4" NPT

1шт.

49

D28350

TUBE - hose to upper port of crowd cylinder

1шт.

50

218-5107

90 ELBOW,90 Degree Elbow, 7/8" - 14 Male JIC x 7/8" - 14 Male ORB

- 90 degrees adjustable, 5/8" JIC x 5/8" JIC, Incl. Ref. 51

1шт.

51

237-6010

O-RING,0.097" Thk x 0.755" ID, -910, Cl 6, 90 Duro

SEAL - 218-5107 elbow

1шт.

52

D23040

HOSE - backhoe control valve to tubes in boom (1/2" I.D. x 7/8" O.D. x 42-1/2" long), Includes: Ref. 53

2шт.

53

237-6010

O-RING,0.097" Thk x 0.755" ID, -910, Cl 6, 90 Duro

10-1, 90 Duro, .755" ID x .097" Thk, D23040 hose

1шт.

54

D23071

TUBE - in boom, R.H. (To rear cylinder port)

1шт.

55

D23072

TUBE - in boom, L.H. (To front cylinder port)

1шт.

56

D23277

ELBOW - special, R.H. side of boom

1шт.

57

D28248

TEE - special service, L.H. side of boom

1шт.

58

221-12

PLUG,Sq Hd, 1/4"-18

- pipe, 1/4" NPT (D28248 tee)

1шт.

59

25-1514

JAM NUT,Jam, 7/8"-14, G5

- hex., jam (7/8" - 14 NF)

2шт.

60

D23054

PLATE - spacer

2шт.

61

14-614

SCREW,Hex, 3/8" - 24 x 7/8", Gr 5

HHCS - 3/8" - 24 NF x 7/8"

4шт.

62

92-6

LOCK WASHER,3/8"

4шт.

63

D23030

HOSE

- tubes on boom to bucket cylinder (1/2" I.D. x 7/8" O.D. x 36-1/2" long)

2шт.

64

D23048

TUBE - to rear port of bucket cylinder

1шт.

65

218-5107

90 ELBOW,90 Degree Elbow, 7/8" - 14 Male JIC x 7/8" - 14 Male ORB

- 90 degrees adjustable male, 5/8" JIC, Incl. Ref. 66

1шт.

66

237-6010

O-RING,0.097" Thk x 0.755" ID, -910, Cl 6, 90 Duro

10-1, 90 Duro, .755" ID x .097" Thk, 218-5107 elbow

1шт.

67

D28354

TUBE - to front port of bucket cylinder

1шт.

68

218-5107

90 ELBOW,90 Degree Elbow, 7/8" - 14 Male JIC x 7/8" - 14 Male ORB

- 90 degrees adjustable male, 5/8" JIC x 5/8" JIC, Incl. Ref. 69

1шт.

69

237-6010

O-RING,0.097" Thk x 0.755" ID, -910, Cl 6, 90 Duro

10-1, 90 Duro, .755" ID x .097" Thk, 218-5107 elbow

1шт.

70

D28352

BRACKET - mounting tube to bucket cylinder

1шт.

71

13-520

BOLT,Hex, 5/16" - 18 x 1-1/4", Gr 5

HHCS - 5/16" - 18 NC x 1-1/4"

2шт.

72

131-351

LOCK NUT,5/16"-18, GA

NUT - hex., lock (5/16" - 18 NC)

2шт.

73

D28342

1шт.

Do not replace a 3" dia. boom cylinder with a 3-1/2" dia. boom cylinder.

1шт.

73

D28342

1шт.

CYLINDER - hydraulic boom, 3" dia. (See Figure 48 for breakdown) When replacing D21580 cylinder also order 1 - 218-5062 connector & 1 - D24070 elbow if 60374 flow control valve is used or 1 - 218-5107 elbow if D29295 flow control valve is used (used on early production units) See D32167

1шт.

D32167

CYLINDER

- hydraulic boom, 3-1/2" dia. (See Figure 48 for breakdown) Used on late production units (See D28342)

1шт.

Do not replace a 3" dia. boom cylinder with a 3-1/2" dia. boom cylinder.

1шт.

74

D28314

CYLINDER ASSY.

CYLINDER - hydraulic crowd (See Figure 50 for breakdown) When replacing D21596 cylinder also order 1 - D28350 tube, 1 - 218-5107 elbow, 2 - D27782 tees and 1 - 221-12 plug

1шт.

75

D28331

CYLINDER ASSY.

CYLINDER - hydraulic bucket (See Figure 52 for breakdown) When replacing D21591 cylinder also order 1 - D28354 tube, 2 - 218-5107 elbows, 2 - D28352 brackets, 2 - 131-351 locknuts and 2 - 13-520 cap screws

1шт.

Выбрано товаров: 80