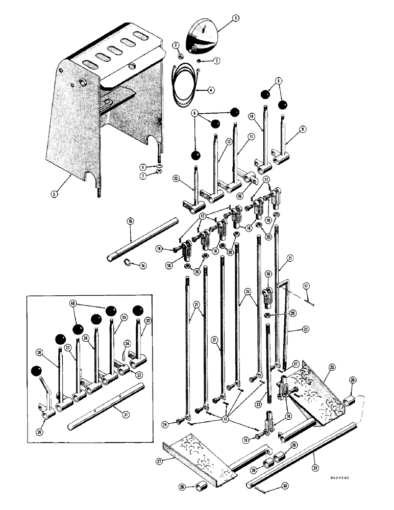
Запчасти Case 22 (08) - BACKHOE CONTROL LEVERS AND LINKAGE, BACKHOE SERIAL NO. 4065701 AND AFTER

Схема запчастей Case 22 - (08) - BACKHOE CONTROL LEVERS AND LINKAGE, BACKHOE SERIAL NO. 4065701 AND AFTER
FIT
1:1
100%

Артикул

Название

Примечание

Количество

1

O8810AB

LAMP

LIGHT - tail (12 VOLT)

1шт.

2

25-108

NUT,1/2"-13, G5

- hex. (1/2" - 13 NC)

1шт.

3

49561

GROMMET,1/4" ID x 7/16" Groove Dia

- taillight wire

1шт.

4

D28784

WIRE - extension, taillight

1шт.

5

D29333

SHIELD - control rods

1шт.

6

92-6

LOCK WASHER,3/8"

4шт.

7

25-116

NUT,Hex, 3/8"-24, G5

- hex. (3/8" - 24 NF)

4шт.

8

70213

KNOB

- control lever

5шт.

9

D21755

LEVER - control, L.H. stabilizer

1шт.

10

D21756

LEVER - control, boom

1шт.

11

D21757

LEVER - control, dipper arm

1шт.

12

D21758

LEVER - control, bucket

1шт.

13

D21760

LEVER - control, R.H. stabilizer

1шт.

14

O9640AB

X

RING - retaining, "E"

1шт.

15

D21626

SHAFT - control lever

1шт.

16

D21754

PIVOT - swing control

1шт.

17

132-25

COTTER PIN,3/32" x 5/8"

Pin, Split (Cotter), 3/32" x 5/8"

15шт.

18

213-4

ADJUSTABLE CLEVIS,3/8"-24 x 2 1/2"

YOKE - control levers

9шт.

19

141-4

CLEVIS PIN,3/8" x 1.060"

PIN, CLEVIS, , Eye, 213-4 yoke 3/8" x 1.060"

8шт.

20

25-156

JAM NUT,Jam, 3/8"-24, G5

- hex., jam (3/8" - 24 NF)

8шт.

21

D21763

ROD - control, Serial Range: levers-valve

6шт.

On machines with crossed control rods for bucket and dipper controls, replacement rods must be formed from straight rods in the field. (See Instruction Sheet Burlington Form 9-70231)

1шт.

22

D21762

ROD

- control, swing (Rear)

1шт.

23

D21764

ROD - contol, swing (Front)

1шт.

24

141-3

CLEVIS PIN,5/16" x .940"

PIN, CLEVIS, , Eye, lower end of control rods 5/16" x .940"

6шт.

25

D29812

PEDAL - swing control, L.H. (Right swing), Includes: Ref. 26

1шт.

26

D29343

BUSHING - Oilite

2шт.

27

D29813

PEDAL - swing control, R.H. (Left swing), Includes: Ref. 28

1шт.

28

D29343

BUSHING - Oilite

2шт.

29

D29344

SHAFT

- padals

1шт.

30

138-65

LOCK PIN,1/8" x 1 1/2", Slotted

PIN, 1/8" x 1 1/2", Slotted

1шт.

31

D27102

SHAFT - control lever, hand swing, parts

1шт.

32

D21755

LEVER - control, L.H. stabilizer, hand swing, parts

1шт.

33

D27107

ARM - lever, boom control, hand swing, parts

1шт.

34

138-137

LOCK PIN,1/4" x 1 3/8", Slotted

PIN, , Hand swing control parts 1/4" x 1 3/8", Slotted

2шт.

35

D27453

LEVER - control, swing, hand, parts

1шт.

36

D21757

LEVER - control, bucket, hand swing, parts

1шт.

37

D27099

LEVER - control, boom, hand swing, parts

1шт.

38

D27100

LEVER - control, dipper, hand swing, parts

1шт.

39

D27101

LEVER - control, R.H. stabilizer, hand swing, parts

1шт.

40

70213

KNOB

- control, lever, hand swing, parts

6шт.

Выбрано товаров: 41