Запчасти Case 23 (074) - D28489 LOADER CONTROL VALVE AND LEVERS

Схема запчастей Case 23 - (074) - D28489 LOADER CONTROL VALVE AND LEVERS
FIT
1:1
100%

Артикул

Название

Примечание

Количество

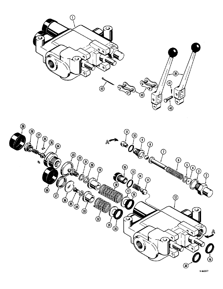
1

D28489

VALVE

- loader control, 2 spool (Gresen #G-SPKYT-4-4)

1шт.

2

D25846

BODY

- relief valve

1шт.

3

34115

GASKET

- relief valve body

1шт.

4

D25844

SHIM,.0097" Thk

Spring .0097" Thk

1шт.

5

36660

WASHER

- spring

1шт.

6

D25841

SPRING

- relief valve, 1500 P.S.I.

1шт.

7

D26379

GUIDE - spring

1шт.

8

211-12

BALL,7/16 Dia

- relief valve, 7/16" dia.

1шт.

9

D28575

SEAT

- relief valve

1шт.

10

D23928

O-RING

SEAL - "O" ring, seat

1шт.

11

D28576

VALVE POPPET

POPPET - check

2шт.

12

NSS

NOT SOLD SEPARAT

HOUSING AND SPOOL - valve

1шт.

13

D48359

O-RING,0.103" Thk x 0.549" ID, -113, Cl 6, 90 Duro

SEAL - "O" ring

1шт.

14

D28840

SPRING

- check poppet

1шт.

15

D28574

PLUG

- check poppet

1шт.

16

36642

SEAL

RING - wedge, spool seal

2шт.

17

36650

WASHER

- spool stop

1шт.

18

D32602

VALVE SPRING

SPRING - centering, 4 position spool

1шт.

19

36652

COLLAR

- stop, 4 position spool

1шт.

20

36661

SHAFT

WASHER - flat, float spool

1шт.

21

192-20

LOCK WASHER,Helical Spring, 0.318" ID, CST, ZND

WASHER, LOCK, 5/16"

1шт.

22

D25845

ADAPTER - float detent

1шт.

23

NLS

NO LONGER SERVICED

GASKET - cap

1шт.

24

36653

- float detent

1шт.

25

36655

- float detent

3шт.

26

NLS

NO LONGER SERVICED

HOLDER - finger, float detent

1шт.

27

36658

ROD

SPRING - float detent

1шт.

28

36656

CLIP

CAP - float detent spring

1шт.

29

36645

CAP

- rubber, spool end

1шт.

30

36642

SEAL

RING - wedge, spool seal

2шт.

31

36650

WASHER

- spool stop

1шт.

32

36632

SPRING

- centering, 3 position spool

1шт.

33

CAS36630

COLLAR

- stop, 3 position spool

1шт.

34

36628

LOCK WASHER

- lock

1шт.

35

36626

HOSE CLIP

BOLT - centering spring

1шт.

36

36631

HOUSING

- stop

1шт.

37

36633

LID

SNAP RING - stop disc

1шт.

38

36645

CAP

- rubber, spool end

1шт.

39

D23722

HANDLE

LEVER - valve control

2шт.

40

36627

SEAT

PIN -, Serial Range: lever-spool

2шт.

41

132-5

COTTER PIN,1/16" x 1/2"

Pin, Split (Cotter), 1/16" x 1/2"

2шт.

42

132-13

PIN

- cotter, 1/16" dia. x 1-1/2"

2шт.

43

36640

DRAG LINK

LINK -, Serial Range: valve-lever

2шт.

Выбрано товаров: 43