Запчасти Case 26C (056) - BOOM LOCK VALVE, D46850 RELIEF VALVE

Схема запчастей Case 26C - (056) - BOOM LOCK VALVE, D46850 RELIEF VALVE
FIT
1:1
100%

Артикул

Название

Примечание

Количество

L51101

VALVE

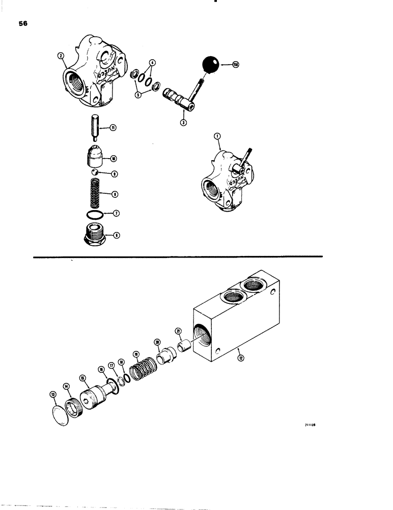
ASSEMBLY - boom lock, complete (Husco), boom lock valve, Includes: Ref. 2 - 11

1шт.

2

NSS

NOT SOLD SEPARAT

HOUSING - valve, boom lock valve

1шт.

3

L33860

HANDLE

AND CAM ASSEMBLY - valve, boom lock valve

1шт.

If either L33860 Assembly or L33861 follower fails, both must be ordered for service.

1шт.

4

A29197

O-RING,0.424" ID x 0.63" OD x 0.103"

- cam, boom lock valve

2шт.

5

D51535

RING

- backup, cam, boom lock valve

2шт.

6

D51536

PLUG - check valve, boom lock valve

1шт.

7

218-5008

O-RING,0.116" Thk x 0.924" ID, -912, Cl 6, 90 Duro

- check plug, boom lock valve

1шт.

8

D51537

VALVE SPRING

SPRING - check valve, boom lock valve

1шт.

9

211-102

BALL,1/2" Dia

- check valve, boom lock valve

1шт.

10

D51538

SPOOL

POPPET - check valve, boom lock valve

1шт.

11

L33861

AXLE PIN

FOLLOWER - cam, boom lock valv e

1шт.

If either L33860 Assembly or L33861 follower fails, both must be ordered for service.

1шт.

11a

A61683

BUTTON

KNOB - valve handle, boom lock valve

1шт.

D46850

VALVE

- relief (Parker No. VPRD5X - 1A - 310), D46850 relief valve, Includes: Ref. 12 - 21

1шт.

12

NSS

NOT SOLD SEPARAT

BODY - valve, D46850 relief valve

1шт.

13

41-20

PLUG,Exp, 1 1/4"

- welch, 1-1/4", D46850 relief valve

1шт.

14

NSS

NOT SOLD SEPARAT

NUT - lock, special, D46850 relief valve

1шт.

15

NSS

NOT SOLD SEPARAT

GUIDE - spring, D46850 relief valve

1шт.

16

A30843

O-RING,0.103" Thk x 0.799" ID, -117, Cl 5, 75 Duro

- large, D46850 relief valve

1шт.

17

L31330

BACK-UP RING,109mm ID x 128.81mm OD x 12mm Thk

- backup, D46850 relief valve

1шт.

18

A30825

O-RING,0.364" ID x 0.504" OD x 0.07"

- small, D46850 relief valve

1шт.

19

NSS

NOT SOLD SEPARAT

SPRING - poppet, D46850 relief valve

1шт.

20

NSS

NOT SOLD SEPARAT

POPPET, D46850 relief valve

1шт.

21

NSS

NOT SOLD SEPARAT

SEAT - poppet, D46850 relief valve

1шт.

Выбрано товаров: 25