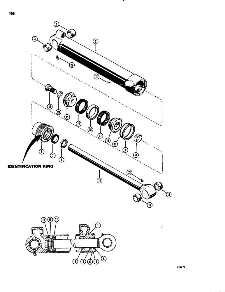
Запчасти Case 26C (116) - G33291 BUCKET CYLINDER, WITH TWO PIECE PISTON, GLAND HAS IDENTIFICATION RING

Схема запчастей Case 26C - (116) - G33291 BUCKET CYLINDER, WITH TWO PIECE PISTON, GLAND HAS IDENTIFICATION RING
FIT
1:1
100%

Артикул

Название

Примечание

Количество

1

G33291

CYLINDER BLOCK

CYLINDER - bucket, 3" I.D. x 26-1/2" stroke (76 mm x 673 mm), Includes: Ref. 2 - 22

1шт.

2

G33332

TUBE,34.22" L

- cylinder, Includes: Ref. 3

1шт.

3

D31140

BUSHING,38.33mm ID x 47.63mm OD x 25.4mm L

- tube

2шт.

G33579

COVER

GLAND ASSEMBLY, Includes: Ref. 5 - 11

1шт.

5

NSS

NOT SOLD SEPARAT

GLAND

1шт.

6

D95143

WIPER SEAL,44.42mm ID x 57.17mm OD x 7.92mm Thk

WIPER - piston rod, outer

1шт.

Part of Seal Kit P/N G32289

1шт.

7

D36970

CUP

SEAL - piston rod

1шт.

8

D27432

SHIM

- piston rod, inner

1шт.

Part of Seal Kit P/N G32289

1шт.

9

G32122

BACK-UP RING,75.82mm ID x 81.92mm OD x 1.4mm Thk

- backup

1шт.

Part of Seal Kit P/N G32289

1шт.

10

A30095

O-RING,0.139" Thk x 2.984" ID, -234, Cl 5, 75 Duro

- gland

1шт.

Part of Seal Kit P/N G32289

1шт.

11

187-1031

SELF-TAP SCREW,Pan, 0.164"-32 x 1/4"

SCREW - self tapping, No. 8-32 NC x 1/4"

1шт.

12

G33335

ROD ASSY.

ROD - piston, 1-3/4" dia. (44 mm), Includes: Ref. 13

1шт.

13

D32865

BUSHING,38.33mm ID x 47.63mm OD x 22.35mm L

- piston rod

2шт.

14

G33331

PISTON

- split, rod end

1шт.

15

D28896

PISTON

- split, bolt end

1шт.

G33151

PACKING

- piston, Includes: Ref. 17 and 18

1шт.

Part of Seal Kit P/N G32289

1шт.

17

NSS

NOT SOLD SEPARAT

PACKING - "V'' type

2шт.

18

NSS

NOT SOLD SEPARAT

RING - center bearing

1шт.

19

28-1640

BOLT,Hex, 1" - 14 x 2-1/2", Gr 8

1шт.

20

G32303

WASHER,26.97mm ID x 47.63mm OD x 3.58mm Thk

- hardened

1шт.

21

219-1

LUBE NIPPLE,1/8" - 27 NPTF

FITTING - grease, straight, 1/8" NPT

1шт.

22

219-55

LUBE NIPPLE,90 Degree Elbow, 1/8" - 27 NPTF

NIPPLE, LUBE, 90º, 1/8" NPT x .84" lg

1шт.

G32289

SEAL

KIT - seal, Includes: Ref. 6, 8, 9, 10 and P/N G33151

1шт.

G100777

SEAL,44.42mm ID x 57.28mm OD x 10.69mm Thk

- piston rod, service option - extreme heat or cold

1шт.

Выбрано товаров: 29