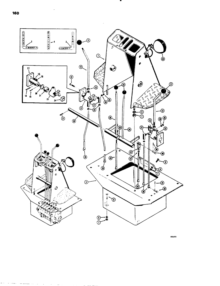
Запчасти Case 26C (160) - CONTROLS WITH HAND SWING FOR 450 CRAWLER

Схема запчастей Case 26C - (160) - CONTROLS WITH HAND SWING FOR 450 CRAWLER
FIT
1:1
100%

Артикул

Название

Примечание

Количество

1

D38288

CONSOLE - backhoe control

1шт.

2

321-917

DECAL

- dipper and bucket lever

1шт.

3

321-918

DECAL

- boom and swing lever

1шт.

4

321-919

DECAL

- stabilizer lever

1шт.

5

D47255

EXTENSION - control tower

1шт.

2

D51334

CLAMP - bracket to bucket cylinder

1шт.

3

195-106

WASHER,1/2"

- flat, 9/16"

2шт.

4

129-400

WING NUT,1/2"-13

NUT - winged, 1/2" - 13 NC, plated

2шт.

5

173-96

SCREW,Sl Rnd Hd, #10 - 24 x 7/16"

- machine, round head, No. 10 - 24 NC x 7/16"

2шт.

A59450

WARNING SIGN

EMBLEM - slow moving vehicle, Includes: Ref. 6 and 7

1шт.

6

321-1751

DECAL

- slow moving vehicle

1шт.

7

NSS

NOT SOLD SEPARAT

PLATE - backing, emblem

1шт.

8

92-3

LOCK WASHER,#10

WASHER, LOCK, #10

2шт.

9

129-7

NUT,Hex, #10 - 24

- hex, No. 10 - 24 NC

2шт.

10

75-414

SCREW,Rd, 1/4" x 7/8"

- machine, round head, 1/4" - 20 NC x 7/8"

2шт.

11

D51330

BRACKET - emblem storage, on side of control tower

2шт.

12

92-4

LOCK WASHER,1/4"

WASHER, LOCK, 1/4"

2шт.

13

25-104

NUT,1/4"-20, G5

2шт.

14

195-18

WASHER,1/4"

- flat, 1/4"

2шт.

Выбрано товаров: 19