Запчасти Case 26S (046) - D49932 AND L51101 BOOM LOCKOUT VALVES

Схема запчастей Case 26S - (046) - D49932 AND L51101 BOOM LOCKOUT VALVES
FIT
1:1
100%

Артикул

Название

Примечание

Количество

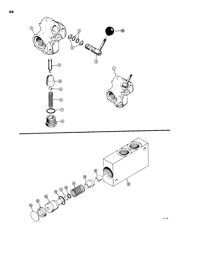
1

D49932

VALVE, CHECK

VALVE ASSEMBLY - boom lockout, complete (When stock is exhausted, order L51101 valve for service), Inlcudes: Ref. 2 - 11

1шт.

1

L51101

VALVE

ASSEMBLY - boom lockout, complete, Inlcudes: Ref. 2 - 11

1шт.

2

NSS

NOT SOLD SEPARAT

HOUSING - valve

1шт.

3

L33860

HANDLE

AND CAM ASSEMBLY - valve

1шт.

If either L33860 Assembly or L33861 follower fails, both must be ordered for service.

1шт.

4

A29197

O-RING,0.424" ID x 0.63" OD x 0.103"

SEAL - "O" ring, cam

2шт.

5

D51535

RING

- backup, cam

2шт.

6

D51536

PLUG - check valve

1шт.

7

218-5008

O-RING,0.116" Thk x 0.924" ID, -912, Cl 6, 90 Duro

SEAL - check plug

1шт.

8

D51537

VALVE SPRING

SPRING - check valve

1шт.

9

211-102

BALL,1/2" Dia

- check valve

1шт.

10

D51538

SPOOL

POPPET - check valve

1шт.

11

L33861

AXLE PIN

FOLLOWER - cam

1шт.

If either L33860 Assembly or L33861 follower fails, both must be ordered for service.

1шт.

11a

A61683

BUTTON

KNOB - valve handle

1шт.

D46850

VALVE

- relief (Parker no. VPRD5X-1A-310), D46850 relief valve, Inlcudes: Ref. 12 - 21

1шт.

12

NSS

NOT SOLD SEPARAT

BODY - valve, D46850 relief valve

1шт.

13

41-20

PLUG,Exp, 1 1/4"

- welch, 1-1/4", D46850 relief valve

1шт.

14

NSS

NOT SOLD SEPARAT

NUT - lock, special, D46850 relief valve

1шт.

15

NSS

NOT SOLD SEPARAT

GUIDE - spring, D46850 relief valve

1шт.

16

A30843

O-RING,0.103" Thk x 0.799" ID, -117, Cl 5, 75 Duro

SEAL - "O" ring, large, D46850 relief valve

1шт.

17

L31330

BACK-UP RING,109mm ID x 128.81mm OD x 12mm Thk

- backup, D46850 relief valve

1шт.

18

A30825

O-RING,0.364" ID x 0.504" OD x 0.07"

SEAL - "O" ring, small, D46850 relief valve

1шт.

19

NSS

NOT SOLD SEPARAT

SPRING - poppet, D46850 relief valve

1шт.

20

NSS

NOT SOLD SEPARAT

POPPET, D46850 relief valve

1шт.

21

NSS

NOT SOLD SEPARAT

SEAT - poppet, D46850 relief valve

1шт.

Выбрано товаров: 26