Запчасти Case 320 (068) - TRANSMISSION CASE AND REAR AXLE HOUSING (06) - POWER TRAIN

Схема запчастей Case 320 - (068) - TRANSMISSION CASE AND REAR AXLE HOUSING (06) - POWER TRAIN
FIT
1:1
100%

Артикул

Название

Примечание

Количество

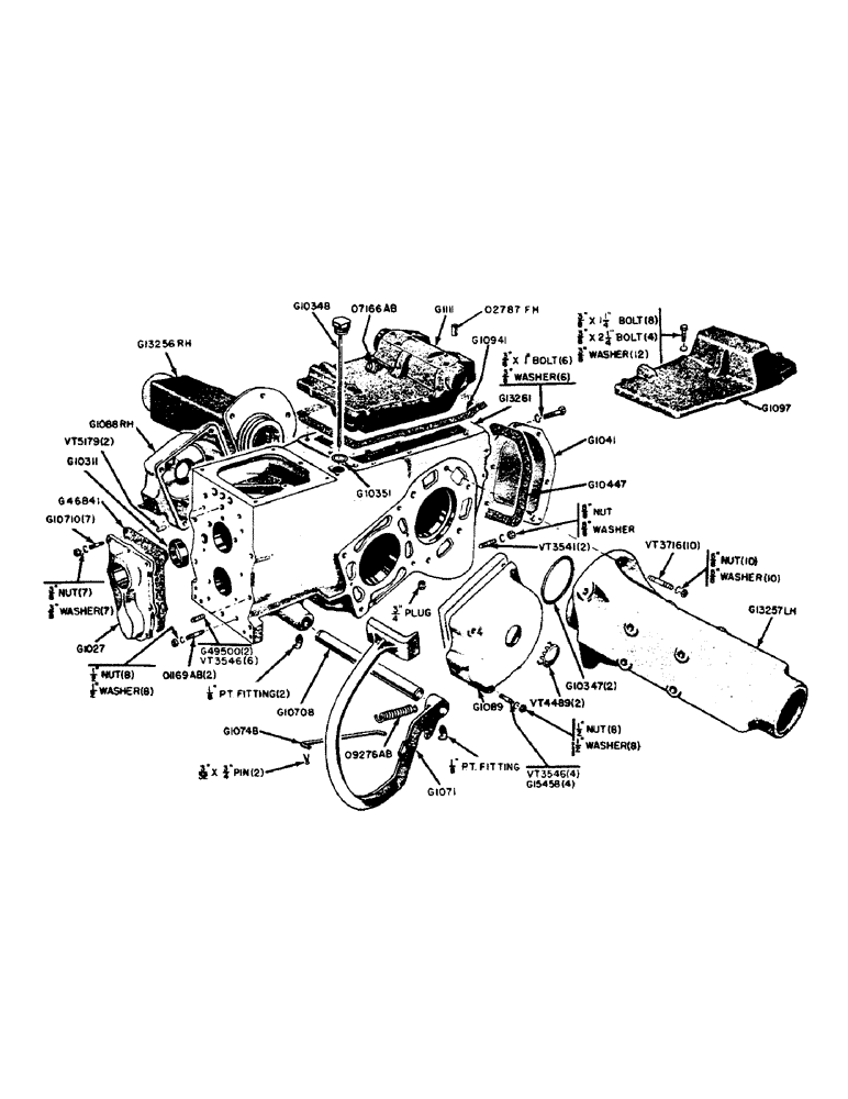
G1027

COVER

- front, transmission (4-speed transmission only)

1шт.

G1041

COVER

- rear, transmission case

1шт.

NSS

NOT SOLD SEPARAT

3/8" x 1" hex. hd. bolt, NC w/lockwasher

6шт.

G1088

COVER - brake, RH

1шт.

G1089

COVER - brake, LH

1шт.

G1096

CASE - transmission (Use G13261)

1шт.

G1097

COVER - transmission rear (Without eagle hitch)

1шт.

NSS

NOT SOLD SEPARAT

3/8" x 1-1/4" hex. hd. bolt, NC w/lockwasher

8шт.

NSS

NOT SOLD SEPARAT

3/8" x 2-1/4" hex. hd. bolt, NC w/lockwasher

4шт.

G1111

HOUSING - E.H. rockshaft (See G1097)

1шт.

G1116

HOUSING (Use G13256)

1шт.

G1117

HOUSING (Use G13257)

1шт.

G1215

PEDAL - clutch

1шт.

NSS

NOT SOLD SEPARAT

1/8" 67-1/2 degree fitting (Lincoln #5300)

1шт.

G10311

COLLAR

- pilot, for G1027 cover

1шт.

G10347

O-RING,0.139" Thk x 4.984" ID, -250, Cl 5, 75 Duro

"O" RING - axle housing inner seal (5-1/4")

2шт.

G10348

DIPSTICK

- transmission oil level

1шт.

G10351

GASKET

- dipstick

1шт.

G10447

GASKET

- G1041, Serial Range: cover-case

1шт.

G10708

SHAFT

- clutch and brake pedals

1шт.

G10710

STUD

- transmission case to torque tube (3/8" x 1-5/8")

7шт.

NSS

NOT SOLD SEPARAT

3/8" hex. nut, NF and lockwasher

7шт.

G10748

LINK

ROD - link, clutch, Serial Range: pedal-lever

1шт.

NSS

NOT SOLD SEPARAT

3/32" x 3/4" cotter pin

2шт.

G10941

GASKET

- G1097 or, Serial Range: G1111-case

1шт.

G13256

HOUSING - rear axle, RH, includes bearing cups

1шт.

NSS

NOT SOLD SEPARAT

5/8" x 1-3/4" N.C. bolt

1шт.

G13257

HOUSING - rear axle, LH, includes bearing cups

1шт.

G13261

CASE - transmission (Includes 2 - VT2067 snap rings, 2 - VT2097 brg. cups and 7 - G10710, 2 - O1169AB, 2 - VT3541, 10 - VT3546, 10 - VT3716 and 4 - G15458 studs)

1шт.

NSS

NOT SOLD SEPARAT

3/4" std. sq. hd. pipe plug

1шт.

NSS

NOT SOLD SEPARAT

1/8" 45 degree fitting (Lincoln #5200)

2шт.

G15458

STUD

- brake cover to transmission (1/2" x 4-1/2")

4шт.

NSS

NOT SOLD SEPARAT

1/2" hex. nut, NF and lockwasher

4шт.

G46841

GASKET

- front cover

1шт.

G49500

STUD

- transmission case to torque tube (1/2" x 2-3/16")

2шт.

O1169AB

STUD - transmission case to torque tube (1/2" x 4-7/8")

2шт.

NSS

NOT SOLD SEPARAT

1/2" hex. nut, NF and lockwasher

2шт.

O7166AB

X

BREATHER - cover, transmission case

1шт.

O9276AB

X

SPRING - return, clutch pedal

1шт.

VT3541

STUD - drawbar to transmission case (5/8" x 2")

2шт.

NSS

NOT SOLD SEPARAT

5/8" hex. nut, NF and lockwasher

2шт.

VT3546

X

STUD - torque tube and brake cover to transmission (1/2" x 2-1/2")

12шт.

NSS

NOT SOLD SEPARAT

1/2" hex. nut, NF and lockwasher

12шт.

VT3716

STUD - axle housings to transmission (5/8" x 2-11/16")

9шт.

NSS

NOT SOLD SEPARAT

5/8" hex. nut, NF and lockwasher

10шт.

VT4489

X

PLUG - button, brake cover

2шт.

VT5179

X

PIN - dowel, torque tube to transmission case (1/2" x 1-5/16")

2шт.

Выбрано товаров: 47