Запчасти Case 320B (054) - ELECTRICAL SYSTEM - DIESEL

Схема запчастей Case 320B - (054) - ELECTRICAL SYSTEM - DIESEL
FIT
1:1
100%

Артикул

Название

Примечание

Количество

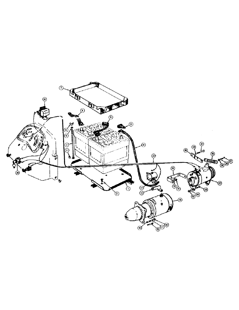
1

G13150

PAN - battery mounting

1шт.

2

73-58

SCREW - flat hd. (5/16-18 NC x 1/2)

2шт.

3

11-5136

BOLT - 5/16-18 NC x 8-1/2

4шт.

4

G46096

RETAINER

BUSHING - rubber, battery frame bolt

4шт.

5

95-5

WASHER,3/8" x 7/8" x .083"

- plain (5/16)

4шт.

6

G49020

NUT

- wing, battery frame bolts

4шт.

7

G13205

FRAME - battery hold down

1шт.

8

VT2336

X

STRAP -, Serial Range: battery-ground

1шт.

9

G13098

CABLE

-, Serial Range: battery-battery

1шт.

10

G13318

CABLE -, Serial Range: battery-solenoid

1шт.

11

O6362AB

X

COVER - rubber, battery terminal

1шт.

12

G45017

X

SOLENOID - starting motor (Auto-Lite #SSW-4001)

1шт.

13

G46027

BAR - connecting, solenoid to starting motor (Auto-Lite #MBR-40L)

1шт.

14

G13167

MOTOR - starting (Auto-Lite #ML-4352)

1шт.

15

VT4581

STUD - starting motor to engine (3/8-16 NC x 2-1/2)

1шт.

16

VT3675

X

STUD - starting motor to engine (3/8-16 NC x 1-1/2)

2шт.

17

92-6

LOCK WASHER,3/8"

WASHER - med. sect. lock, 3/8"

3шт.

18

25-106

NUT,3/8"-16, G5

- hex. (3/8-16 NC)

3шт.

19

G11210

BRACKET - generator mounting

1шт.

20

92-6

LOCK WASHER,3/8"

WASHER - med. sect. lock, 3/8"

2шт.

21

25-106

NUT,3/8"-16, G5

- hex. (3/8-16 NC)

2шт.

22

G13165

GENERATOR - 12 volt (Auto-Lite #GHH-6002A)

1шт.

23

14-516

BOLT,Hex, 5/16" - 24 x 1", Gr 5, Full Thd

HHCS - 5/16-24 NF x 1

2шт.

24

92-5

LOCK WASHER,5/16"

WASHER - med. sect. lock, 5/16"

2шт.

25

25-115

NUT,5/16"-24, G5

- hex (5/16"-24 NF)

2шт.

26

G10827

STRAP - generator belt adjusting

1шт.

27

13-612

BOLT,Hex, 3/8" - 16 x 3/4", Gr 5, Full Thd

1шт.

28

92-6

LOCK WASHER,3/8"

WASHER - med. sect. lock, 3/8"

1шт.

29

95-6

WASHER,3/8"

- plain (3/8)

1шт.

30

G11211

BRACKET - pivot, generator adjusting strap

1шт.

31

14-612

BOLT,Hex, 3/8" - 24 x 3/4", Gr 5, Full Thd

2шт.

32

92-6

LOCK WASHER,3/8"

WASHER - med. sect. lock, 3/8"

2шт.

33

G13319

CABLE - starting switch to solenoid, generator, ammeter, and voltage regulator

1шт.

34

G13166

X

REGULATOR - generator voltage (12 volt) (Auto-Lite #VRT-4105)

1шт.

35

G13136

IGNITION SWITCH

SWITCH - starting, w/key

1шт.

Выбрано товаров: 35