Запчасти Case 320B (072) - ADAPTER PLATE, CONTROL VALVE AND PUMP

Схема запчастей Case 320B - (072) - ADAPTER PLATE, CONTROL VALVE AND PUMP
FIT
1:1
100%

Артикул

Название

Примечание

Количество

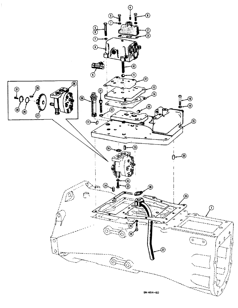
1

G14239

TUBE - torque

1шт.

2

G14137

VALVE - regulator, torque converter drive (Up to serial #6121614) (See Figure 76 for breakdown)

1шт.

G14401

X

VALVE - regulator, torque converter drive (From serial #6121614) (See Figure 76 for breakdown)

1шт.

3

G46824

GASKET

- regulator, Serial Range: valve-plate

1шт.

4

221-849

PLUG,Hex Soc, 1/8"-27

- pipe, socket hd. (1/8 NPT)

1шт.

5

13-628

BOLT,Hex, 3/8" - 16 x 1-3/4", Gr 5

3шт.

6

13-648

BOLT,Hex, 3/8" - 16 x 3", Gr 5

HHCS - 3/8-16 NC x 3

3шт.

7

92-6

LOCK WASHER,3/8"

WASHER - med. sect. lock, 3/8"

6шт.

8

G14458

VALVE - control, torque converter drive (See Figure 74 for breakdown)

1шт.

9

G48005

TEE

FITTING - tee, control valve

1шт.

10

VT3354

X

SPRING - detent ball, control valve spool

2шт.

11

O7210AB

X

BALL - detent, control valve spool (1/2" dia.)

2шт.

12

G46821

GASKET

- control valve to oil distribution plate

1шт.

13

G1250

PLATE - oil distribution

1шт.

14

G46822

GASKET

- oil distribution plate to adapter housing

1шт.

15

G1241

HOUSING - adapter, torque converter drive pump and controls

1шт.

16

221-22

X

PLUG - pipe, socket hd. (3/8 NPT)

2шт.

17

41-12

PLUG,Exp, 3/4"

- expansion (3/4)

1шт.

18

13-618

BOLT,Hex, 3/8" - 16 x 1-1/8", Gr 5

1шт.

13-624

BOLT,Hex, 3/8" - 16 x 1-1/2", Gr 5

HHCS - 3/8-16 NC x 1-1/2

3шт.

13-628

BOLT,Hex, 3/8" - 16 x 1-3/4", Gr 5

2шт.

19

92-6

LOCK WASHER,3/8"

WASHER - med. sect. lock, 3/8"

6шт.

20

G45099

DRIVE - tachometer, sleeve and gear

1шт.

21

165-102

CAPSCREW,Prev Torque, 3/8" - 16 x 1 3/4"

SCREW - self locking, adapter plate to torque tube (3/8 x 1-3/4)

1шт.

22

G46827

SEAL

WASHER - sealing, Serial Range: screw-adapter

1шт.

23

A11528

PIN,7.81mm OD x 14.29mm L

- dowel, pump to adapter housing

2шт.

24

A7075

GASKET

GASKET -, Serial Range: pump-adapter

2шт.

25

G10711

PIN

- rear dowel, adapter housing to torque tube

1шт.

26

A11534

PUMP, HYDRAULIC

PUMP - torque converter drive (See Figure 74 for breakdown)

1шт.

27

G14304

GEAR - drive, pump and tachometer

1шт.

28

126-9

WOODRUFF KEY,#3, 1/8" x 1/2"

1шт.

29

G49045

WASHER

- retainer, tachometer drive gear

1шт.

30

G46147

SNAP RING,0.625", Int, #62

Ring, Snap, , tachometer drive gear 0.625", Int, #62

1шт.

31

165-101

HEX SOC SCREW,Prev Torque, 1/4" - 28 x 3/8"

SCREW - self-locking, gear to pump (1/4 x 3/8)

1шт.

32

13-618

BOLT,Hex, 3/8" - 16 x 1-1/8", Gr 5

2шт.

33

92-6

LOCK WASHER,3/8"

WASHER - med. sect. lock, 3/8"

2шт.

34

VT4453

X

PIN - front dowel, adapter housing to torque tube

1шт.

35

G46818

GASKET

- adapter housing to torque tube

1шт.

36

G46823

GASKET

- suction tube

1шт.

37

G14135

X

TUBE - suction, pump

1шт.

38

13-524

BOLT,Hex, 5/16" - 18 x 1-1/2", Gr 5

2шт.

39

92-5

LOCK WASHER,5/16"

WASHER - med. sect. lock, 5/16"

2шт.

Выбрано товаров: 42