Запчасти Case 320B (088[A]) - DUAL RANGE CONTROL COVER

Схема запчастей Case 320B - (088[A]) - DUAL RANGE CONTROL COVER
FIT
1:1
100%

Артикул

Название

Примечание

Количество

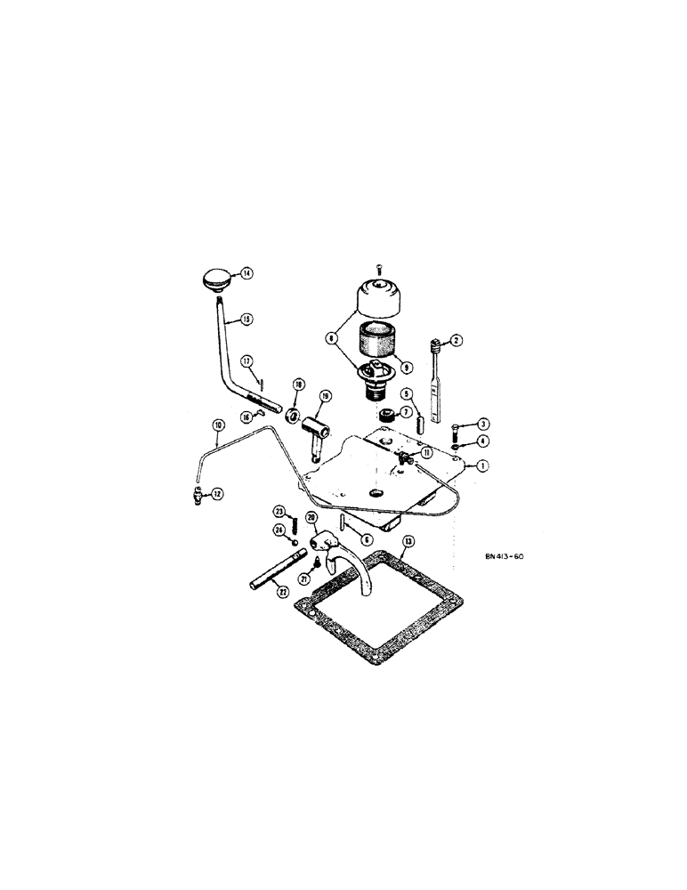
1

G1256

COVER - control

1шт.

2

G14099

TUBE,1.5, 3.562" L

DIPSTICK - oil level

1шт.

3

13-620

BOLT,Hex, 3/8" - 16 x 1-1/4", Gr 5, Full Thd

4шт.

4

92-6

LOCK WASHER,3/8"

WASHER - med. sect. lock, 3/8"

4шт.

5

G10711

PIN

- dowel, control cover rear (1/2 x 3/4)

1шт.

6

VT4453

X

PIN - dowel, control cover front (3/8 x 3/4)

1шт.

7

221-25

PLUG,Sq Soc, 3/4"-14 NPTF

- pipe (3/4 NPT)

1шт.

8

A9238

BREATHER

- oil, control cover

1шт.

9

A10059

FILTER, ELEMENT

ELEMENT - filter

1шт.

10

G46179

LINE - oil, regulator, Serial Range: valve-cover

1шт.

11

222-431

ELBOW,90 Degree x 1/8" NPT x 3/8"-24

- oil line to cover (3/16 x 1/8)

1шт.

222-501

TUBE NUT,3/8"-24

NUT - tube (Not shown)

1шт.

12

222-301

UNION

FITTING - oil line to regulator valve (3/16 x 1/8)

1шт.

222-501

TUBE NUT,3/8"-24

NUT - tube (Not shown)

1шт.

13

G46842

GASKET

- control cover to torque tube

1шт.

14

O3501AB

X

KNOB - control lever

1шт.

15

G16636

LEVER - shift control, low range

1шт.

16

126-12

WOODRUFF KEY,#6, 5/32" x 5/8"

1шт.

17

138-45

LOCK PIN,3/32" x 1", Slotted

PIN, , Control lever 3/32" x 1", Slotted

1шт.

18

O4244AB

SEAL - oil, control lever

1шт.

19

G16663

LEVER - shift fork

1шт.

20

G16632

FORK

- shift (Low and direct range)

1шт.

21

VT2012

X

SCREW - lock, shift fork and lug

1шт.

22

G16634

RAIL

- shift, low range

1шт.

23

G47039

SPRING

- shift rail detent

1шт.

24

VT4913

X

BALL - detent, shift rail interlock (3/8" dia.)

1шт.

Выбрано товаров: 26