Запчасти Case 320B (118) - G45056 POWER STEERING UNIT

Схема запчастей Case 320B - (118) - G45056 POWER STEERING UNIT
FIT
1:1
100%

Артикул

Название

Примечание

Количество

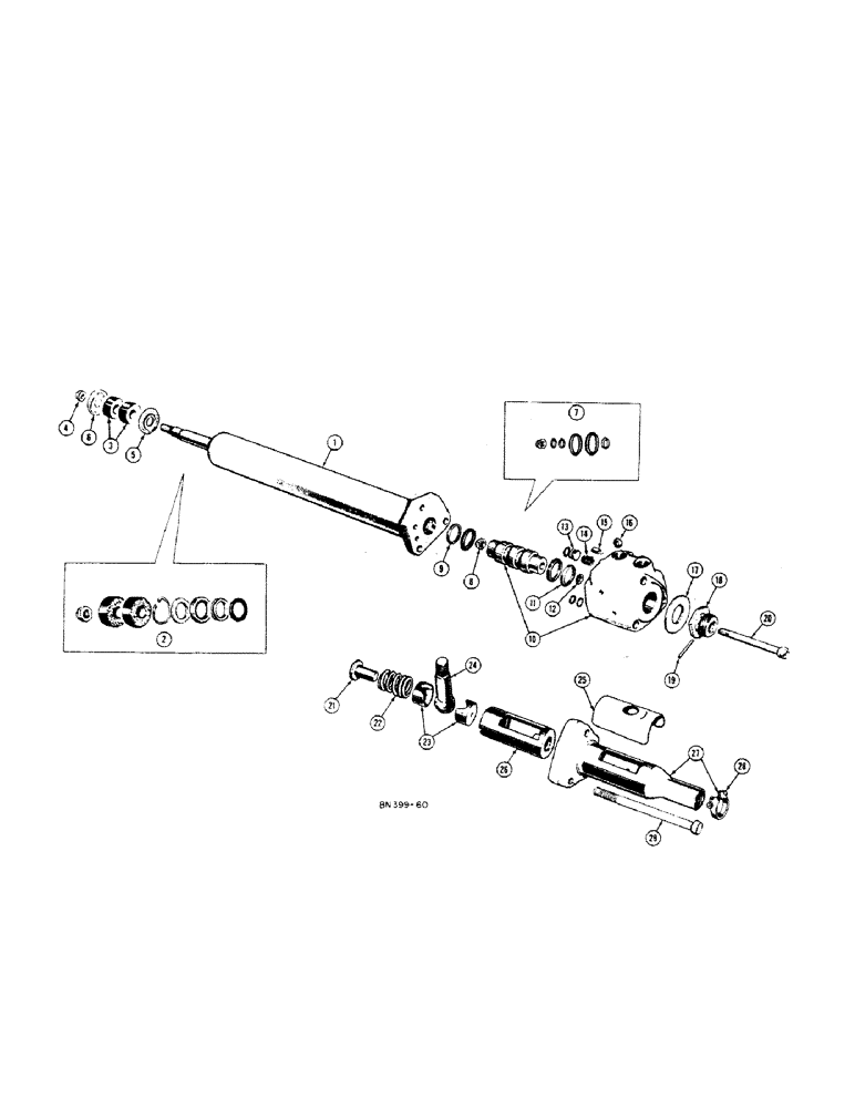
G45056

CYLINDER

UNIT - power steering (Use G45312, below), Includes: Ref. 1 - 29

1шт.

1

G45076

CYLINDER BLOCK

CYLINDER - hydraulic, power steering, Includes: Ref. 1 - 6

1шт.

2

G45079

KIT

- cylinder seal, Includes: Ref. 3 and 4

1шт.

3

G46117

X

GROMMET - rubber, piston rod

2шт.

4

G46809

NUT - piston rod (7/16)

1шт.

5

G46118

WASHER

- inner, retaining grommet

1шт.

6

G46119

WASHER

- outer, retaining grommet

1шт.

7

G45077

KIT

- valve seal, Includes: Ref. 8

1шт.

8

G49032

NUT

- lock, valve spool

1шт.

9

G46122

BUSHING

- large, valve spool

1шт.

10

G45074

HOUSING - valve, with spool

1шт.

11

G46123

BUSHING

- small, valve spool

1шт.

12

G49033

SPACER

- valve spool

1шт.

13

G46121

PLUG

- relief valve

1шт.

14

G45075

LOCK VALVE

VALVE - relief

1шт.

15

G46129

INSERT - oil passage, Serial Range: valve-cylinder

2шт.

16

G46120

SEAT,0.375" DIA.

- flared tube

2шт.

17

G49035

PLATE ASSY.

PLATE - valve housing

1шт.

18

G46108

SCREW

- stop, torque adjusting

1шт.

19

G46111

PIN

- lock, adjusting screw

1шт.

20

G49030

BOLT (SPREADER)

BOLT - valve spool

1шт.

21

G46115

STOP

- spring, ball stud

1шт.

22

G46113

VALVE SPRING

SPRING - ball stud

1шт.

G45078

KIT

- ball stud, Includes: Ref. 23 - 25

1шт.

23

G46110

SEAT

- ball stud

2шт.

24

G46112

STUD

- ball

1шт.

25

G46114

SHIELD

- dust, ball stud

1шт.

26

G46109

SLEEVE

- inner, ball stud spring

1шт.

27

G14452

SLEEVE

- outer, ball stud, Includes: Ref. 28

1шт.

28

G45175

CLAMP

FLANGE - sleeve

1шт.

29

G49031

BOLT (SPREADER)

BOLT - sleeve to valve housing

3шт.

Выбрано товаров: 31