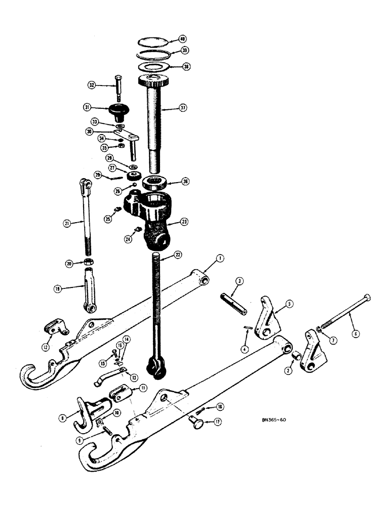
Запчасти Case 320B (144) - EAGLEHITCH DRAFT ARMS AND LIFT LINKS

Схема запчастей Case 320B - (144) - EAGLEHITCH DRAFT ARMS AND LIFT LINKS
FIT
1:1
100%

Артикул

Название

Примечание

Количество

1

G14314

ARM - draft (Model 420B), Includes: Ref. 2

2шт.

G10481

ARM - draft (Models 320B and 420BD), Includes: Ref. 2

2шт.

2

G10487

BUSHING

- draft arm pivot

4шт.

3

G10476

PIN

- pivot, draft arm

2шт.

4

138-143

LOCK PIN,1/4" x 2 1/4", Slotted

PIN, , Pivot pin 1/4" x 2 1/4", Slotted

4шт.

5

G10475

BRACKET

- draft arm mounting

4шт.

6

13-10112

SCREW,Hex, 5/8" - 11 x 7", Gr 5

HHCS - 5/8-18 NC x 7

8шт.

7

92-10

LOCK WASHER,5/8"

WASHER, LOCK, 5/8"

8шт.

8

6167A

X

LATCH - Eagle Hitch

2шт.

9

O9415AB

X

PIN - latch, draft arm

2шт.

10

O9416AB

X

SNAP RING - retainer, latch pin

4шт.

11

6168A

X

LOCK - Eagle Hitch latch, R.H.

1шт.

12

6169A

X

LOCK - Eagle Hitch latch, L.H.

1шт.

13

O9228AB

X

SPRING - latch, Eagle Hitch

2шт.

14

O9229AB

X

RETAINER - latch spring

2шт.

15

13-58

BOLT,Hex, 5/16" - 18 x 1/2", Gr 5

2шт.

16

92-5

LOCK WASHER,5/16"

WASHER - med. sect. lock, 5/16"

2шт.

17

VT2969

X

PIN - yoke, lift link

3шт.

18

132-71

COTTER PIN,5/32" x 1 1/4"

PIN, Split (Cotter), 5/32" x 1 1/4"

3шт.

19

VT2971

YOKE - lift link, L.H.

1шт.

20

25-1112

NUT,3/4"-16, G5

- hex. jam (3/4-16 NF)

1шт.

21

G10937

X

LINK - lift, L.H.

1шт.

22

G10936

YOKE

LINK - lift, adjusting screw, R.H.

1шт.

23

G1044

HOUSING - adjusting screw

1шт.

24

219-1

LUBE NIPPLE,1/8" - 27 NPTF

FITTING - straight grease, 1/8 NPT (Lincoln #5000)

1шт.

25

219-30

LUBE NIPPLE,1/8" - 27 NPTF

FITTING - straight grease, 1/8 NPT (Lincoln #5099)

1шт.

26

O8635AB

X

BALL - crank bearing

1шт.

27

G10464

GEAR - adjusting screw crank

1шт.

28

138-75

LOCK PIN,5/32" x 7/8", Slotted

PIN, , Crank gear 5/32" x 7/8", Slotted

1шт.

29

O5087A

X

WASHER - thrust, crank gear

1шт.

30

G13119

CRANK - adjusting screw

1шт.

31

O4995AB

X

KNOB - hand spinner, adjusting crank

1шт.

32

VT2964

BOLT - spinner knob

1шт.

33

G10488

WASHER - thrust, adjusting crank

1шт.

34

92-6

LOCK WASHER,3/8"

WASHER - med. sect. lock, 3/8"

1шт.

35

25-106

NUT,3/8"-16, G5

- hex. (3/8-16 NC)

1шт.

36

G10489

THRUST BEARING

BEARING - thrust

1шт.

37

G13390

TUBE

GEAR - adjusting screw

1шт.

38

O265BL

WASHER - adjusting screw gear (1-15/16" I.D. x 2-1/2" O.D. x #14 ga.)

1шт.

39

O8582AB

X

SNAP RING - upper housing

1шт.

40

41-40

PLUG,Exp, 2 1/2"

- Welch (2-1/2)

1шт.

Выбрано товаров: 41