Запчасти Case 380CK (020) - AIR CLEANER, MANIFOLDS AND MUFFLER

Схема запчастей Case 380CK - (020) - AIR CLEANER, MANIFOLDS AND MUFFLER
FIT
1:1
100%

Артикул

Название

Примечание

Количество

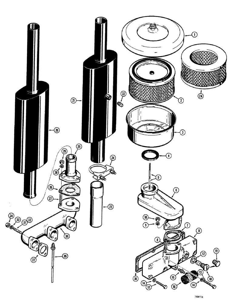
K947192

AIR CLEANER

- early production, order K952364, Includes: Ref. 1 - 4

1шт.

K952364

CLEANER

AIR CLEANER - late production, Includes: Ref. 1 - 4

1шт.

1

NSS

NOT SOLD SEPARAT

CAP - air cleaner

1шт.

2

K952331

FILTER, ELEMENT

ELEMENT - K952364 air cleaner only (Purolator MF 845)

1шт.

2a

D73008

ELEMENT

- K947192 air cleaner only (AC 8994938)

1шт.

3

NSS

NOT SOLD SEPARAT

BODY - air cleaner

1шт.

4

K948475

WASHER

GASKET - air, Serial Range: cleaner-adapter

1шт.

5

K608052

STUD

- special, K947192 air cleaner to adapter, 1/4" - 28 NF x 8-1/4"

1шт.

5

K608057

STUD

- special, K952364 air cleaner to adapter, 1/4" - 28 NF x 8-7/8"

1шт.

6

K947256

CLEANER

ADAPTER - air, Serial Range: cleaner-manifold

1шт.

7

K947258

GASKET

-, Serial Range: adapter-manifold

1шт.

8

K608134

STUD

- 5/16" - 18 NC x 1-11/16"

2шт.

9

192-20

LOCK WASHER,Helical Spring, 0.318" ID, CST, ZND

WASHER, LOCK, 5/16"

2шт.

10

9635082

NUT,5/16" - 18, Gr 5

- hex, 5/16" - 18 NC

2шт.

11

K947257

MANIFOLD

- intake

1шт.

12

13-532

BOLT,Hex, 5/16" - 18 x 2", Gr 5

6шт.

13

13-540

BOLT,Hex, 5/16" - 18 x 2-1/2", Gr 5

2шт.

14

K19471

WASHER

- lock, 5/16"

8шт.

15

K944034

ADAPTER

- air cleaner indicator, if used

1шт.

16

K944033

INDICATOR

- air cleaner condition, if used

1шт.

17

K626784

WASHER,23.24mm ID x 33.34mm OD x 2.34mm Thk

- special sealing

1шт.

18

K906039

PLUG

- ether, intake manifold, if used

1шт.

19

K619528

PLUG

- 7/8" NF, intake manifold, if used

1шт.

20

K928704

MUFFLER

- standard

1шт.

21

D65392

MUFFLER

- spark arresting, if used, Includes: Ref. 22

1шт.

22

217-76

DRAIN PLUG,Sq Hd, 1/4"-18 NPTF, Brass

PLUG - brass, 1/4" NPT

1шт.

23

D73229

MUFFLER

ADAPTER - muffler to exhaust flange, spark arresting muffler, if used

1шт.

24

A13240

CLAMP,2-5/8" ID

- spark arresting muffler, includes hardware

1шт.

25

K928274

FLANGE

- exhaust

1шт.

26

K912441

GASKET

- exhaust flange

1шт.

27

K608203

STUD

- 3/8" - 16 NC x 1-7/16"

3шт.

28

192-21

LOCK WASHER,3/8"

WASHER, LOCK, 3/8"

3шт.

29

25-106

NUT,3/8"-16, G5

- hex, 3/8" - 16 NC

3шт.

30

K907910

MANIFOLD

- vertical exhaust

1шт.

31

K608203

STUD

- 3/8" - 16 NC x 1-7/16"

5шт.

32

K608214

STUD

- 3/8" - 16 NC x 2"

1шт.

33

192-21

LOCK WASHER,3/8"

WASHER, LOCK, 3/8"

6шт.

34

25-106

NUT,3/8"-16, G5

- hex, 3/8" - 16 NC

6шт.

35

K917523

PIPE

TUBE - exhaust manifold drain

1шт.

36

K907911

GASKET

- intake manifold

1шт.

37

K907344

MANIFOLD GASKET

- exhaust manifold

3шт.

Выбрано товаров: 41