Запчасти Case 380CK (008) - PISTONS AND CRANKSHAFT

Схема запчастей Case 380CK - (008) - PISTONS AND CRANKSHAFT
FIT
1:1
100%

Артикул

Название

Примечание

Количество

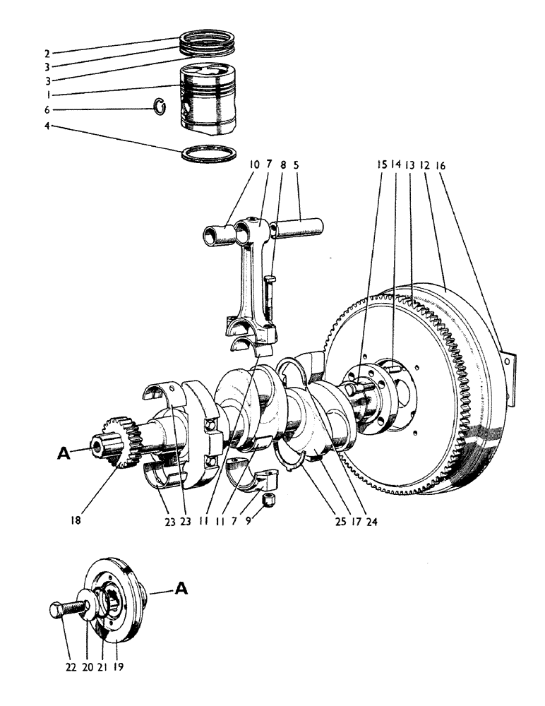
K943880

PISTON

ASSEMBLY, Includes: Ref. 1 - 6

3шт.

1

NSS

NOT SOLD SEPARAT

PISTON

1шт.

2

K943881

RING, PISTON

RING - piston, No. 1 compression

1шт.

3

K943882

RING, PISTON

RING - piston, No. 2 and 3 compression

2шт.

4

K915242

SCRAPER

RING - piston, scraper

1шт.

5

K904370

PIN

- piston

1шт.

6

K34501

RING, SNAP

RING - retaining, piston pin (1-1/4" internal)

2шт.

7

K80043

ROD, CONNECTING

CONNECTING ROD AND CAP ASSEMBLY, Includes: Ref. 8 - 10

3шт.

8

K905198

BOLT

- special, connecting rod (7/16" BSF)

2шт.

9

K15135

NUT

- special, Nyloc (7/16" BSF)

2шт.

10

K31669

BEARING

BUSHING - piston pin

1шт.

11

K911904

HALF-BEARING, CRANKS

BEARING - connecting rod (Halves)

6шт.

12

K910150

FLYWHEEL

Includes: Ref. 13

1шт.

13

K36134

GEAR

- ring, flywheel

1шт.

14

K10629

PIN

DOWEL - 1/2" x 15/16"

1шт.

15

K903431

STEP BOLT

- special, flywheel to crankshaft (7/16" - 20 NF x 1-11/16")

4шт.

129-524

NUT,3/8"-24, G8

- 7/16" - 20 NF, flywheel to crankshaft bolt

4шт.

16

K910883

WASHER

RETAINER - flywheel to crankshaft nuts

1шт.

K912323

HOUSING

DISC - locating

1шт.

17

K961726

CRANKSHAFT

- includes bearings and thrust washers

1шт.

K915423

BOLT

- 3/8" - 16 NC x 2-1/2", balance, Serial Range: weights-crankshaft

4шт.

K626372

WASHER

RETAINER - balance weights to crankshaft bolts

4шт.

K19167

BALL BEARING,22.23mm ID x 50.8mm OD x 14.29mm W

BEARING - ball, flywheel

1шт.

18

K907329

GEAR

- crankshaft

1шт.

19

K914836

PULLEY

- crankshaft

1шт.

20

K907328

WASHER

- crankshaft

1шт.

21

K15594

O-RING,0.139" Thk x 1.984" ID, -226, Cl 5, 75 Duro

SEAL - "O"ring, 2" I.D.

1шт.

22

14-1020

BOLT,Hex, 5/8" - 18 x 1-1/4", Gr 5

Hex, 5/8"-18 x 1 1/4

1шт.

23

K928540

HALF-BEARING, CRANKS

BEARING - main, crankshaft (halves)

8шт.

24

K928542

SET

WASHER - thrust, upper

2шт.

25

K928543

SET

WASHER - thrust, lower

2шт.

Выбрано товаров: 31