Запчасти Case 380CK (070) - BRAKE PEDALS AND LINKAGE

Схема запчастей Case 380CK - (070) - BRAKE PEDALS AND LINKAGE
FIT
1:1
100%

Артикул

Название

Примечание

Количество

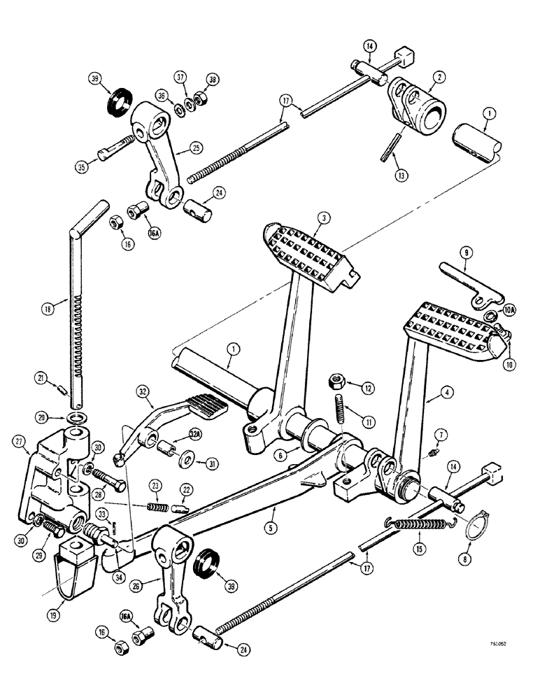
1

K912042

BRAKE

SHAFT - cross

1шт.

2

K912043

LEVER

- cross shaft

1шт.

3

K940736

BRAKE

PEDAL - brake, L.H.

1шт.

4

K912046

BRAKE

PEDAL - brake, R.H.

1шт.

5

K929790

LEVER

- hand brake

1шт.

6

K30884

SHIM

- pedal

1шт.

7

219-8

LUBE NIPPLE,1/4" - 28 NPTF

NIPPLE, LUBE, , straight 1/4"-28 NPT x .54" lg

1шт.

8

K11129

RING, SNAP

RING - retaining

1шт.

9

K38656

PLATE

- locking, pedals

1шт.

10

K600500

SCREW

HHCS - special, 3/8" - 16 NC

1шт.

10a

K626700

WASHER

- special, lapped, 3/8"

1шт.

11

K603009

SCREW

- set, 7/16" - 14 NC x 1-3/4"

1шт.

12

425-147

JAM NUT,Jam, 7/16"-14, G5

- lock, 7/16" - 14 NC

1шт.

13

K623732

PIN

- Mills, 3/8" x 2"

3шт.

14

K919706

PIN

- brake rods

2шт.

15

K624927

SPRING

- return

2шт.

16

25-106

NUT,3/8"-16, G5

- hex, 3/8" - 16 NC

2шт.

16a

K607504

NUT

- special,3/8" - 16 NC

2шт.

17

K929563

ROD

- brake

2шт.

18

K916989

LEVER

- hand

1шт.

19

K949260

FORK

1шт.

20

K626736

WASHER

- special, 5/8"

1шт.

21

K623892

PIN

- roll, 5/16" x 1-1/2"

1шт.

22

K909588

PAWL

1шт.

23

K14651

SPRING

1шт.

24

K14744

PIN

- lever

2шт.

25

K928589

LEVER

- cam, L.H.

1шт.

26

K928589

LEVER

- cam, R.H.

1шт.

27

K912048

HOUSING

- hand brake lever

1шт.

28

K600608

BOLT

HHCS - 7/16" - 14 NC x 2-1/4", Serial Range: housing-frame

1шт.

29

13-1020

BOLT,Hex, 5/8" - 11 x 1-1/4", Gr 5, Full Thd

Housing to frame Hex, 5/8"-11 x 1 1/4", G5, Full Thd

2шт.

30

92-7

LOCK WASHER,7/16"

3шт.

31

K626674

WASHER

- special, 1/2"

1шт.

32

K962631

PEDAL

- differential lock, Includes: Ref. 32A

1шт.

32a

K621346

BUSHING

- pedal

1шт.

33

138-61

LOCK PIN,1/8" x 1", Slotted

PIN, 1/8" x 1", Slotted

1шт.

34

K919577

PIN

- pedal pivot

1шт.

35

K609425

LARGE PIN

PIN - cam lever

2шт.

36

193-10

LOCK WASHER,Ext Tooth, 0.391" ID x 0.682" OD, STL, PLN

WASHER, LOCK, Ext Tooth, 3/8"

2шт.

37

K19472

WASHER

- flat, 3/8"

2шт.

38

25-106

NUT,3/8"-16, G5

- hex, 3/8" - 16 NC

2шт.

39

K85417

SEAL

- dust

2шт.

Выбрано товаров: 42