Запчасти Case 380CK (078) - STEERING CYLINDER

Схема запчастей Case 380CK - (078) - STEERING CYLINDER
FIT
1:1
100%

Артикул

Название

Примечание

Количество

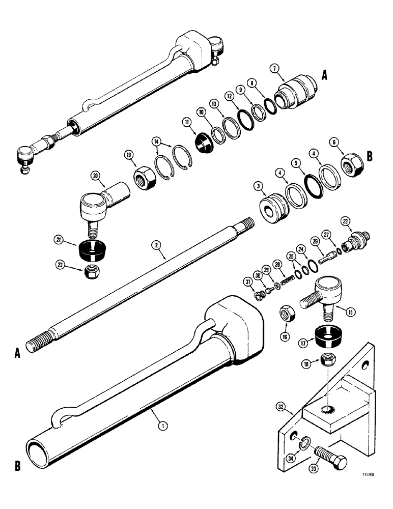
1

K945702

CYLINDER

ASSEMBLY - steering, Includes: Ref. 1 - 22

1шт.

1

K945703

TUBE

- steering cylinder

1шт.

2

K929056

ROD

- piston

1шт.

3

K925321

PISTON

- steering cylinder

1шт.

4

K628912

WASHER

RING - backup, piston seal

2шт.

5

K24744

O-RING,1.475" ID x 1.895" OD x 0.21"

- piston seal

1шт.

6

K607446

NUT

- hex, lock, 3/4" - 10 NC

1шт.

7

K925322

SLEEVE

GLAND - cylinder

1шт.

8

K623677

O-RING

- rod seal, inner

1шт.

9

K628911

WASHER

RING - backup, inner rod seal

1шт.

10

K623762

O-RING,0.99" ID x 0.147" Width

SEAL - rod, outer

1шт.

11

K691596

SEAL

- scraper, end

1шт.

12

K24737

O-RING,0.139" Thk x 1.609" ID, -223, Cl 6, 90 Duro

- tube to gland seal

1шт.

13

K24738

RING,41.07mm ID x 47.88mm OD x 1.83mm Thk

- backup, tube seal

1шт.

14

K11744

RING, SNAP

RING - retaining, cylinder gland

2шт.

K923766

BALL JOINT

ASSEMBLY - tube end, Inlcudes: Ref. 15 - 18

1шт.

15

NSS

NOT SOLD SEPARAT

BALL JOINT - tube end

1шт.

16

K622500

LOCK NUT

- lock, 3/4" special

1шт.

17

K962155

CAP

COVER - rubber boot

1шт.

18

K617316

NUT

- hex, lock, 5/8" - 18 NF, plated

1шт.

19

K617289

LOCK NUT

- hex, lock, 7/8" special, rod end

1шт.

K929057

BALL JOINT

ASSEMBLY - rod end, Inlcudes: Ref. 20 - 22

1шт.

20

NSS

NOT SOLD SEPARAT

BALL JOINT - rod end

1шт.

21

K962155

CAP

COVER - rubber boot

1шт.

22

K617316

NUT

- hex, lock, 5/8" - 18 NF, plated

1шт.

K945714

VALVE

ASSEMBLY - flow control, Includes: Ref. 23 - 31

1шт.

23

K945571

BODY

- valve

1шт.

24

K623663

O-RING,0.924" ID x 0.116" Width

- large

1шт.

25

K628850

O-RING,0.612" ID x 0.139" Width

- small

2шт.

26

K945567

SPRING

RETAINER - spring

1шт.

27

K24554

O-RING

- retainer

1шт.

28

K625520

SPRING

- valve

1шт.

29

K945570

WASHER

- spring retaining

1шт.

30

K945569

VALVE

PLUNGER - valve

1шт.

31

K945568

VALVE

SEAT - valve

1шт.

32

K948794

BRACKET

-, Serial Range: cylinder-tractor

1шт.

33

13-1026

BOLT,Hex, 5/8" - 11 x 1-5/8", Gr 5, Full Thd

4шт.

34

192-25

LOCK WASHER,5/8"

WASHER, LOCK, 5/8"

4шт.

K963550

SEALING RING

seal pack for valve

1шт.

K962555

SEAL

seal pack for ram

1шт.

Выбрано товаров: 40