Запчасти Case 380CK (086) - P.T.O.

Схема запчастей Case 380CK - (086) - P.T.O.
FIT
1:1
100%

Артикул

Название

Примечание

Количество

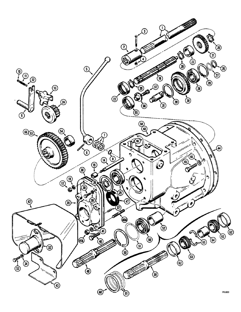
1

K921635

SHAFT

- from clutch

1шт.

2

K89181

COUPLING, BREAK AWAY

COUPLING -, Serial Range: shaft-shaft

1шт.

3

13-430

BOLT,Hex, 1/4" - 20 x 1-7/8", Gr 5

HHCS - 1/4" - 20 NC x 1-7/8"

1шт.

4

25-104

NUT,1/4"-20, G5

1шт.

K962920

GEAR

PTO ASSEMBLY - used before tractor sn. 11002756, Includes: Ref. 5 - 57

1шт.

K951567

PTO

ASSEMBLY - used on tractor sn. 11002756 and after, Includes Ref. 5 - 47 and 58 - 66

1шт.

5

K943716

LEVER

- hand control

1шт.

6

K623726

PIN

- Mills, 1/4" x 1-1/2"

1шт.

7

K916582

SHIM

- lever

1шт.

8

K24555

O-RING,0.737" ID x 0.943" OD x 0.103"

- lever

1шт.

9

K943717

SELECTOR

LEVER - inner

1шт.

10

176-511

SET SCREW,5/16"-18 x 5/16", Slotted

SCREW - set, 5/16" - 18 NC

1шт.

11

K24831

SPRING

- detent

1шт.

12

211-206

BALL,1/4" Dia

- steel, 1/4", detent

1шт.

13

K906701

SELECTOR

FORK - selector

1шт.

14

K942469

SELECTOR

ROD - selector

1шт.

15

K921603

BUSHING

SPACER - fork

1шт.

16

K906700

PIN

- retaining

1шт.

17

9635082

NUT,5/16" - 18, Gr 5

- hex, 5/16" - 18 NC

1шт.

18

K15498

SEALING WASHER

WASHER - special sealing, if used

1шт.

19

K906735

DRIVE SHAFT

SHAFT - input

1шт.

20

K621535

RING, SNAP

RING - retaining

4шт.

21

K908094

GEAR

- pump drive, 29 teeth

1шт.

22

R21491

NEEDLE BEARING,1.75" ID x 2.125" OD x 0.75"

BEARING - needle, 1-3/4 in ID

1шт.

23

K906693

RING RACE

RACE - input shaft

1шт.

24

K921600

GEAR

- sliding

1шт.

25

K15172

BALL BEARING,28.57mm ID x 77.79mm OD x 20.64mm W

BEARING - ball, includes snap ring

1шт.

26

K11128

CIRCLIP

RING - retaining

1шт.

27

K626200

SHIM,.002" Thk

(0.051 mm) .002" Thk

1шт.

27

K626201

SHIM,.003" Thk

(0.076 mm) .003" Thk

1шт.

27

K626202

SHIM,.005" Thk

(0.127 mm) .005" Thk

1шт.

27

K626203

SHIM,.010" Thk

(0.254 mm) .010" Thk

1шт.

28

K621436

RING, SNAP

RING - retaining

2шт.

29

K620102

BEARING, BALL

BEARING - ball

1шт.

30

K923442

GEAR

- idler

1шт.

31

K923441

PIN

SHAFT - idler gear

1шт.

32

K909111

COVER

- PTO shaft

1шт.

33

113-101

BOLT,Hex, 5/16" - 18 x 1-1/2", Gr 5

2шт.

34

K626682

WASHER

- special, 5/16", plated

2шт.

35

K906686

COVER

- end, PTO

1шт.

36

K924217

GASKET

- end, Serial Range: cover-case

1шт.

37

K14577

DOWEL

L -, Serial Range: cover-housing

2шт.

38

13-516

BOLT,Hex, 5/16" - 18 x 1", Gr 5

1шт.

39

192-20

LOCK WASHER,Helical Spring, 0.318" ID, CST, ZND

WASHER, LOCK, 5/16"

1шт.

40

13-728

BOLT,Hex, 7/16" - 14 x 1-3/4", Gr 5

4шт.

40a

K608311

STUD

- 7/16" - 14 NC x 2-5/16", if used

4шт.

41

92-7

LOCK WASHER,7/16"

4шт.

41a

25-107

NUT,7/16"-14, G5

- hex, 7/16" - 14 NC

4шт.

42

K906893

GUARD

- PTO

1шт.

43

K928304

SHIM

GUARD - hydraulic filter switch

1шт.

44

K922591

GASKET

- PTO to axle housing

1шт.

45

13-730

BOLT,Hex, 7/16" - 14 x 1-7/8", Gr 5

HHCS - 7/16" - 14 NC x 1-7/8"

11шт.

46

92-7

LOCK WASHER,7/16"

11шт.

47

K11119

OIL SEAL

- outer shaft

1шт.

48

K963623

PTO

HOUSING - PTO, Used in K962920 only

1шт.

49

K906691

SHAFT

- output, Used in K962920 PTO only

1шт.

50

K19197

BEARING, BALL

BEARING - ball, includes snap ring, Used in K962920 PTO only

1шт.

51

K915320

SHIM,.003" Thk

(0.076 mm), Used in K962920 PTO only .003" Thk

1шт.

51

K915321

SHIM,.005" Thk

(0.127 mm), Used in K962920 PTO only .005" Thk

1шт.

52

K921602

BUSHING

SPACER - gear, Used in K962920 PTO only

1шт.

53

K906692

GEAR

- output, Used in K962920 PTO only

1шт.

54

K906694

BEARING

RACE - bearing, Used in K962920 PTO only

1шт.

55

R21491

NEEDLE BEARING,1.75" ID x 2.125" OD x 0.75"

BEARING - needle, 1-3/4 in ID, Used in K962920 PTO only

1шт.

56

K909349

PIN

WASHER - retaining, includes lock pin, Used in K962920 PTO only

1шт.

57

K606894

SCREW

HHCS - 7/16" - 14 NC x 1", Used in K962920 PTO only

1шт.

58

K951568

PTO

HOUSING - PTO, Used in K951567 only

1шт.

59

K923432

SHAFT

- output, Used in K951567 PTO only

1шт.

60

K923435

WASHER

RING - thrust, Used in K951567 PTO only

1шт.

61

K923436

SHIM

- .002" (0.051 MM) thick, Used in K951567 PTO only

1шт.

61

K626201

SHIM,.003" Thk

(0.076 mm), Used in K951567 PTO only .003" Thk

1шт.

61

K626202

SHIM,.005" Thk

(0.127 mm), Used in K951567 PTO only .005" Thk

1шт.

61

K626203

SHIM,.010" Thk

(0.254 mm), Used in K951567 PTO only .010" Thk

1шт.

62

G57451

BEARING, CUP

CUP - roller bearing, Used in K951567 PTO only

2шт.

63

G57452

ROLLER BEARING

CONE - roller bearing, Used in K951567 PTO only

2шт.

64

K952132

BUSHING

SPACER - gear, Used in K951567 PTO only

1шт.

65

K923433

RING

- split half, Used in K951567 PTO only

2шт.

66

K923434

GEAR

- output, Used in K951567 PTO only

1шт.

Выбрано товаров: 77